GM Service Manual Online
For 1990-2009 cars only

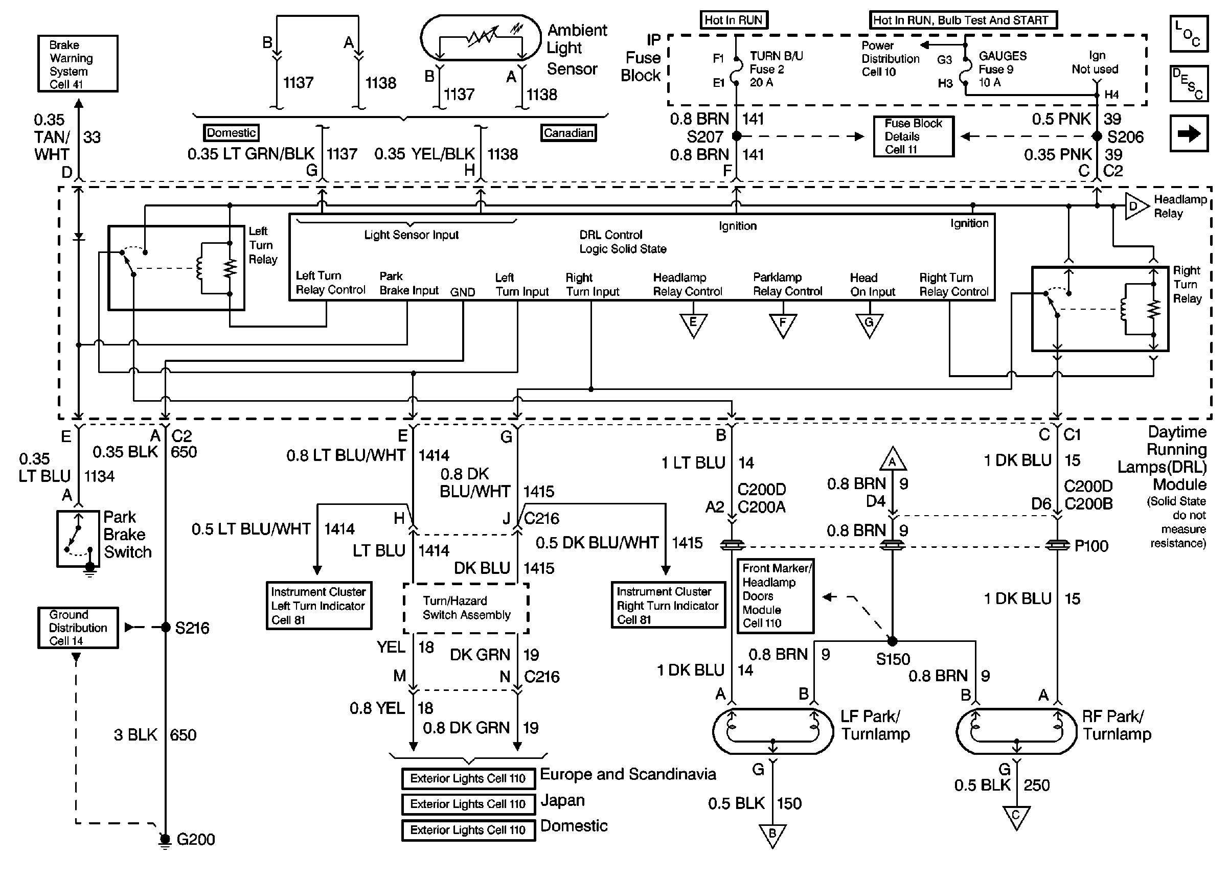
Headlights/Daytime Running Lights (DRL) Schematics Domestic

Figure 1:

Cell 102: Park/Turnlamps (Chevrolet)


Object Number: 479996  Size: FS
Brake Warning System Schematics
Lighting Systems Components
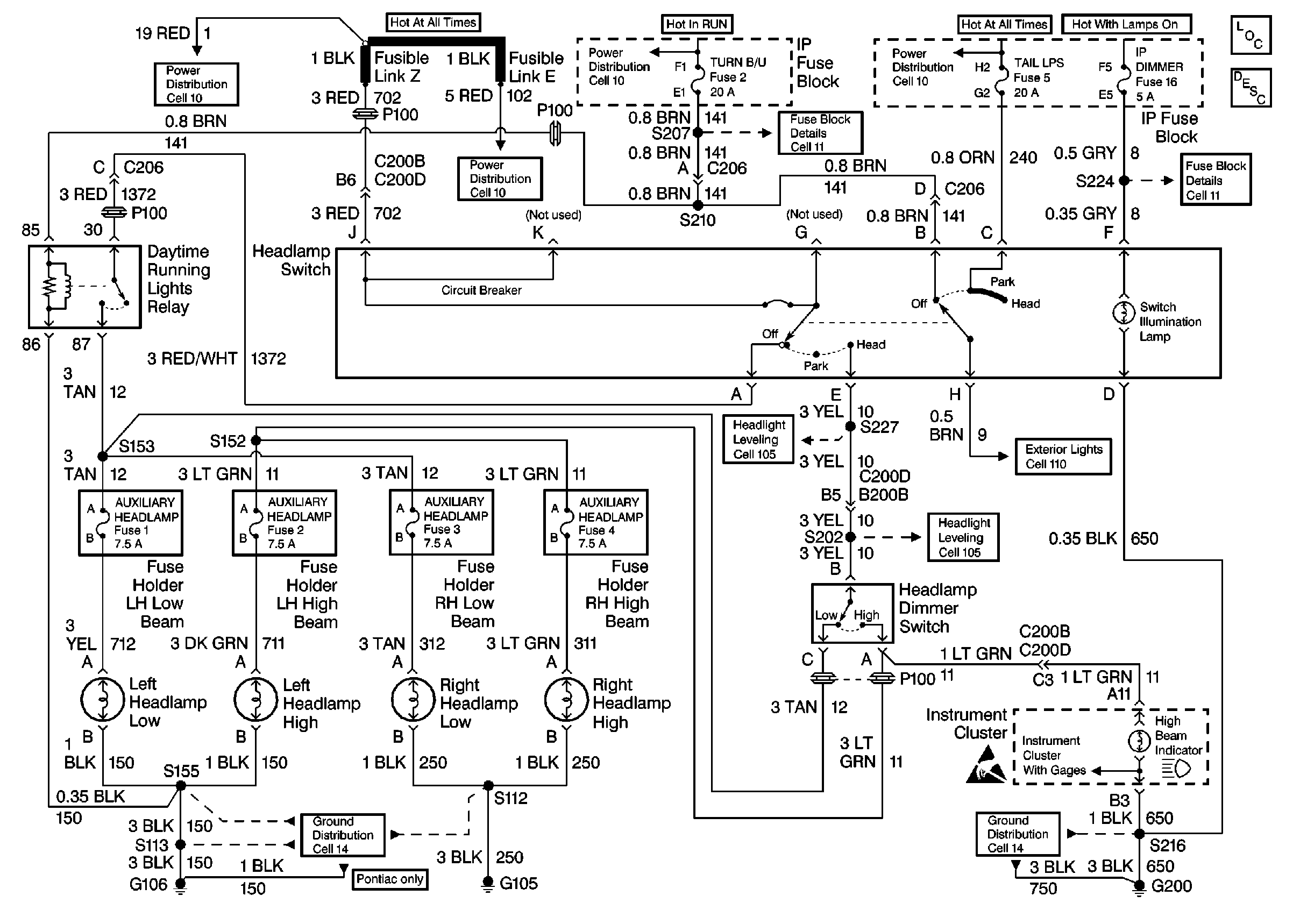
Headlights Circuit Description Chevrolet
Cell 102: Headlamps (Chevrolet)
Power Distribution Schematics
Fuse Block Schematics
Cell 102: Headlamps (Chevrolet)
Cell 102: Headlamps (Chevrolet)
Cell 102: Headlamps (Chevrolet)
Cell 102: Headlamps (Chevrolet)
Cell 102: Headlamps (Chevrolet)
Exterior Lights Schematics Domestic
Instrument Cluster: Analog Schematics
Cell 102: Headlamps (Chevrolet)
Cell 102: Headlamps (Chevrolet)
Exterior Lights Schematics Domestic
Instrument Cluster: Analog Schematics
Ground Distribution Schematics
Ground Distribution Schematics
Figure 2:

Cell 102: Headlamps (Chevrolet)


Object Number: 479990  Size: FS
Fuse Block Schematics
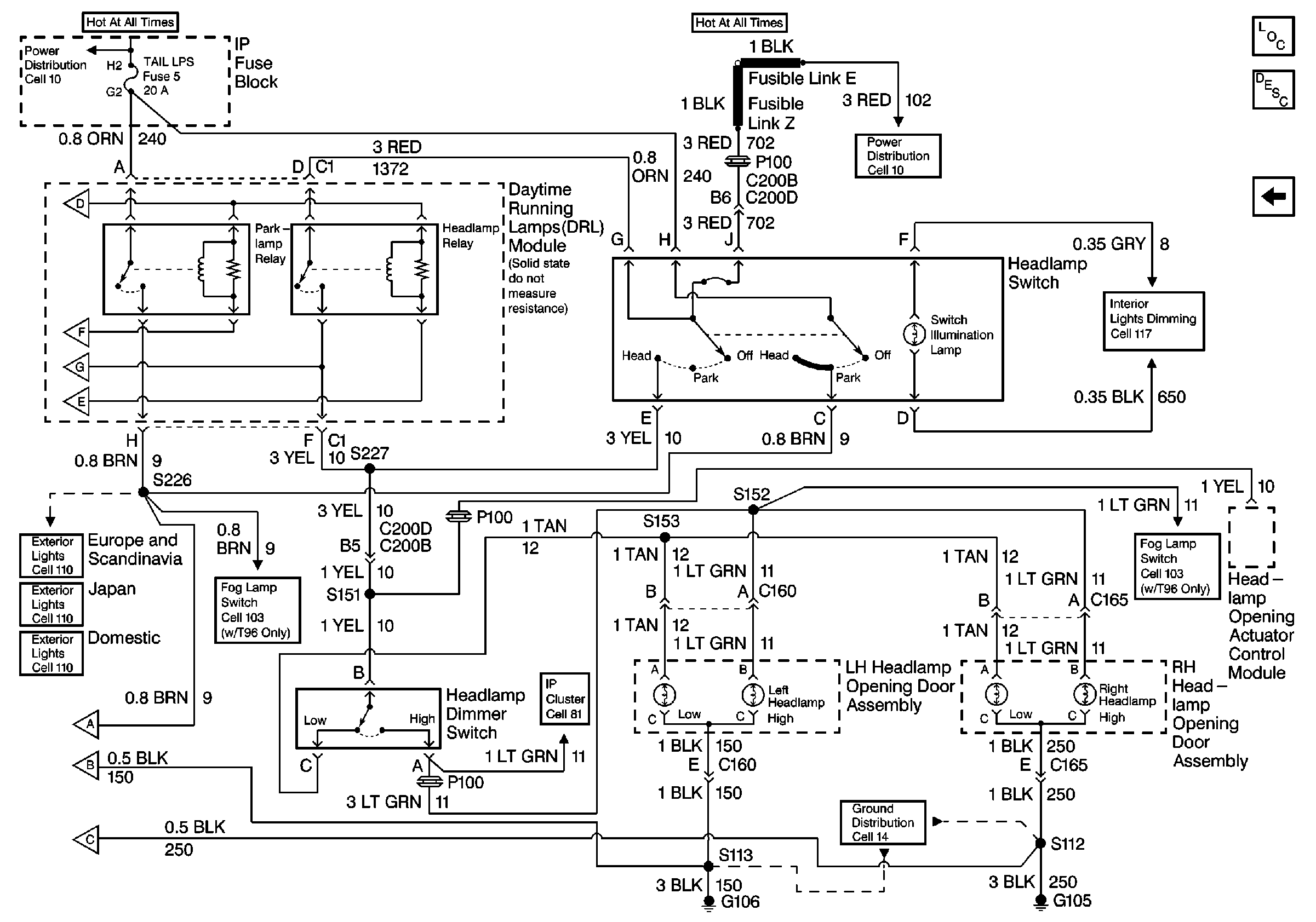
Cell 102: Park/Turnlamps (Chevrolet)
Cell 102: Park/Turnlamps (Chevrolet)
Cell 102: Park/Turnlamps (Chevrolet)
Cell 102: Park/Turnlamps (Chevrolet)
Fog Lights Schematics
Cell 102: Park/Turnlamps (Chevrolet)
Cell 102: Park/Turnlamps (Chevrolet)
Ground Distribution Schematics
Fog Lights Schematics
Fog Lights Schematics
Handling ESD Sensitive Parts Notice
Power Distribution Schematics
Interior Lights Dimming Schematics
Cell 102: Park/Turnlamps (Chevrolet)
Lighting Systems Components
Exterior Lights Schematics Domestic
Headlights Circuit Description Chevrolet
Cell 102: Park/Turnlamps (Chevrolet)
Exterior Lights Schematics Europe and Scandinavia
Exterior Lights Schematics Japan
Figure 3:

Cell 102: Park/Turnlamps (Pontiac)


Object Number: 480012  Size: FS
Brake Warning System Schematics
Ground Distribution Schematics
Instrument Cluster: Analog Schematics
Exterior Lights Schematics Domestic
Instrument Cluster: Analog Schematics
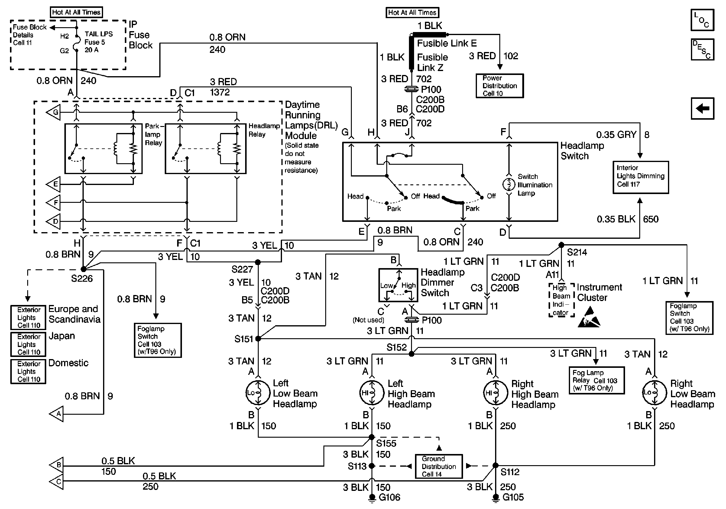
Cell 102: Headlamps (Pontiac)
Cell 102: Headlamps (Pontiac)
Exterior Lights Schematics Domestic
Cell 102: Headlamps (Pontiac)
Cell 102: Headlamps (Pontiac)
Cell 102: Headlamps (Pontiac)
Cell 102: Headlamps (Pontiac)
Cell 102: Headlamps (Pontiac)
Power Distribution Schematics
Fuse Block Schematics
Lighting Systems Components
Headlights Circuit Description Chevrolet
Cell 102: Headlamps (Pontiac)
Exterior Lights Schematics Europe and Scandinavia
Exterior Lights Schematics Japan
Figure 4:

Cell 102: Headlamps (Pontiac)


Object Number: 480005  Size: FS
Power Distribution Schematics
Cell 102: Park/Turnlamps (Pontiac)
Cell 102: Park/Turnlamps (Pontiac)
Cell 102: Park/Turnlamps (Pontiac)
Cell 102: Park/Turnlamps (Pontiac)
Fog Lights Schematics
Exterior Lights Schematics Domestic
Cell 102: Park/Turnlamps (Pontiac)
Cell 102: Park/Turnlamps (Pontiac)
Cell 102: Park/Turnlamps (Pontiac)
Instrument Cluster: Analog Schematics
Ground Distribution Schematics
Fog Lights Schematics
Power Distribution Schematics
Interior Lights Dimming Schematics
Cell 102: Park/Turnlamps (Pontiac)
Headlights Circuit Description Chevrolet
Lighting Systems Components
Exterior Lights Schematics Europe and Scandinavia
Exterior Lights Schematics Japan

Headlights/Daytime Running Lights (DRL) Schematics Scandinavia

Cell 102


Object Number: 480021  Size: FS
Power Distribution Schematics
Power Distribution Schematics
Power Distribution Schematics
Fuse Block Schematics
Power Distribution Schematics
Lighting Systems Components
Headlights Circuit Description Chevrolet
Fuse Block Schematics
Ground Distribution Schematics
Headlight Leveling Schematics
Exterior Lights Schematics Domestic
Headlight Leveling Schematics
Handling ESD Sensitive Parts Notice
Ground Distribution Schematics
Instrument Cluster: Analog Schematics