GM Service Manual Online
For 1990-2009 cars only
Makes
🢒
Chevrolet
🢒
1998
🢒
Camaro
🢒
Body and Accessories
🢒
Instrument Panel, Gauges, and Console
🢒 Audible Warnings Schematics
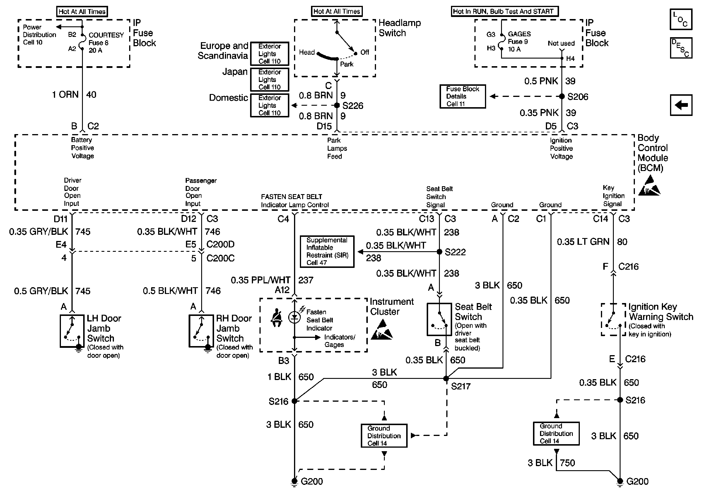
Figure
1:
Cell 76: Without Door Jamb Switches
Power Distribution Schematics
Fuse Block Schematics
Ground Distribution Schematics
Ground Distribution Schematics
Ground Distribution Schematics
Audible Warnings Components
Audible Warnings Circuit Description
Cell 76: With Door Jamb Switches
Handling ESD Sensitive Parts Notice
Handling ESD Sensitive Parts Notice
SIR Schematics
Exterior Lights Schematics Europe and Scandinavia
Exterior Lights Schematics Japan
Exterior Lights Schematics Domestic
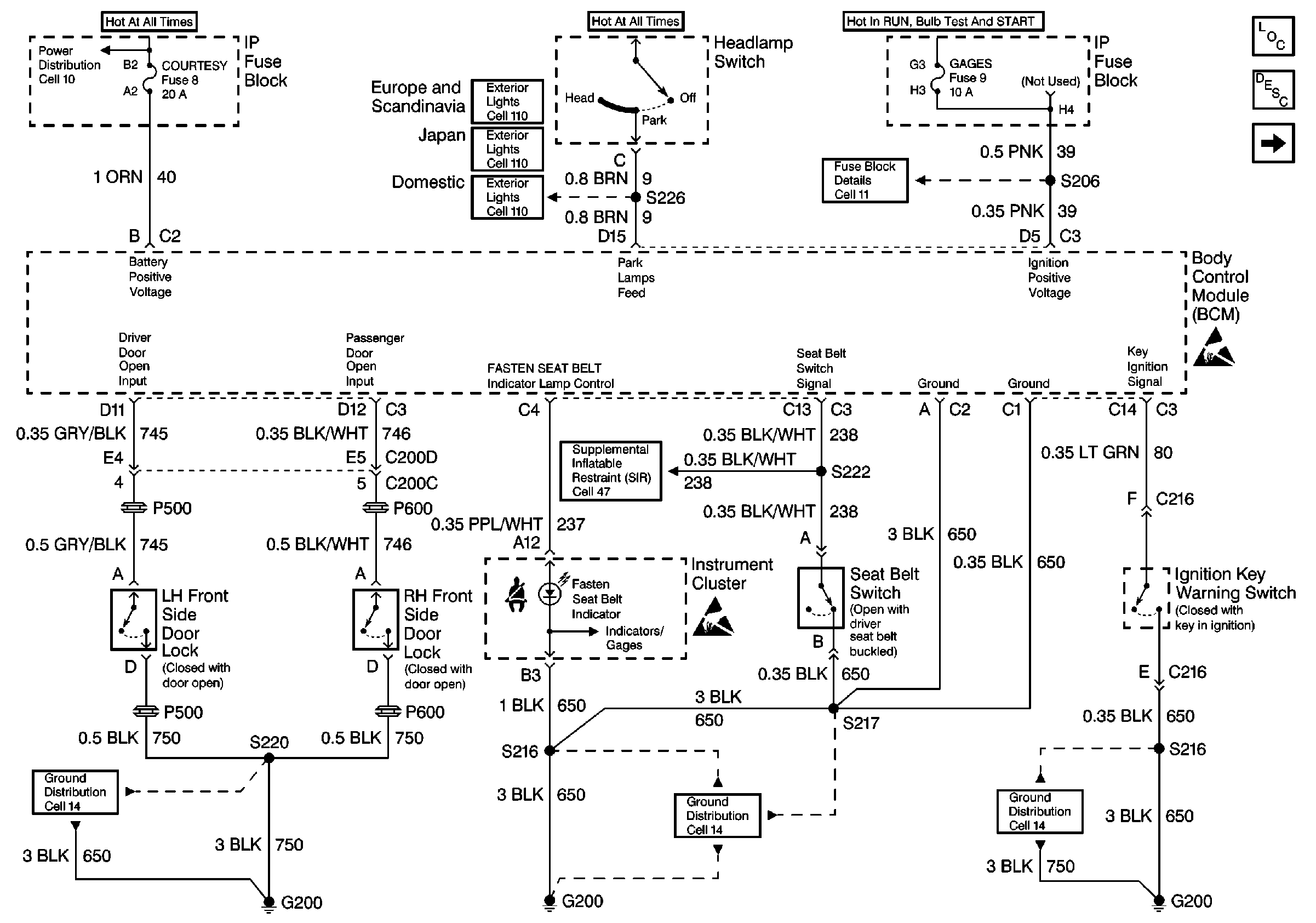
Figure
2:
Cell 76: With Door Jamb Switches
Power Distribution Schematics
Fuse Block Schematics
Ground Distribution Schematics
Ground Distribution Schematics
Audible Warnings Components
Audible Warnings Circuit Description
Cell 76: Without Door Jamb Switches
Handling ESD Sensitive Parts Notice
Handling ESD Sensitive Parts Notice
SIR Schematics
Exterior Lights Schematics Europe and Scandinavia
Exterior Lights Schematics Japan
Exterior Lights Schematics Domestic