GM Service Manual Online
For 1990-2009 cars only
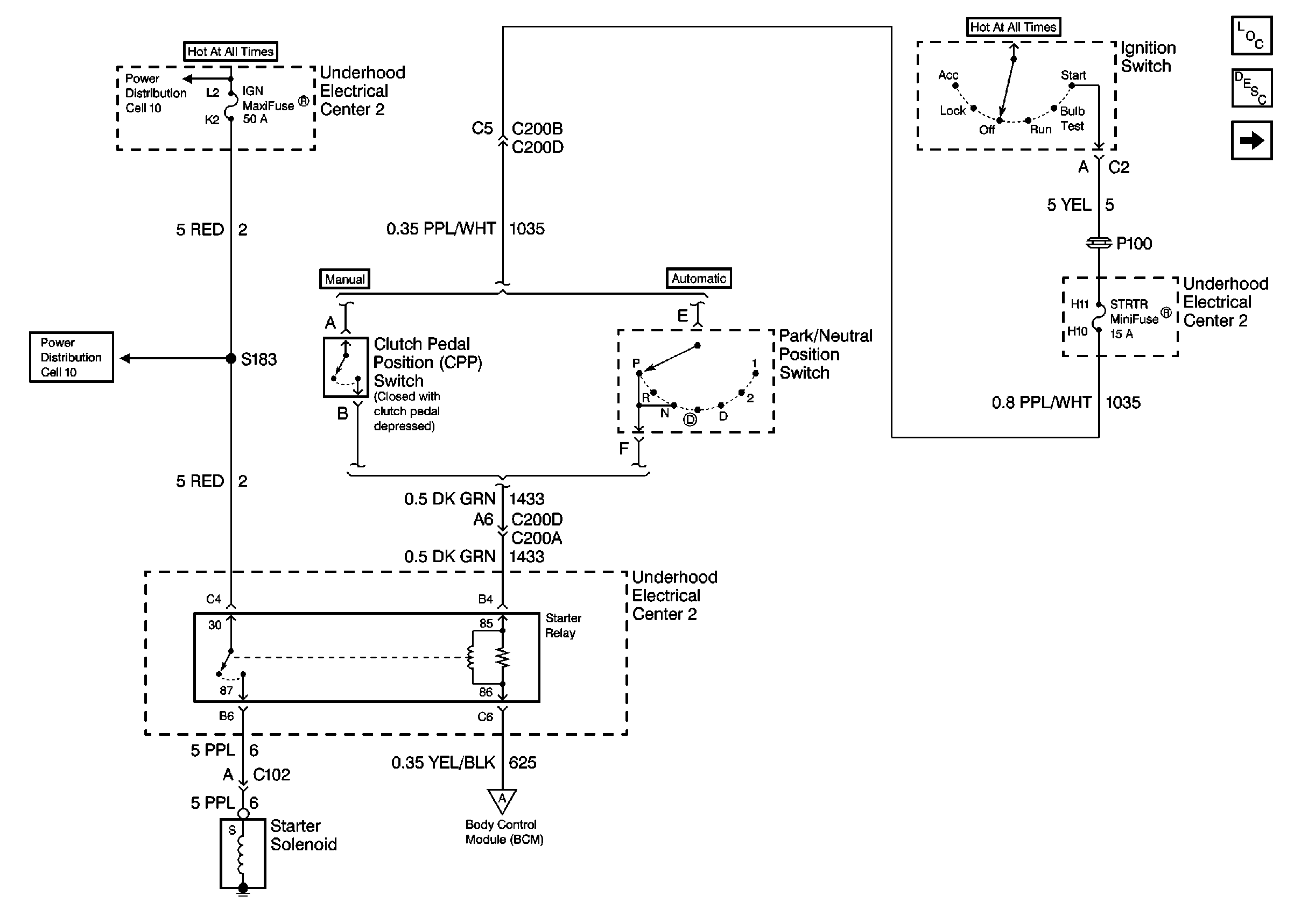
Figure 1:

Cell 133: Clutch Pedal Position (CPP) Switch, Park/Neutral Position Switch, Ignition Switch, and Starter Solenoid


Object Number: 453887  Size: FS
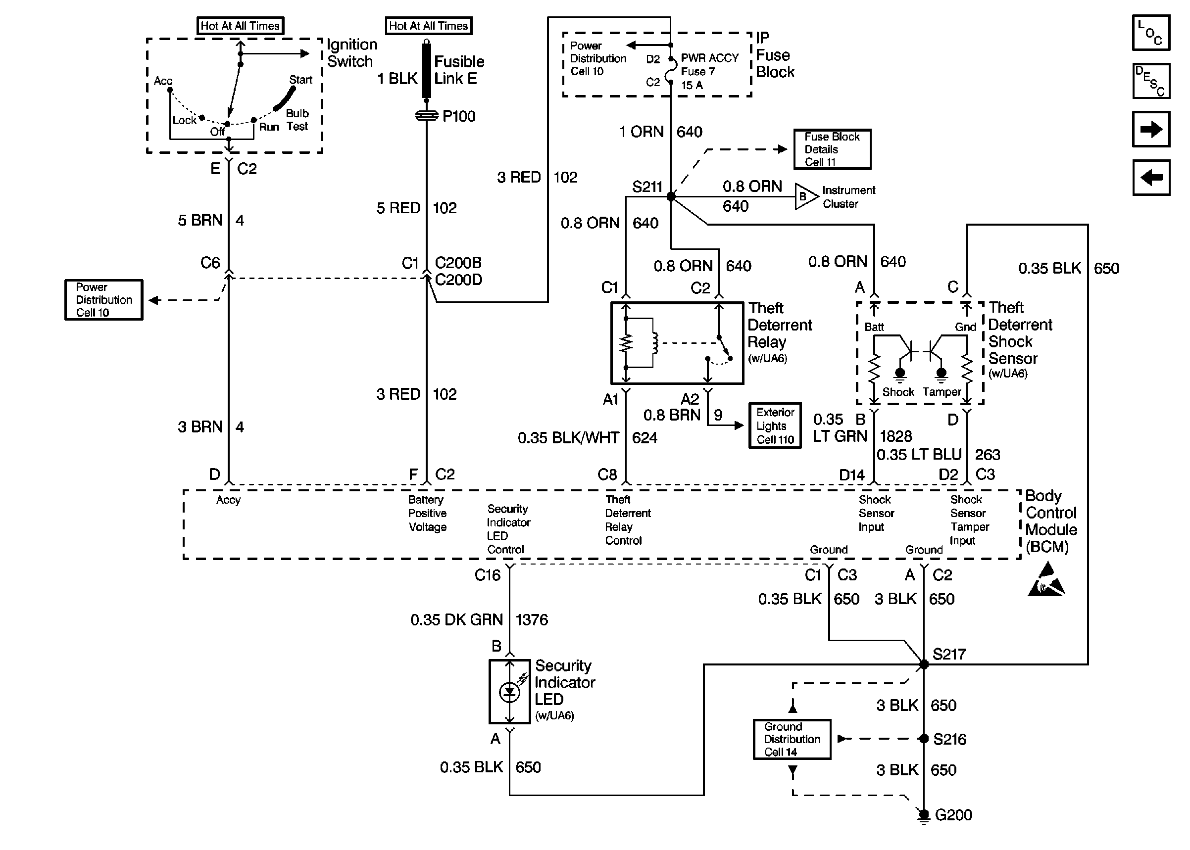
Theft Deterrent System Components
Content Theft Deterrent (CTD) Circuit Description
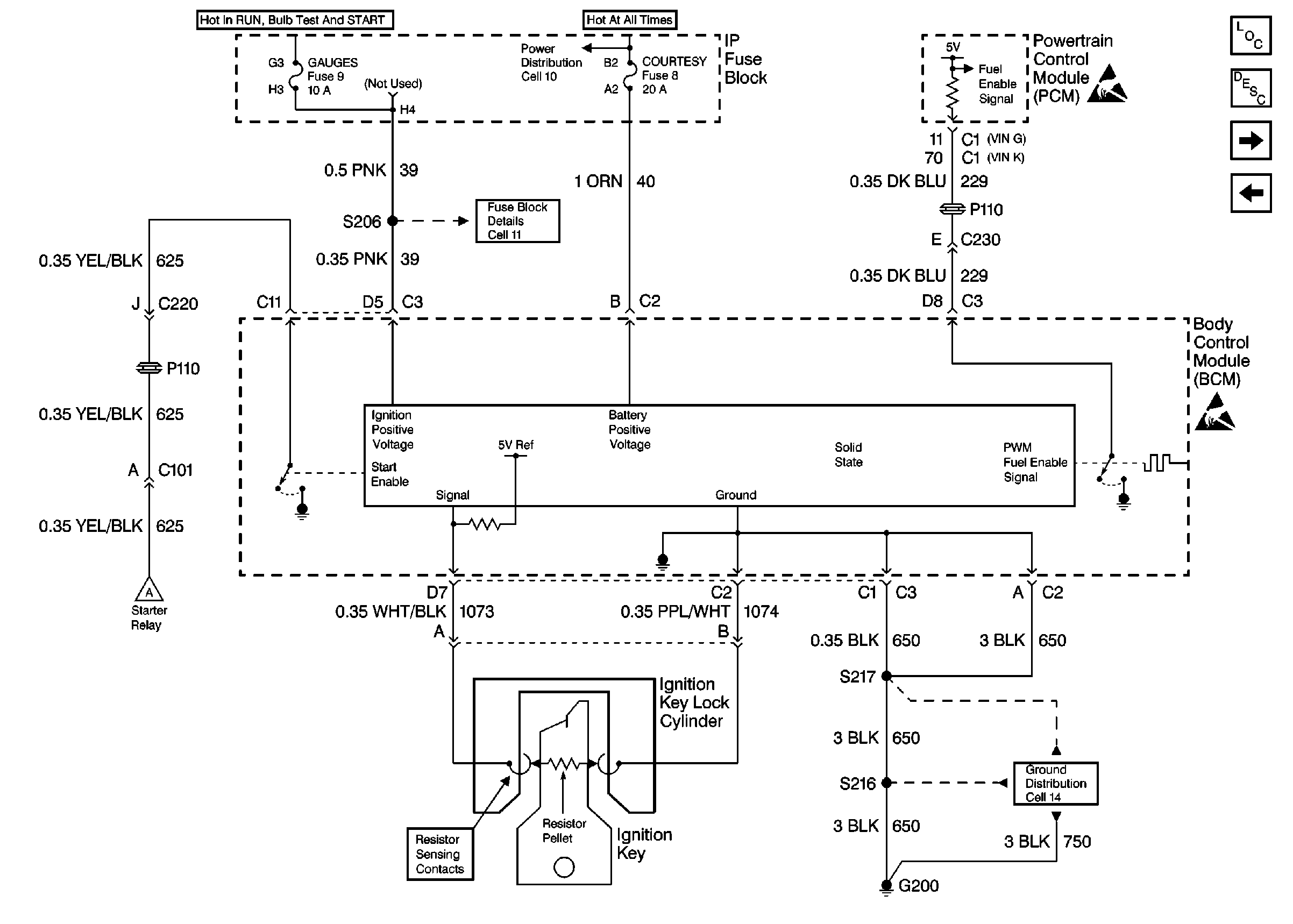
Cell 133: Ignition Key Lock Cylinder and Fuel Enable Signal
Power Distribution Schematics
Cell 133: Ignition Key Lock Cylinder and Fuel Enable Signal
Power Distribution Schematics
Figure 2:

Cell 133: Ignition Key Lock Cylinder and Fuel Enable Signal


Object Number: 453894  Size: FS
Theft Deterrent System Components
Content Theft Deterrent (CTD) Circuit Description
Cell 133: Security Indicator LED, Theft Deterrent Relay, Theft Deterrent Shock Sensor
Cell 133: Clutch Pedal Position (CPP) Switch, Park/Neutral Position SwiTch, Ignition Switch, and Starter Solenoid
Fuse Block Schematics
Ground Distribution Schematics
Cell 133: Clutch Pedal Position (CPP) Switch, Park/Neutral Position SwiTch, Ignition Switch, and Starter Solenoid
Power Distribution Schematics
Handling ESD Sensitive Parts Notice
Handling ESD Sensitive Parts Notice
Figure 3:

Cell 133: Security Indicator LED, Theft Deterrent Relay, Theft Deterrent Shock Sensor


Object Number: 453900  Size: FS
Power Distribution Schematics
Power Distribution Schematics
Fuse Block Schematics
Ground Distribution Schematics
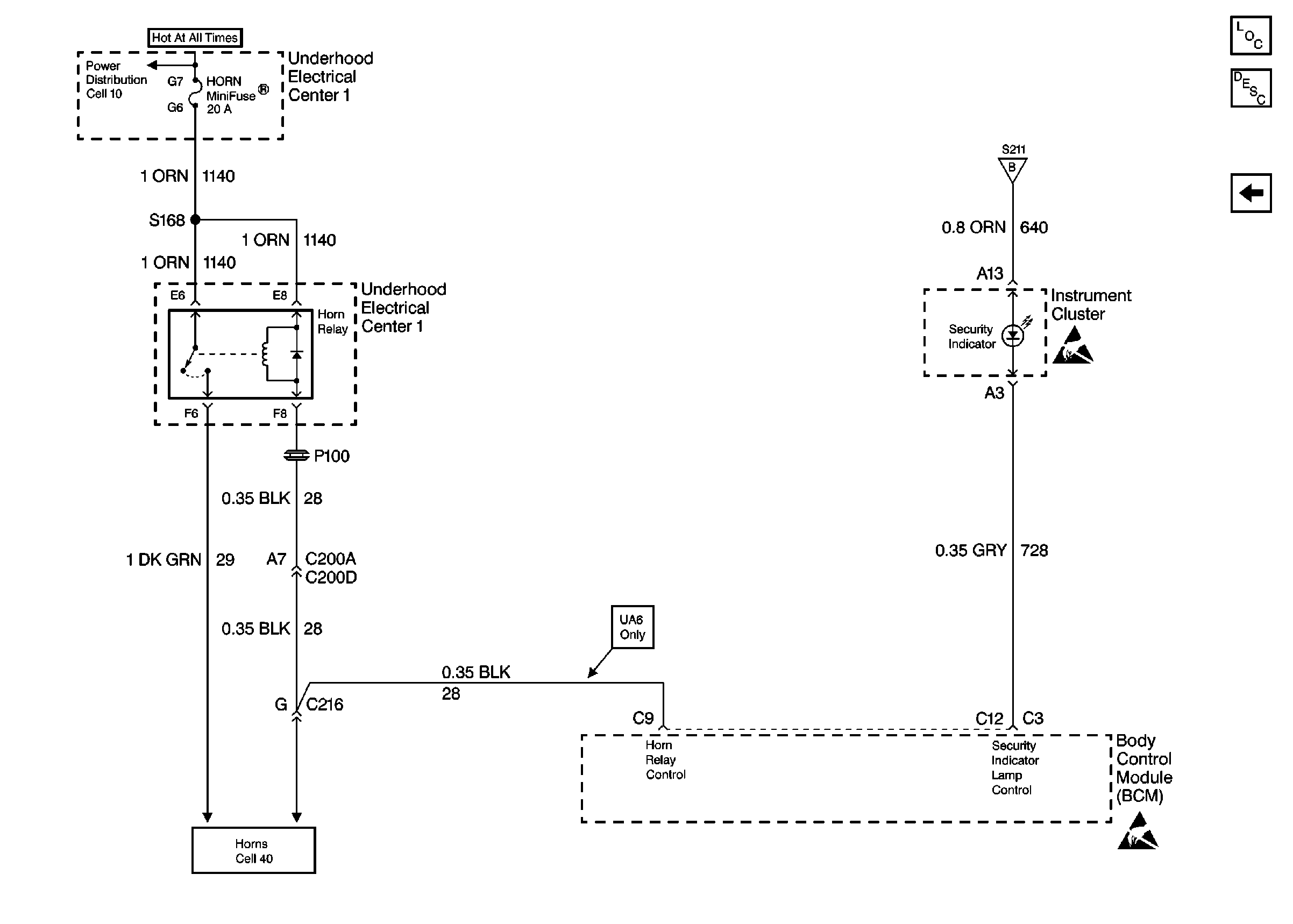
Cell 133: Horn Relay and Security Indicator
Cell 133: Horn Relay and Security Indicator
Content Theft Deterrent (CTD) Circuit Description
Theft Deterrent System Components
Cell 133: Ignition Key Lock Cylinder and Fuel Enable Signal
Handling ESD Sensitive Parts Notice
Exterior Lights Schematics Domestic
Figure 4:

Cell 133: Horn Relay and Security Indicator


Object Number: 453912  Size: FS
Power Distribution Schematics
Cell 133: Security Indicator LED, Theft Deterrent Relay, Theft Deterrent Shock Sensor
Cell 133: Security Indicator LED, Theft Deterrent Relay, Theft Deterrent Shock Sensor
Content Theft Deterrent (CTD) Circuit Description
Theft Deterrent System Components
Handling ESD Sensitive Parts Notice
Handling ESD Sensitive Parts Notice