GM Service Manual Online
For 1990-2009 cars only
Makes
🢒
Chevrolet
🢒
1998
🢒
Camaro
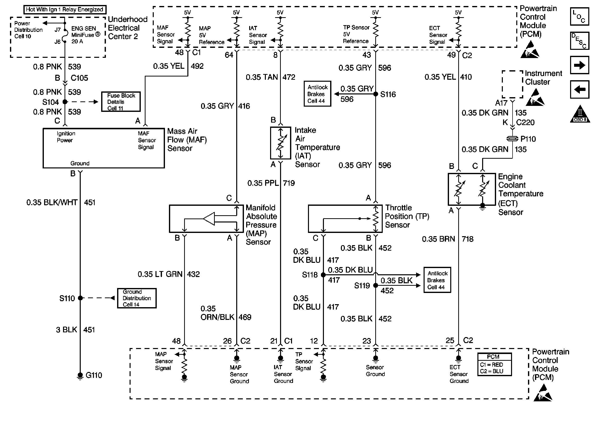
🢒 Information Sensors
Information Sensors
Information Sensors
Engine Controls Components
Information Sensors/Switches Description
Heated Oxygen Sensors
Injector Circuits
OBD II Symbol Description Notice
Handling ESD Sensitive Parts Notice
Power Distribution Schematics
Fuse Block Schematics
Ground Distribution Schematics
ABS/TCS Schematics
ABS/TCS Schematics
Handling ESD Sensitive Parts Notice
Handling ESD Sensitive Parts Notice