GM Service Manual Online
For 1990-2009 cars only
Makes
🢒
Chevrolet
🢒
1998
🢒
Camaro
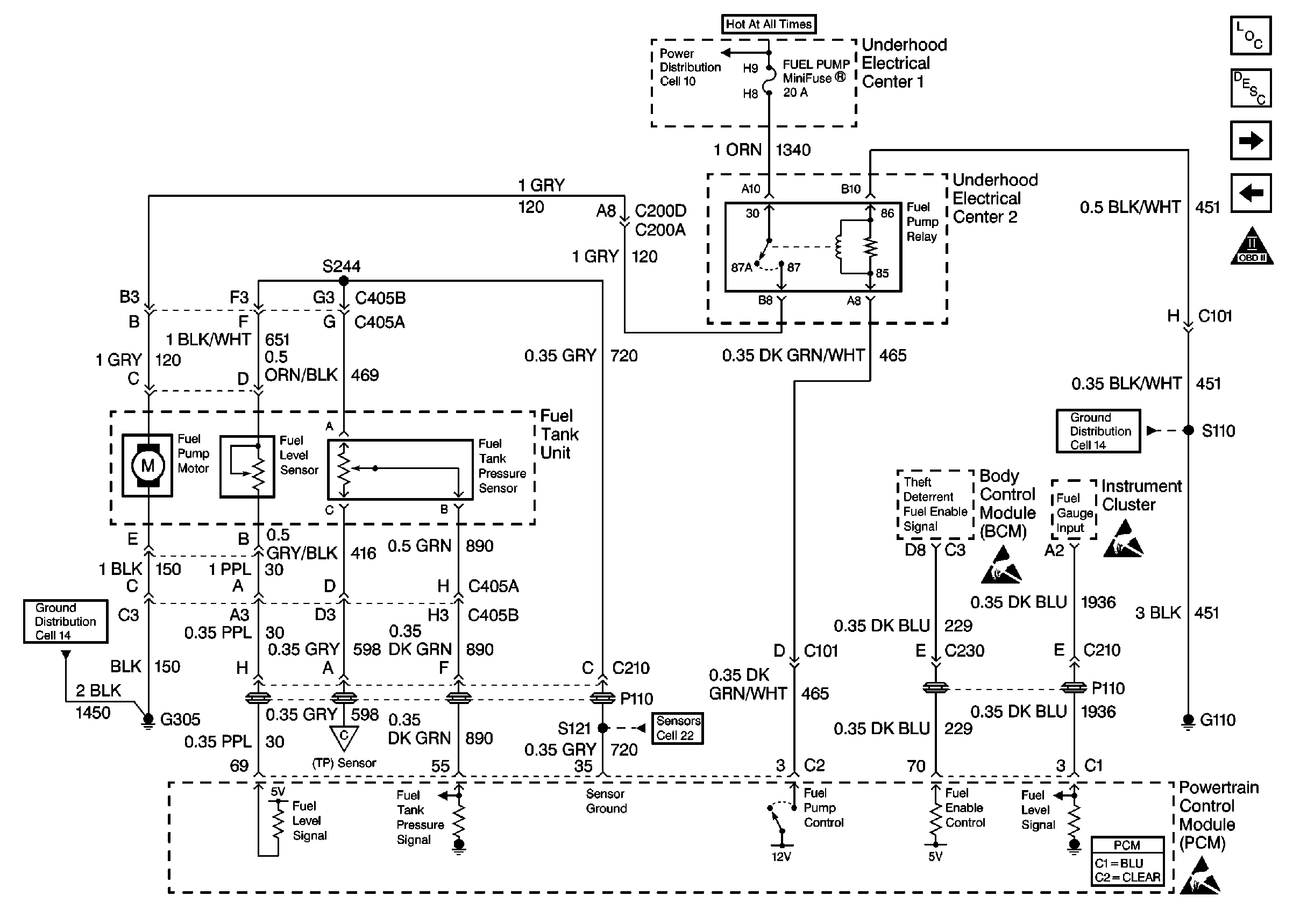
🢒 Fuel Pump Controls
Fuel Pump Controls
Fuel Pump Controls
Engine Controls Components
Fuel Pump Electrical Circuit Diagnosis
Fuel Injectors
Ignition Control, Knock Sensors
Power, Ground and MIL
Engine Controls Schematic Icons
Engine Controls Schematic Icons
Power Distribution Schematics
Ground Distribution Schematics
Ground Distribution Schematics
TP, MAP, ECT, IAT Sensors
Engine Controls Components
Fuel Injectors
Ignition Control, Knock Sensors
OBD II Symbol Description Notice
Handling ESD Sensitive Parts Notice
Handling ESD Sensitive Parts Notice
Handling ESD Sensitive Parts Notice