GM Service Manual Online
For 1990-2009 cars only
Makes
🢒
Chevrolet
🢒
1998
🢒
Camaro
🢒 Cell 138
Cell 138
Cell 138
Tilt Wheel/Column Components
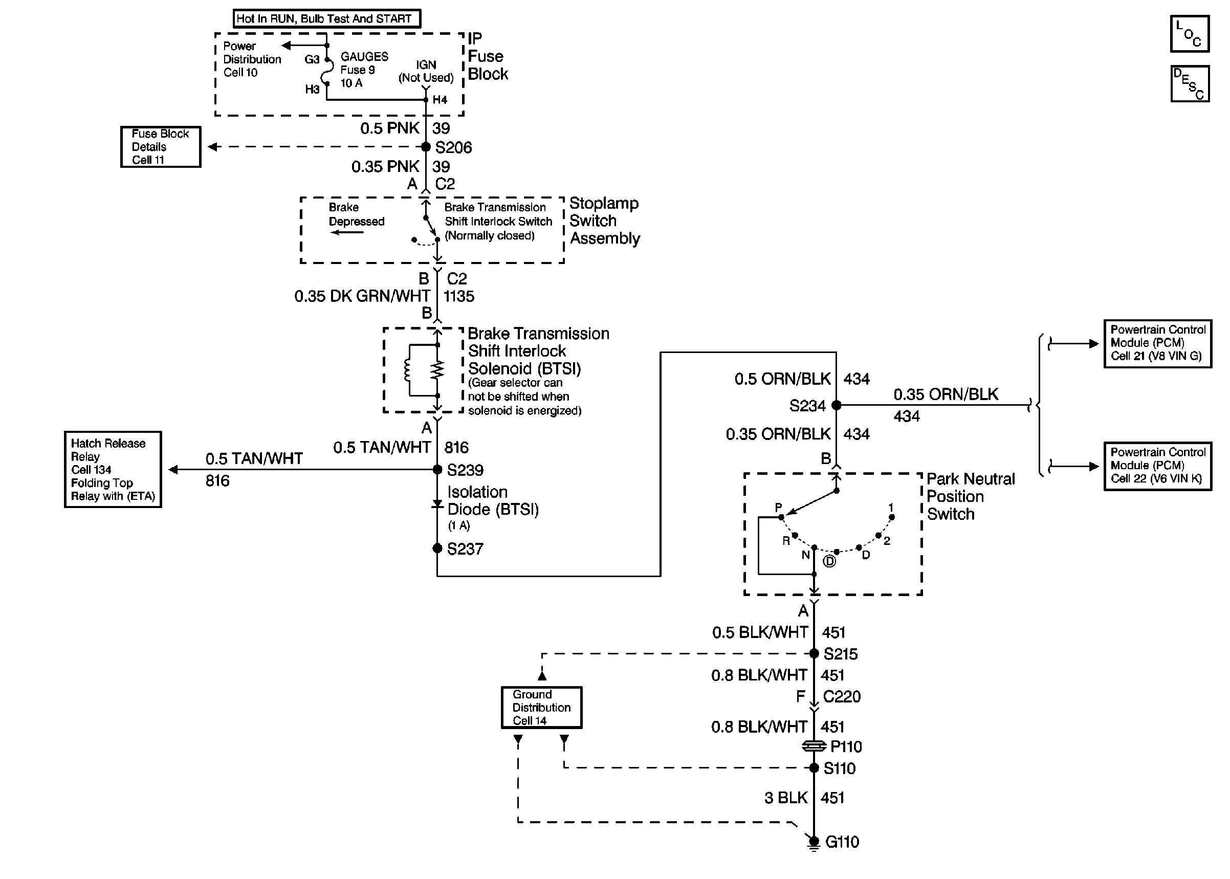
Automatic Transmission Shift Lock Control Circuit Description
Engine Controls Schematics
Engine Controls Schematics
Ground Distribution Schematics
Release Systems Schematics
Fuse Block Schematics
Power Distribution Schematics