GM Service Manual Online
For 1990-2009 cars only

Transmission Control Schematics

Figure 1:

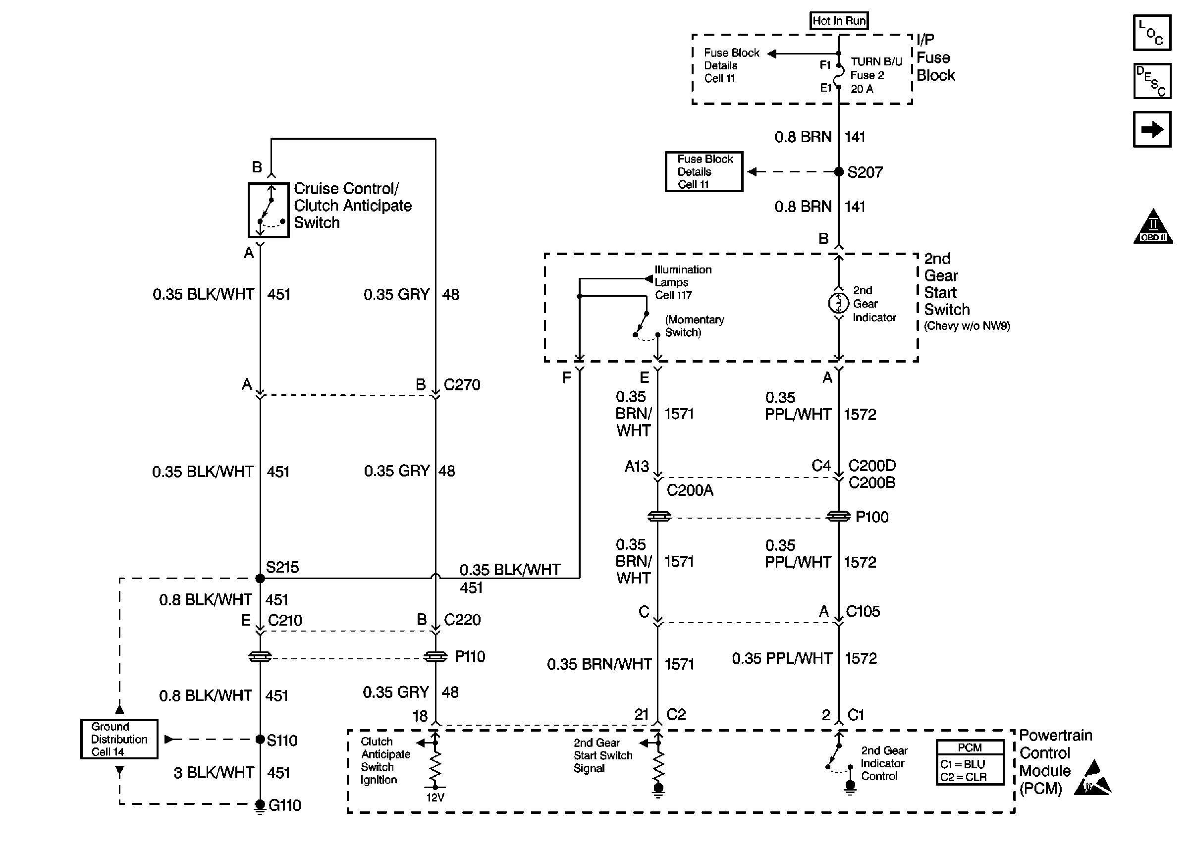
2nd Gear, Clutch Anticipated Switch


Object Number: 333277  Size: FS
Ignition Switch and IP Fuse Block
I/P Fuses 1, 2, 5 and 6
Automatic Transmission Components V6 VIN K
Transmission General Information
OBD II Symbol Description Notice
Instrument Panel Lamps
G110 V6 VIN K
Handling ESD Sensitive Parts Notice
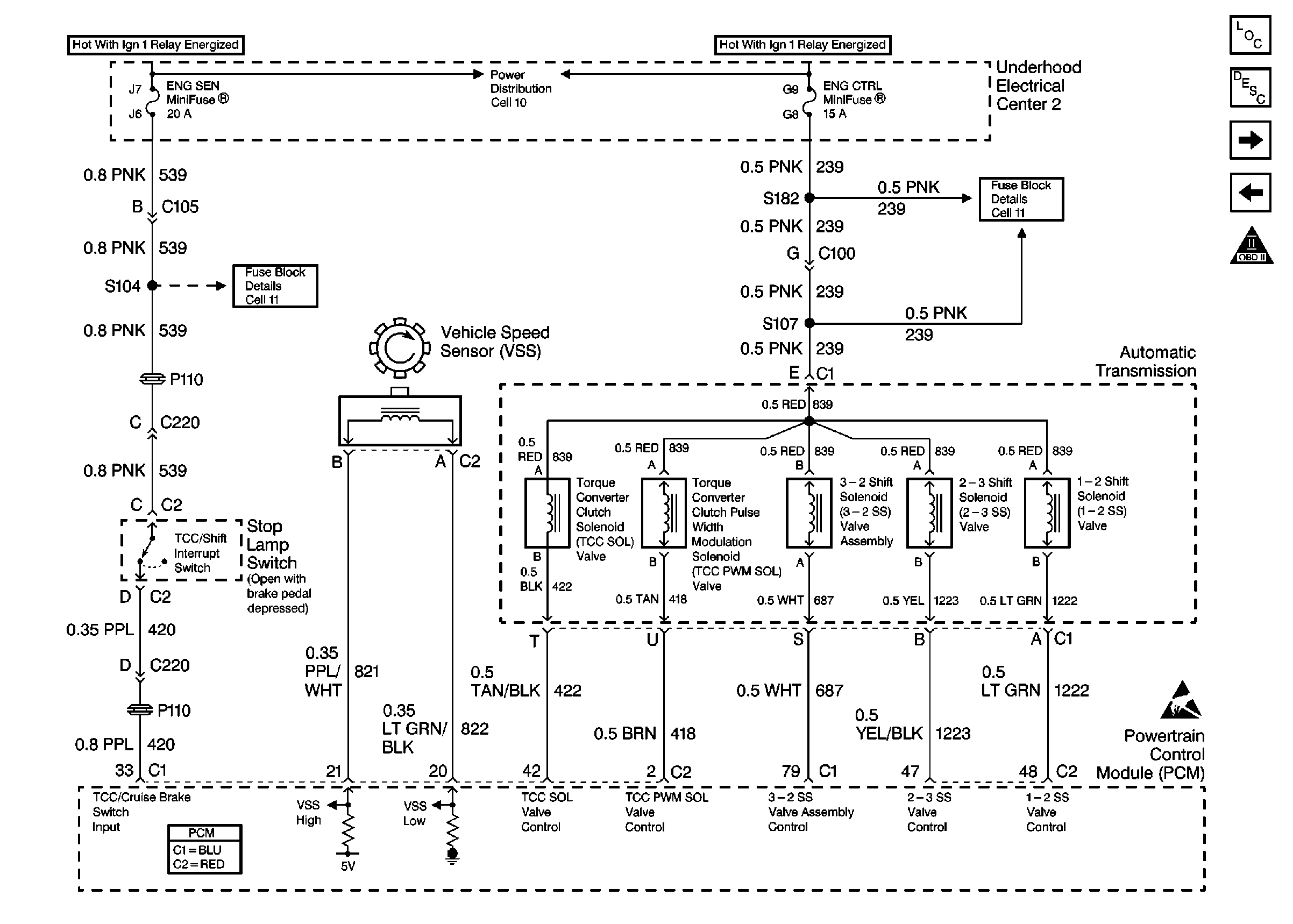
Brake Switch, TCC Solenoid
Figure 2:

Brake Switch, TCC Solenoid


Object Number: 333283  Size: FS
Ignition Switch and Underhood Electrical Center 2
U/H Center 2: ENG SEN Fuse
Handling ESD Sensitive Parts Notice
Ignition Switch and Underhood Electrical Center 2
Automatic Transmission Components V6 VIN K
Transmission General Information
Trans Range
2nd Gear, Clutch Anticipated Switch
OBD II Symbol Description Notice
U/H Center 2: ENG CTRL Fuse
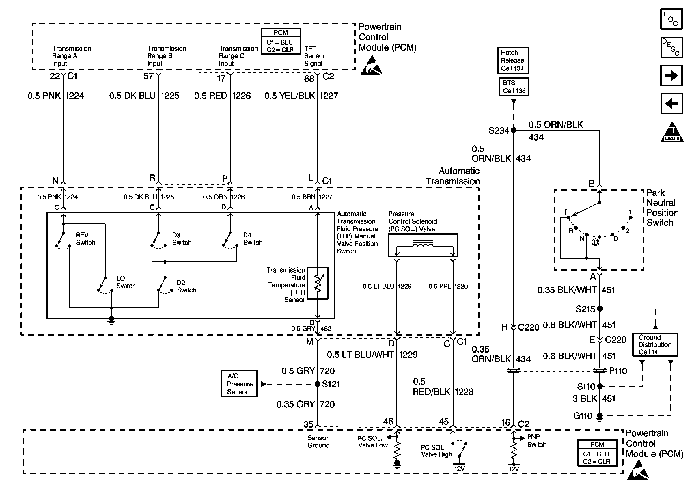
Figure 3:

Trans Range


Object Number: 333284  Size: FS
Handling ESD Sensitive Parts Notice
A/C HVAC Control
DRL Module, Park Brake Switch, and Park/Neutral Position Switch
Cell 138
Automatic Transmission Components V6 VIN K
Transmission General Information
Transmission Control
Brake Switch, TCC Solenoid
OBD II Symbol Description Notice
G110 V6 VIN K
Handling ESD Sensitive Parts Notice
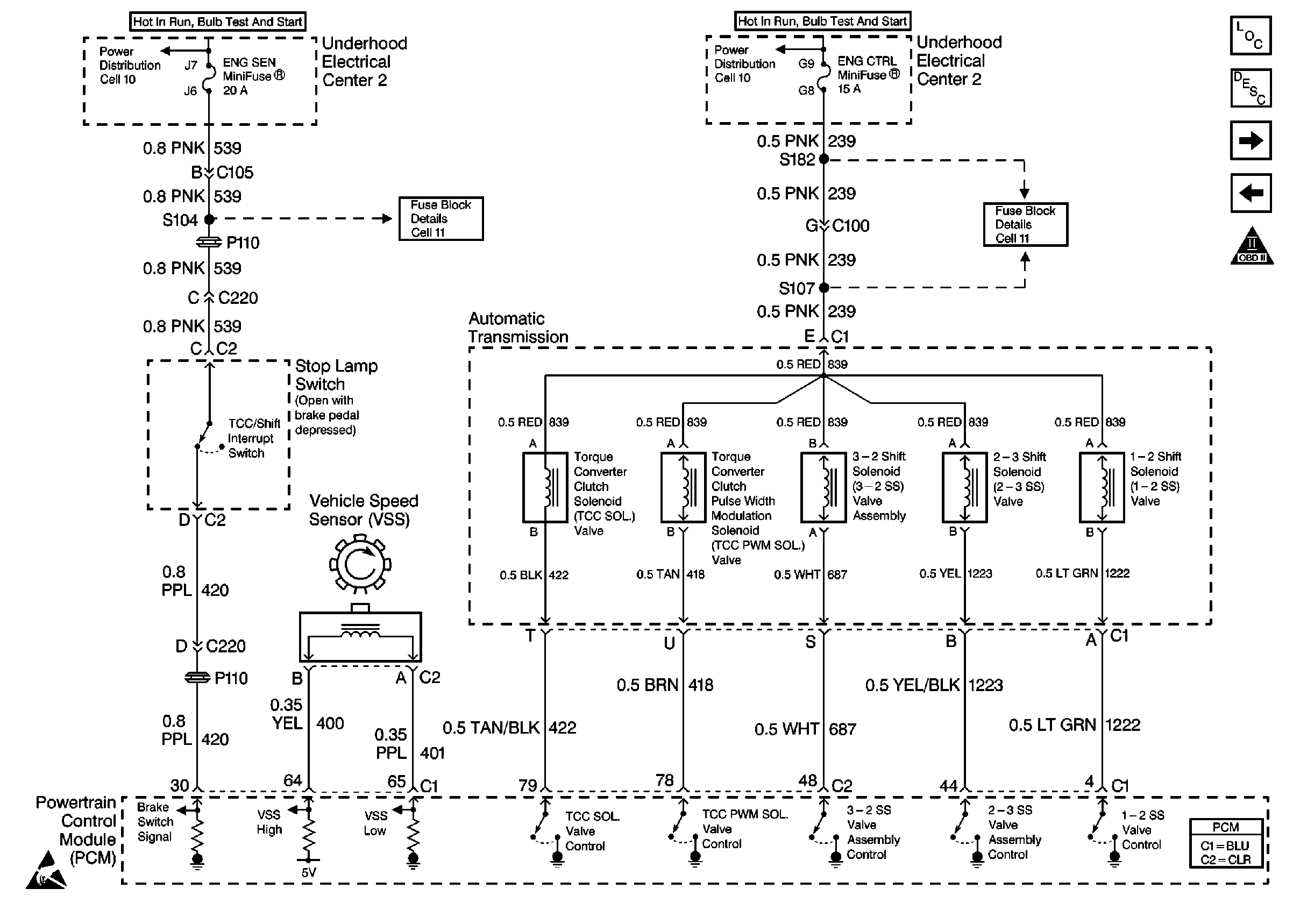
Figure 4:

Transmission Control


Object Number: 333286  Size: FS
Ignition Switch and Underhood Electrical Center 2
U/H Center 2: ENG SEN Fuse
Handling ESD Sensitive Parts Notice
U/H Center 2: ENG CTRL Fuse
Automatic Transmission Components V6 VIN K
Transmission General Information
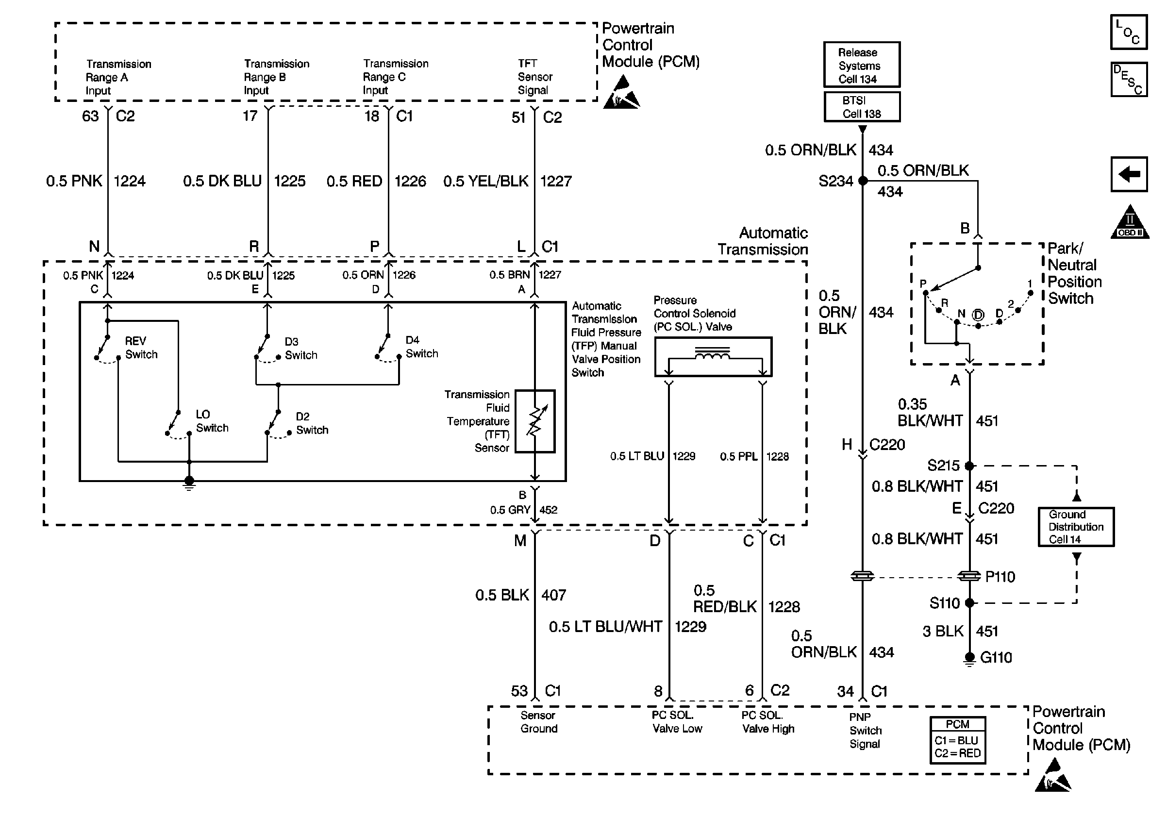
Transmission Controls
Trans Range
OBD II Symbol Description Notice
Figure 5:

Transmission Controls


Object Number: 333293  Size: FS
Handling ESD Sensitive Parts Notice
DRL Module, Park Brake Switch, and Park/Neutral Position Switch
Cell 138
Automatic Transmission Components V6 VIN K
Transmission General Information
Transmission Control
OBD II Symbol Description Notice
G110 V6 VIN K
Handling ESD Sensitive Parts Notice