GM Service Manual Online
For 1990-2009 cars only
Makes
🢒
Chevrolet
🢒
1999
🢒
Camaro
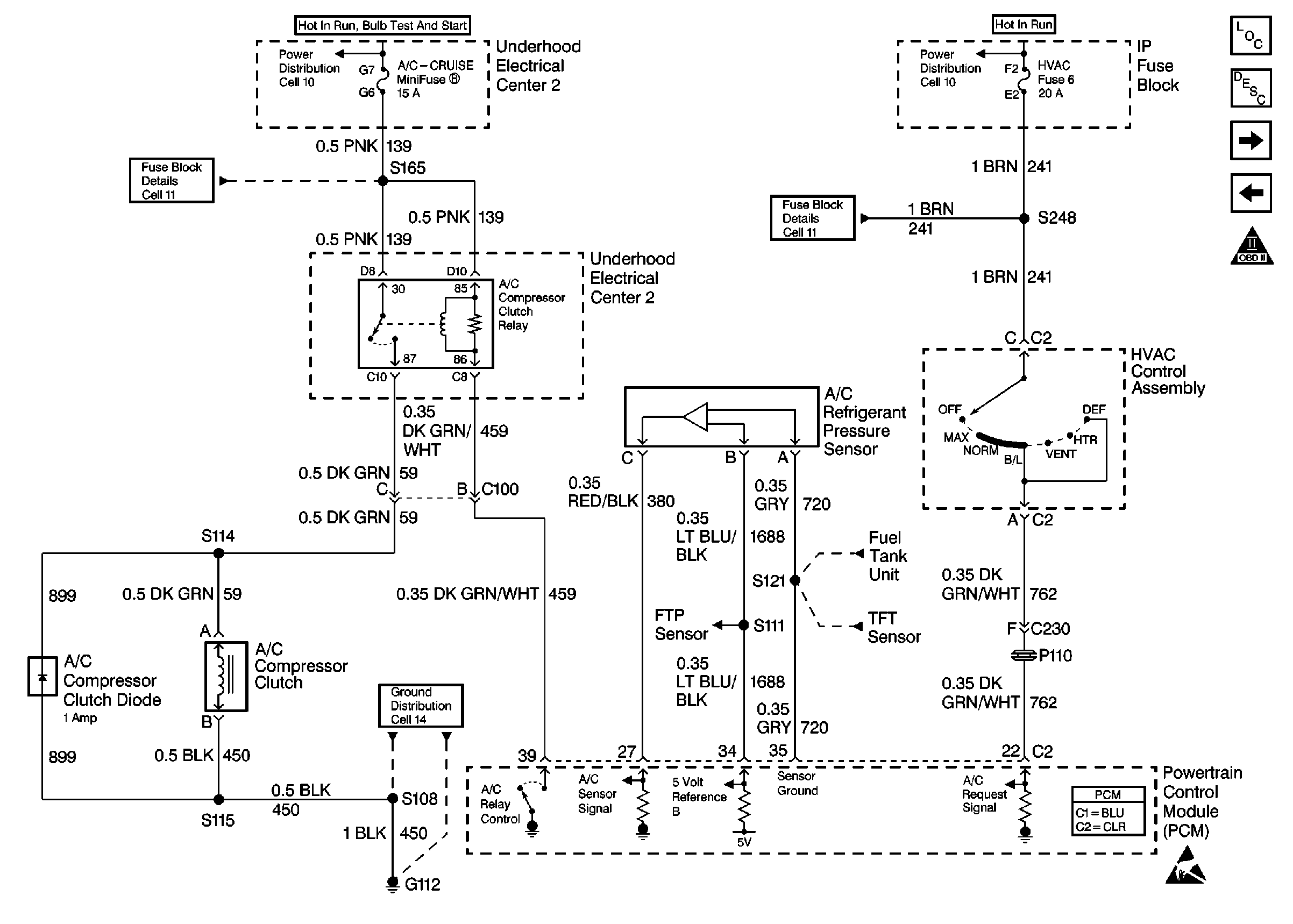
🢒 A/C HVAC Control
A/C HVAC Control
A/C HVAC Control
Engine Controls Components
Powertrain Control Module Description
OBD II Symbol Description Notice
Ignition Switch and Underhood Electrical Center 2
U/H Center 2: ETC and A/C Cruise Fuses
I/P Fuses 1, 2, 5 and 6
G112 V6 VIN K
Fuel Pump Controls
Fuel Pump Controls
Trans Range
Handling ESD Sensitive Parts Notice