GM Service Manual Online
For 1990-2009 cars only
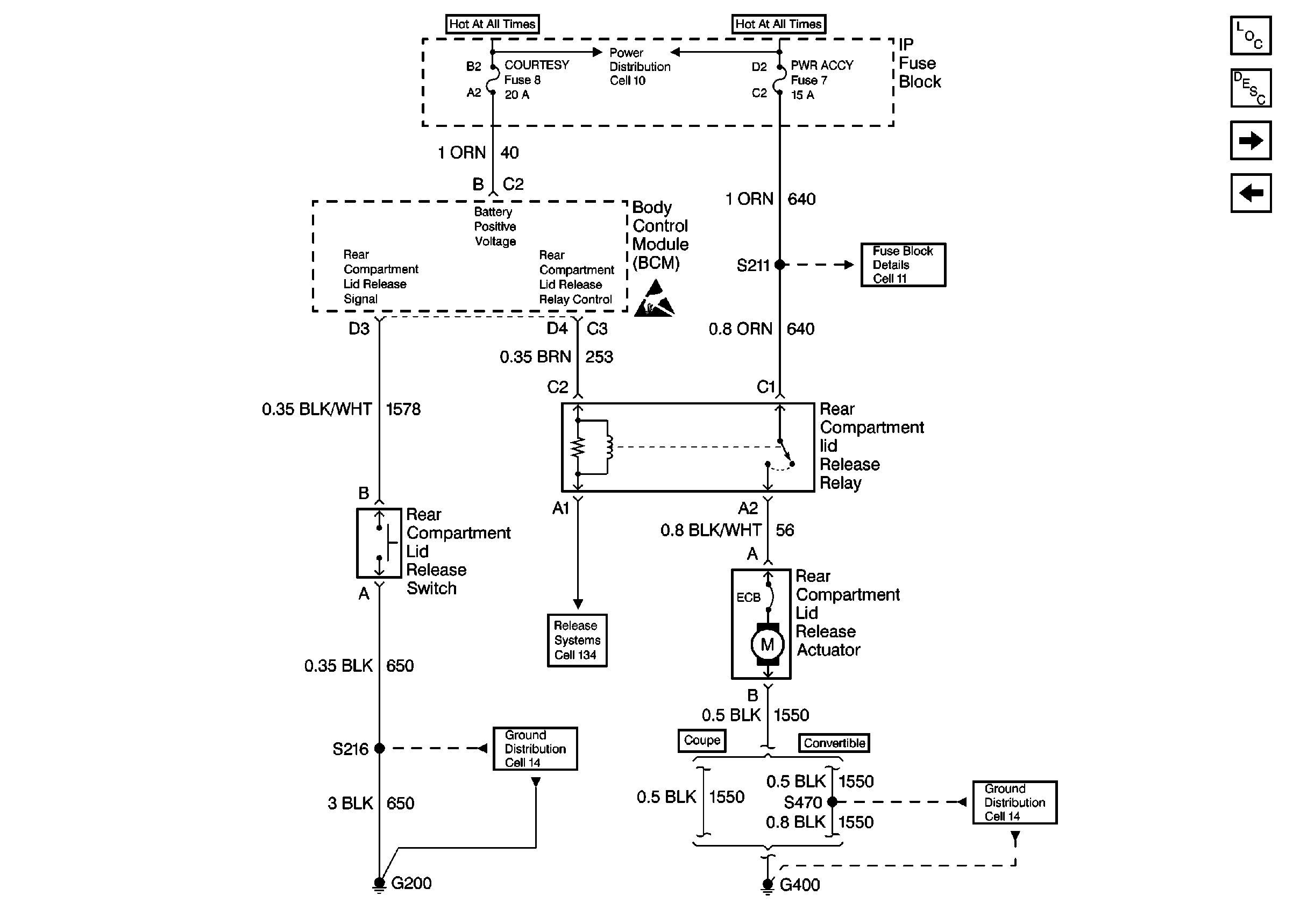
Figure 1:

Body Control Module and Side Door Lock Actuators


Object Number: 361833  Size: FS
Keyless Entry Components
Keyless Entry System Circuit Description
Body Control Module and Rear Compartment Lid Release Components
Fusible Links, IP Fuse Block, and Underhood Electrical Centers
Prior to VIN 2G1FP226XX2115914 (Chevrolet) or VIN 2G2FV22G8X2212143(Pontiac)
Handling ESD Sensitive Parts Notice
G200 Door Locks, Mirrors, Windows
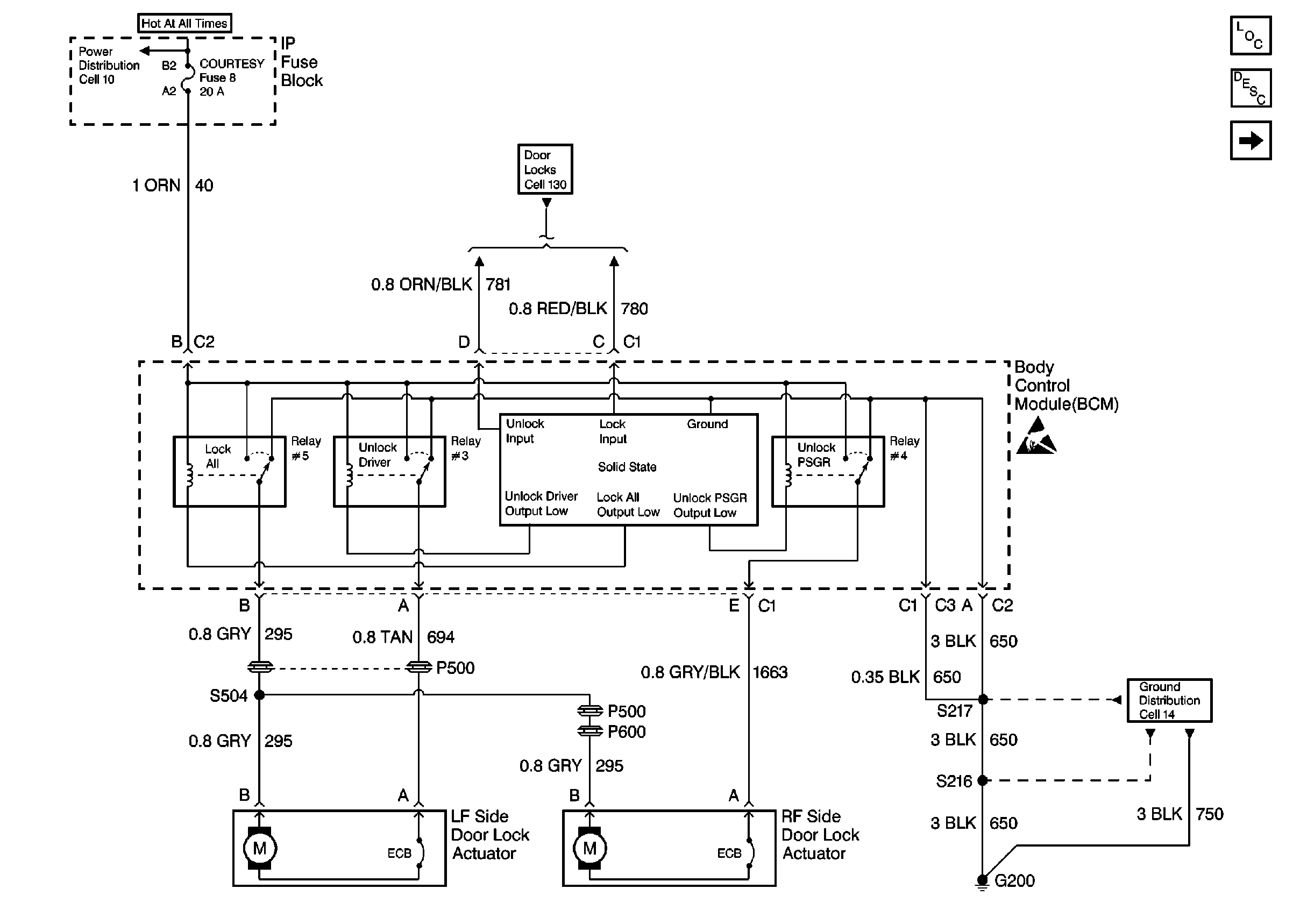
Figure 2:

Body Control Module and Rear Compartment Lid Release Components


Object Number: 361838  Size: FS
Keyless Entry Components
Keyless Entry System Circuit Description
Interior Lights
Body Control Module and Side Door Lock Actuators
Fusible Links, IP Fuse Block, and Underhood Electrical Centers
Handling ESD Sensitive Parts Notice
I/P Fuses 7, 9, 10 and 11
BCM and Rear Compartment Lid Release Components
G200 Door Locks, Mirrors, Windows
G112 V6 VIN K
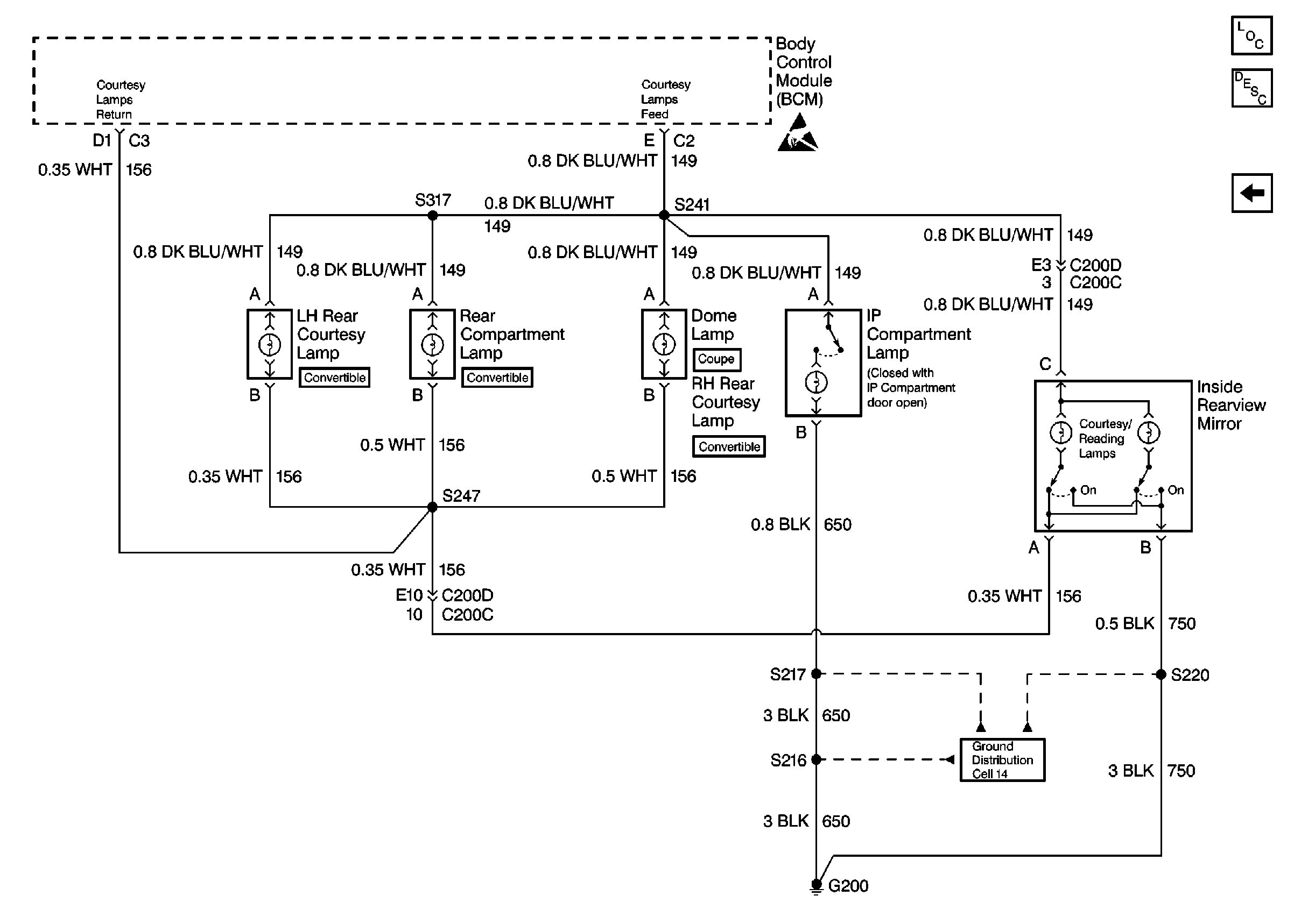
Figure 3:

Interior Lights


Object Number: 361841  Size: FS
Keyless Entry Components
Keyless Entry System Circuit Description
Body Control Module and Rear Compartment Lid Release Components
Handling ESD Sensitive Parts Notice
G200 Door Locks, Mirrors, Windows