GM Service Manual Online
For 1990-2009 cars only
Makes
🢒
Chevrolet
🢒
1999
🢒
Camaro
🢒 Cell 34: Instrument Cluster
Cell 34: Instrument Cluster
Cell 34: Instrument Cluster
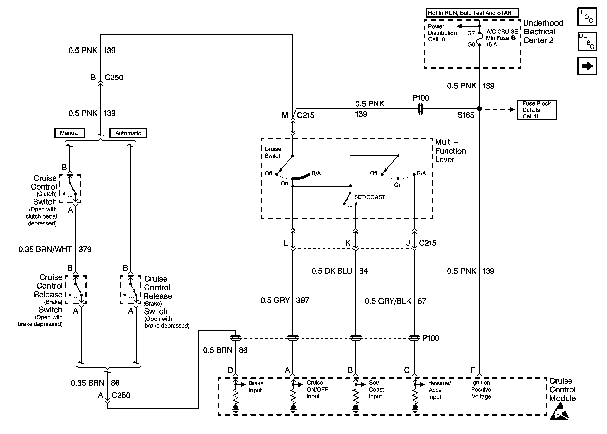
Cruise Control Components
Cruise Control System Circuit Description WO/ETC
Cell 34: PCM
Handling ESD Sensitive Parts Notice
Ignition Switch and Underhood Electrical Center 2
U/H Center 2: ETC and A/C Cruise Fuses