GM Service Manual Online
For 1990-2009 cars only
Makes
🢒
Chevrolet
🢒
1999
🢒
Camaro
🢒 Pontiac Cell 103
Pontiac Cell 103
Pontiac Cell 103
Fusible Links, IP Fuse Block, and Underhood Electrical Centers
Park/Turnlamps, Foglamps Relay, Side Marker Lamps Cell 110
Headlamp and IP Dimmer Switches
Lighting Systems Components
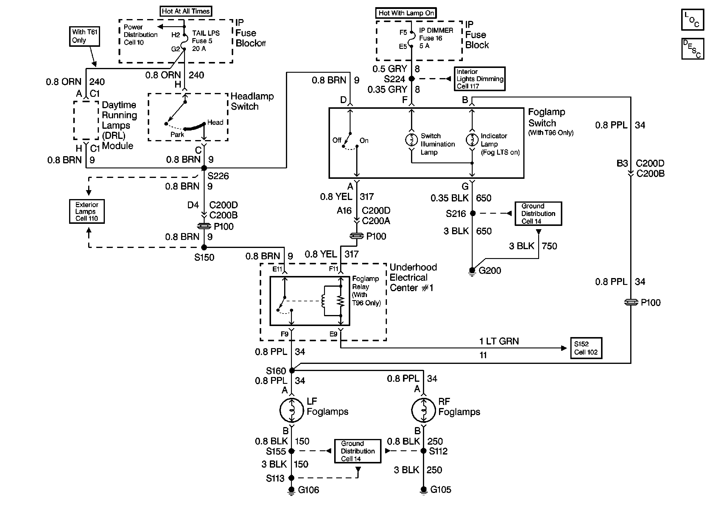
Fog Lights Circuit Description
G200 Door Locks, Mirrors, Windows
Pontiac: Headlamps Cell 102
G105