GM Service Manual Online
For 1990-2009 cars only
Makes
🢒
Chevrolet
🢒
1999
🢒
Camaro
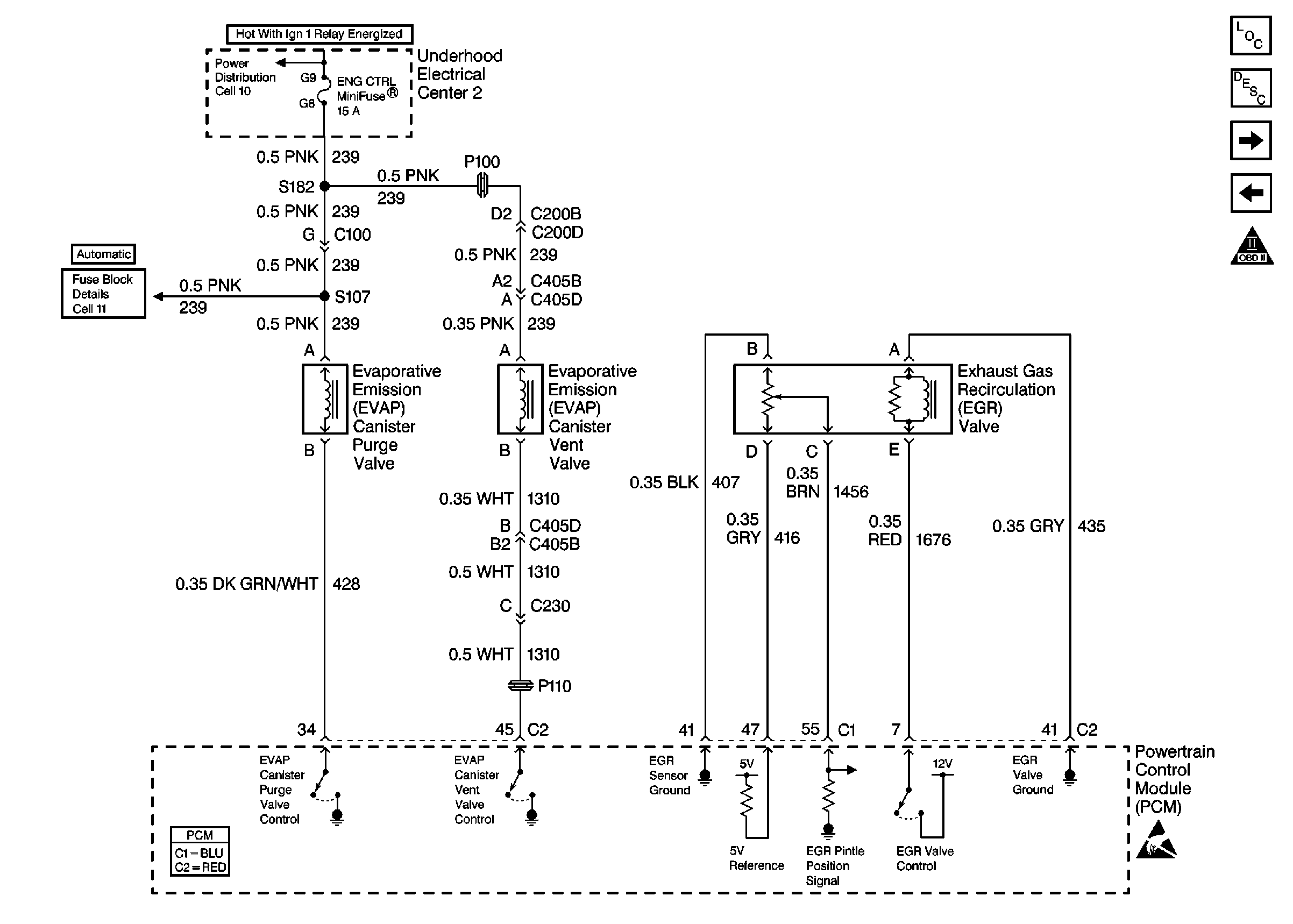
🢒 EVAP and EGR
EVAP and EGR
EVAP and EGR
Engine Controls Components
Exhaust Gas Recirculation (EGR) System Description
Oil Level, ETC, Cruise Control and Generator
TCS Retard Signal, VSS Output and VSS Signal
OBD II Symbol Description Notice
Ignition Switch and Underhood Electrical Center 2
U/H Center 2: ENG CTRL Fuse
Handling ESD Sensitive Parts Notice
Powertrain Control Module Connector End Views