GM Service Manual Online
For 1990-2009 cars only

Refer to

Fuel Pump Controls


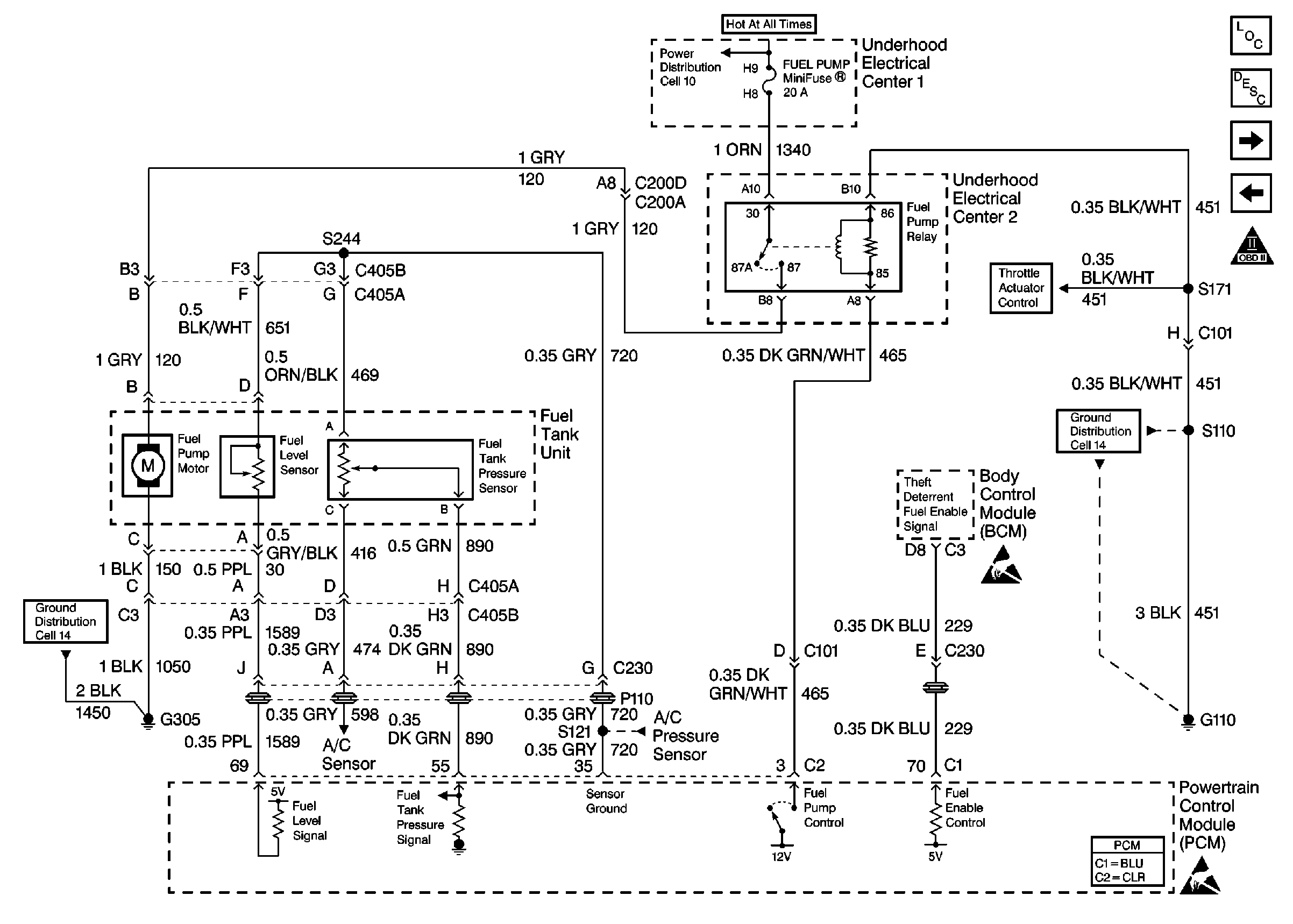
Object Number: 333194  Size: FS
Engine Controls Components
Powertrain Control Module Description
Fuel Injectors
Power, Ground and MIL
OBD II Symbol Description Notice
Fusible Links, IP Fuse Block, and Underhood Electrical Centers
Ground for TAC Module
G110 V6 VIN K
Handling ESD Sensitive Parts Notice
Handling ESD Sensitive Parts Notice
G305, G310, G320
A/C HVAC Control
A/C HVAC Control
.

Circuit Description

The Fuel Level Sensor changes resistance based on fuel level. The Fuel Level Sensor has a signal circuit and a ground circuit. The PCM applies a voltage (about 5.0 volts) on the signal circuit to the sensor. The PCM monitors changes in this voltage caused by changes in the resistance of the sensor to determine fuel level.

When the fuel tank is full, the sensor resistance is high, and the PCM's signal voltage is only pulled down a small amount through the sensor to ground. Therefore, the PCM will sense a high signal voltage (fuel tank full). When the fuel tank is empty, the sensor resistance is low, and the signal voltage is pulled down a greater amount. This causes the PCM to sense a low signal voltage (fuel tank empty).

The PCM uses inputs from the Fuel Level Sensor to calculate the total fuel remaining in the fuel tank. This information is then sent to the fuel gauge.

This DTC sets when the PCM senses a signal voltage higher than the normal operating range of the sensor.

Conditions for Running the DTC

The ignition switch is in the RUN position.

Conditions for Setting the DTC

    • The Fuel Level Sensor voltage is above 2.9 volts.
    • The condition present for 6.0 minutes.

Action Taken When the DTC Sets

    • The PCM stores the DTC information into memory when the diagnostic runs and fails.
    • The Malfunction Indicator Lamp (MIL) will not illuminate.
    • The PCM records the operating conditions at the time the diagnostic fails. The PCM stores this information in the Failure Records.

Conditions for Clearing the MIL/DTC

    • A History DTC will clear after forty consecutive warm-up cycles, if no failures are reported by this or any other non-emission related diagnostic.
    • A last test failed (Current DTC) will clear when the diagnostic runs and does not fail.
    • Use a scan tool in order to clear the MIL/DTC.

Diagnostic Aids

The vehicle fuel gauge displays empty with this DTC set.

Using Freeze Frame and/or Failure Records data may aid in locating an intermittent condition. If you cannot duplicate the DTC, the information included in the Freeze Frame and/or Failure Records data can aid in determining how many miles since the DTC set. The Fail Counter and Pass Counter can also aid determining how many ignition cycles the diagnostic reported a pass and/or a fail. Operate the vehicle within the same freeze frame conditions (RPM, load, vehicle speed, temperature etc.) that you observed. This will isolate when the DTC failed.

Test Description

The numbers below refer to the step numbers on the Diagnostic Table.

  1. This step determines if the fault is present.

  2. Using the Freeze Frame and/or Failure Records data may aid in locating an intermittent condition. If you cannot duplicate the DTC, the information included in the Freeze Frame and/or Failure Records data can help determine how many miles since the DTC set. The Fail Counter and Pass Counter can also help determine how many ignition cycles the diagnostic reported a pass and/or a fail. Operate the vehicle within the same freeze frame conditions (RPM, load, vehicle speed, temperature etc.) that you observed. This will isolate when the DTC failed. For an intermittent condition, refer to Symptoms .

  3. Inspect the fuel sender pigtail for damage, if damage is found on the pigtail outside of the tank repair as necessary before replacing the sender. Refer to Wiring Repairs in Body and Accessories.

  4. Inspect for proper terminal tension/connections at the PCM harness for all connections before replacing the PCM.

Step

Action

Value(s)

Yes

No

1

Did you perform the Powertrain On-Board Diagnostic (OBD) System Check?

--

Go to Step 2

Go to Powertrain On Board Diagnostic (OBD) System Check

2

  1. Install the scan tool.
  2. Turn ON the ignition leaving the engine OFF.
  3. Monitor the Fuel Level sensor display on the scan tool.

Is the Fuel Level Sensor above the specified value?

100%

Go to Step 4

Go to Step 3

3

  1. Turn ON the ignition leaving the engine OFF.
  2. Review the Freeze Frame and/or Failure Records data for this DTC and observe the parameters.
  3. Turn OFF the ignition for 15 seconds.
  4. Start the engine.
  5. Operate the vehicle within the conditions required for this diagnostic to run, and as close to the conditions recorded in Freeze Frame and/or Failure Records as possible. Special operating conditions that you need to meet before the PCM will run this diagnostic, where applicable, are listed in Conditions for Running the DTC.
  6. Select the Diagnostic Trouble Code (DTC) option and the Specific DTC option, then enter the DTC number using the scan tool.

Does the scan tool indicate that this diagnostic failed this ignition?

--

Go to Step 4

Go to Diagnostic Aids

4

  1. Disconnect the fuel level electrical connector.
  2. Probe the fuel level signal circuit with a J 39200 Digital Multimeter connected to ground.

Is the voltage below the specified value?

5.5V

Go to Step 5

Go to Step 7

5

  1. Disconnect the Fuel Level electrical connector.
  2. Jumper the Fuel Level sensor harness terminals together.
  3. Observe the Fuel Level sensor parameter on the scan tool.

Is the Fuel Level sensor voltage below the specified value?

100%

Go to Step 11

Go to Step 6

6

Jumper the Fuel Level sensor signal circuit to a known good ground.

Is the Fuel Level sensor voltage below the specified value?

100%

Go to Step 10

Go to Step 8

7

  1. Disconnect the PCM electrical connector.
  2. check the signal circuit for a short to voltage.

Is the signal circuit shorted to voltage?

--

Go to Step 9

Go to Step 14

8

  1. Turn OFF the ignition.
  2. Disconnect the PCM connector located on the same side as the manufacturers logo. Refer to Powertrain Control Module Replacement/Programming .
  3. Check the Fuel Level sensor signal circuit for an open.

Is the Fuel Level sensor signal circuit open?

--

Go to Step 9

Go to Step 13

9

Repair the Fuel Level sensor signal circuit. Refer to Wiring Repairs in Body and Accessories.

Is the action complete?

--

Go to Step 15

--

10

  1. Turn OFF the ignition.
  2. Disconnect the PCM connector. Refer to Powertrain Control Module Replacement/Programming .
  3. Check the Fuel Level sensor ground circuit for an open.

Is the Fuel Level sensor ground circuit open?

--

Go to Step 12

Go to Step 13

11

Replace the Fuel Level sensor. Refer to Fuel Level Sensor Replacement .

Is the action complete?

--

Go to Step 15

--

12

Repair the Fuel Level sensor ground circuit. Refer to Wiring Repairs in Body and Accessories.

Is the action complete?

--

Go to Step 15

--

13

  1. Check the terminal contact at the PCM. Refer to Wiring Repairs in Body and Accessories.
  2. If you find a problem, repair the problem as necessary.

Did you find and correct the condition?

--

Go to Step 15

Go to Step 14

14

Important:: 

  1. Program the replacement PCM. Refer to Powertrain Control Module Replacement/Programming .
  2. Perform the Crankshaft Position System Variation Learn .

Replace the PCM.

Is the action complete?

--

Go to Step 15

--

15

  1. Select the Diagnostic Trouble Code (DTC) option and the Clear DTC Information option using the scan tool.
  2. Idle the engine at the normal operating temperature.
  3. Select the Diagnostic Trouble Code (DTC) option and the Specific DTC option, then enter the DTC number using the scan tool.
  4. Operate the vehicle within the Conditions for Running the DTC as specified in the supporting text, if applicable.

Does the scan tool indicate that this test ran and passed?

--

Go to Step 16

Go to Step 2

16

Select the Capture Info option and the Review Info option using the scan tool.

Does the scan tool display any DTCs that you have not diagnosed?

--

Go to the applicable DTC

System OK