GM Service Manual Online
For 1990-2009 cars only

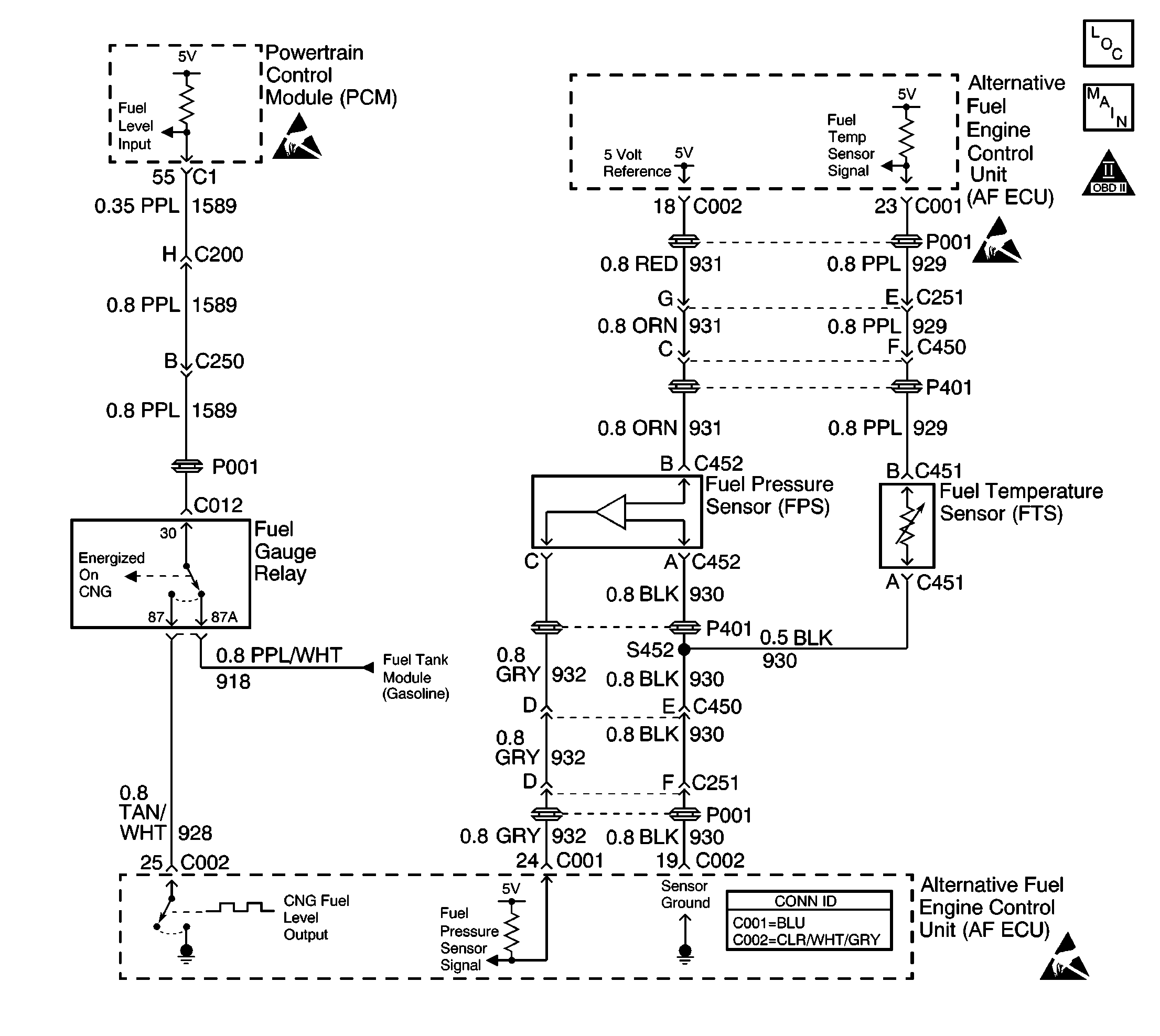
Object Number: 621498  Size: LF
Engine Controls Component Views
Engine Controls Schematics
OBD II Symbol Description Notice
Handling ESD Sensitive Parts Notice
Handling ESD Sensitive Parts Notice
Handling ESD Sensitive Parts Notice

Circuit Description

The CNG fuel gauge system contains the following components:

    • fuel pressure sensor (FPS)
    • fuel temperature sensor (FTS)
    • pulse width modulated (PWM) output circuit
    • the dash mounted fuel gauge

The AF ECU monitors the fuel pressure and fuel temperature in the CNG fuel tank. Since CNG is a gas it's volume varies with pressure and temperature. In order to display an accurate fuel gauge reading the AF ECU will perform a calculation based upon fuel pressure and temperature and determine the correct amount of fuel remaining in the fuel tank. The AF ECU converts the calculated fuel level into a PWM signal that is monitored by the PCM. The PCM sends the fuel level information to the instrument panel fuel gauge using the Class 2 serial data circuit..

Diagnostic Aids

Passenger vehicles have a filtered fuel level display, depress the fuel gauge select switch 30 seconds after the vehicle speed sensor indicates the vehicle is at rest in order to avoid inaccurate gauge displays.

Test Description

The number(s) below refer to the step number(s) on the diagnostic table.

  1. The other diagnostic procedure MUST be performed before proceeding with this diagnostic table. Failure to perform the diagnosis in the proper order will result in mis-diagnosis.

  2. This step checks for an accurate FTS. An inaccurate FTS may cause an inaccurate CNG Fuel gauge reading.

    If a large difference between temperatures is observed allow the underhood and fuel tank temperatures to stabilize by not operating the vehicle for several hours with the hood raised. Repeat this step after temperatures have stabilized before proceeding with the diagnosis.

  3. This step checks for an accurate FPS. An inaccurate FPS may indicate pressure when the tank is empty or an empty tank when there is sufficient pressure. Either condition would cause an Unwanted Switch to Gasoline.

  4. This step checks for the proper fuel gauge reading based upon fuel pressure and temperature.

  5. This step checks if the AF ECU and the fuel gauge relay are commanding the correct fuel gauge reading.

  6. This step checks for a Fuel Pressure Sensor Signal circuit that is shorted to ground.

  7. This step checks the 5 volt reference circuit for proper voltage.

  8. This step checks the Fuel Pressure Sensor Signal circuit and the AF ECU for proper operation.

  9. This step checks for an open FPS Sensor Ground circuit.

  10. This step checks the Fuel Temperature Sensor Signal circuit.

  11. This step checks the Fuel Temperature Sensor Signal circuit and the AF ECU for proper operation.

Step

Action

Value(s)

Yes

No

1

Did you perform the Fuel Gauge Selector Switch/Fuel Indicator Lamp Diagnosis and the Fuel Gauge Relay Diagnosis before starting this diagnostic procedure?

--

Go to Step 2

Go to Fuel Gauge Selector Switch/Fuel Indicator Lamp Diagnosis

2

Important: Fast-filling the CNG fuel tank causes the fuel to heat-up and expand.

The fuel temperature may remain hotter than the ambient (IAT) temperature for up to 3 hours after filling.

  1. Communicate with the AF ECU using a scan tool and observe the engine data parameters.
  2. Compare the Fuel Temperature Sensor (FTS) scan tool parameter value to the Intake Air Temperature (IAT) scan tool parameter value.

Does each sensor indicate the same temperature plus or minus the range specified?

20°C (35°F)

Go to Step 3

Go to Step 10

3

Important: Fast-filling the CNG fuel tank causes the fuel to heat-up and expand.

The fuel tank pressure may DECREASE by up to 800 psi within three hours of filling.

  1. Communicate with the AF ECU using a scan tool and observe the Fuel Pressure Sensor data parameters.
  2. Verify the amount of CNG fuel pressure in the fuel tank by filling the CNG fuel tank at a CNG dispensing station.
  3. Observe the scan tool data parameter while filling the CNG fuel tank.

  4. Observe the CNG dispenser pressure gauge reading.
  5. Compare the dispenser pressure gauge reading to the Fuel Pressure Sensor (FPS) scan tool parameter value.

Is the FPS accurately indicating fuel tank pressure?

--

Go to Step 4

Go to Step 6

4

  1. Using the CNG Temperature Versus Percent Full and PWM Output specifications table determine the expected fuel gauge percentage.
  2. Compare the expected fuel gauge percentage to the actual fuel gauge reading.

Is the fuel gauge displaying the expected percentage of fuel?

--

Go to Alternative Fuels (AF) Powertrain On Board (OBD) System Check

Go to Step 5

5

  1. Backprobe the Fuel Gauge circuit at the fuel gauge relay connector terminal (30) with the J 39200 DMM connected to ground.
  2. Measure the Pulse Width Modulated (PWM) signal.
  3. Using the CNG Temperature Versus Percent Full and PWM Output specifications table determine the expected fuel gauge PWM signal.
  4. Compare the expected PWM signal to the actual PWM signal.

Is the measured PWM signal the same as the expected PWM signal?

--

Go to Step 13

Go To Step 14

6

  1. Turn the ignition OFF.
  2. Remove the fuel tank cover. Refer to Fuel Tank Cover Replacement .
  3. Disconnect the FPS connector (C452).
  4. Turn the ignition ON leaving the engine OFF. An FPS DTC may set. Clear this DTC after diagnosis is complete.
  5. Communicate with the AF ECU using a scan tool.
  6. Observe the Fuel Pressure Sensor data parameter on the scan tool.

Is the voltage greater than the specified voltage?

4.9 V

Go to Step 7

Go to Step 15

7

  1. Connect the J 39200 DMM between the FPS 5 volt reference circuit terminal (B) and a known good ground.
  2. Measure the voltage of the 5 volt reference circuit.

Is the voltage WITHIN the specified voltage range?

4.7-5.2V

Go to Step 8

Go to Step 16

8

  1. Remove the DMM.
  2. Using a fused jumper connect the Fuel Pressure Sensor Signal circuit terminal (C) to the Fuel Pressure Sensor Ground circuit terminal (A).
  3. If the jumper fuse opens repair the short to voltage on the signal circuit.

  4. Observe the Fuel Pressure Sensor data parameter on the scan tool.

Is the Fuel Pressure Sensor voltage displayed on the scan tool LESS than the specified voltage?

0.20V

Go to Step 19

Go to Step 9

9

Probe the Sensor Ground circuit terminal (A) using the J 35616-200 Un-powered Test Lamp connected to BATTERY POSITIVE.

Is the test lamp illuminated?

--

Go to Step 17

Go to Step 18

10

  1. Turn the ignition OFF.
  2. Remove the fuel tank cover. Refer to Fuel Tank Cover Replacement .
  3. Disconnect the FTS connector (C451).
  4. Turn the ignition ON leaving the engine OFF.
  5. Communicate with the AF ECU using a scan tool.
  6. Observe the Fuel Temperature Sensor data parameter on the scan tool.

Is the Fuel Temperature Sensor voltage GREATER than the specified voltage?

4.9V

Go to Step 11

Go to Step 15

11

  1. Using a fused jumper connect the Fuel Temperature Sensor Signal circuit terminal (B) to the Sensor Ground circuit terminal (A).
  2. If the jumper fuse opens repair the short to voltage on the signal circuit.

  3. Observe the Fuel Temperature Sensor data parameter on the scan tool.

Is the Fuel Temperature Sensor voltage displayed on the scan tool LESS than the specified voltage?

0.20V

Go to Step 20

Go to Step 12

12

Probe the Sensor Ground circuit terminal (A) using the J 35616-200 Un-powered Test Lamp connected to BATTERY POSITIVE.

Is the test lamp illuminated?

--

Go to Step 17

Go to Step 18

13

  1. Check the Fuel Gauge circuit between the relay connector terminal and the PCM connector terminal for the following:
  2. • high resistance
    • poor terminal contact
    • opens
    • shorts
  3. Repair circuit or terminals as necessary.

Was a circuit or terminal repair made?

--

Go to Step 22

Go to Diagnostic System Check - Instrument Cluster in Body and Accessories

14

  1. Check the Fuel Gauge circuit between the relay connector terminal and the AF ECU connector terminal for the following:
  2. • high resistance
    • ensure the relay contact resistance is checked with the relay energized
    • poor terminal contact
    • opens
    • shorts
  3. Repair circuit or terminals as necessary.

Was a circuit or terminal repair made?

--

Go to Step 22

Go to Step 21

15

  1. Check the signal circuit for a short to ground.
  2. Repair circuit as necessary.

Was a circuit repair made?

--

Go to Step 22

Go to Step 21

16

  1. Check the 5 volt reference circuit for the following:
  2. • a short to voltage (greater than 5.2 volts)
    • an open or high resistance (less than 4.7 volts)
    • a short to ground (less than 4.7 volts)
  3. Repair circuit as necessary.

Was a circuit repair made?

--

Go to Step 22

Go to Step 21

17

  1. Check the signal circuit for an open circuit, high resistance or poor terminal contact.
  2. Repair circuit or terminals as necessary.

Was a circuit or terminal repair made?

--

Go to Step 22

Go to Step 21

18

  1. Check the sensor ground circuit for an open circuit, high resistance or poor terminal contact.
  2. Repair circuit or terminals as necessary.

Was a circuit or terminal repair made?

--

Go to Step 22

Go to Step 21

19

Replace the Fuel Pressure Sensor. Refer to Fuel Pressure Sensor Replacement .

Is the replacement complete?

--

Go to Step 22

--

20

Replace the fuel temperature sensor (FTS). The fuel temperature sensor is NOT serviceable separately from the HPL. Refer to High Pressure Lock-Off Solenoid Replacement .

Is the replacement complete?

--

Go to Step 22

--

21

  1. Replace the AF ECU. Refer to Engine Control Unit Replacement .
  2. Program (flash) the replacement control module with the correct vehicle software and calibration.

Is the replacement complete?

--

Go to Step 22

--

22

  1. Remove all test equipment except the scan tool.
  2. Connect any dis-connected components, fuses, etc.
  3. Using a scan tool clear DTC Information from the AF ECU and the gasoline control module (VCM/PCM or ECM).
  4. Turn the ignition OFF and wait 30 seconds.
  5. Start the engine and operate the vehicle.
  6. Observe the fuel indicator lamp and the MIL.
  7. Observe vehicle performance and driveability.
  8. After operating the vehicle inspect BOTH control modules for stored DTCs.

Does the vehicle operate on CNG with normal driveability, no FIL/MIL illumination and no stored DTCs?

--

System OK

Go to Alternative Fuels (AF) Powertrain On Board (OBD) System Check