GM Service Manual Online
For 1990-2009 cars only
Figure 1:

Cell 20: Data Link Connector, PCM and SERVICE ENGINE SOON Indicator


Object Number: 242973  Size: FS
Engine Controls Components
Cell 20: DI Control Module, Ignition Coil, Knock Sensor and Module, PCM and Tachometer
Handling ESD Sensitive Parts Notice
Figure 2:

Cell 20: DI Control Module, Ignition Coil, Knock Sensor and Module, PCM and Tachometer


Object Number: 242977  Size: FS
Engine Controls Components
Cell 20: Engine Speed Governor Module and Motor, Fuel Injectors, IGN Relay and PCM
Cell 20: Data Link Connector, PCM and SERVICE ENGINE SOON Indicator
Handling ESD Sensitive Parts Notice
Engine Controls Schematic Icons
Figure 3:

Cell 20: Engine Speed Governor Module and Motor, Fuel Injectors, IGN Relay and PCM


Object Number: 242980  Size: FS
Engine Controls Components
Cell 20: EOP Gauge Sensor, Fuel Pump and Relay and PCM
Cell 20: DI Control Module, Ignition Coil, Knock Sensor and Module, PCM and Tachometer
Handling ESD Sensitive Parts Notice
Figure 4:

Cell 20: EOP Gauge Sensor, Fuel Pump and Relay and PCM


Object Number: 242984  Size: FS
Engine Controls Components
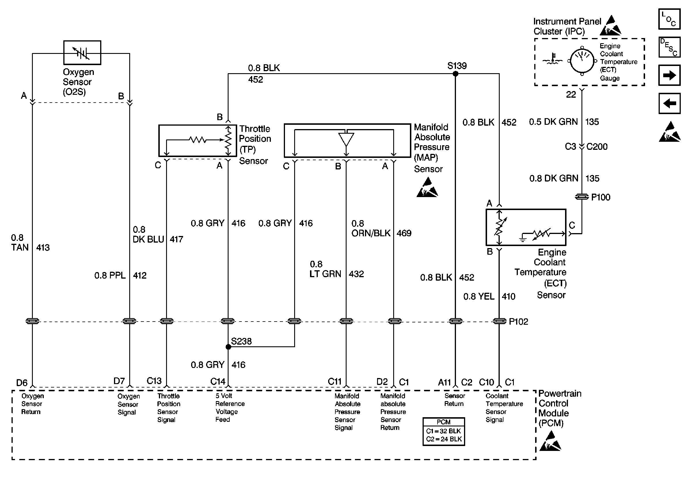
Cell 20: ECT Gauge and Sensor, MAP, O2 and TP Sensors, PCM
Cell 20: Engine Speed Governor Module and Motor, Fuel Injectors, IGN Relay and PCM
Handling ESD Sensitive Parts Notice
Figure 5:

Cell 20: ECT Gauge and Sensor, MAP, O2 and TP Sensors, PCM


Object Number: 242988  Size: FS
Engine Controls Components
Cell 20: Idle Air Control (IAC) Valve, Speedo Adapter, Speedometer, PCM and VSS
Cell 20: EOP Gauge Sensor, Fuel Pump and Relay and PCM
Handling ESD Sensitive Parts Notice
Engine Controls Schematic Icons
Figure 6:

Cell 20: Idle Air Control (IAC) Valve, Speedo Adapter, Speedometer, PCM and VSS


Object Number: 242990  Size: FS
Engine Controls Components
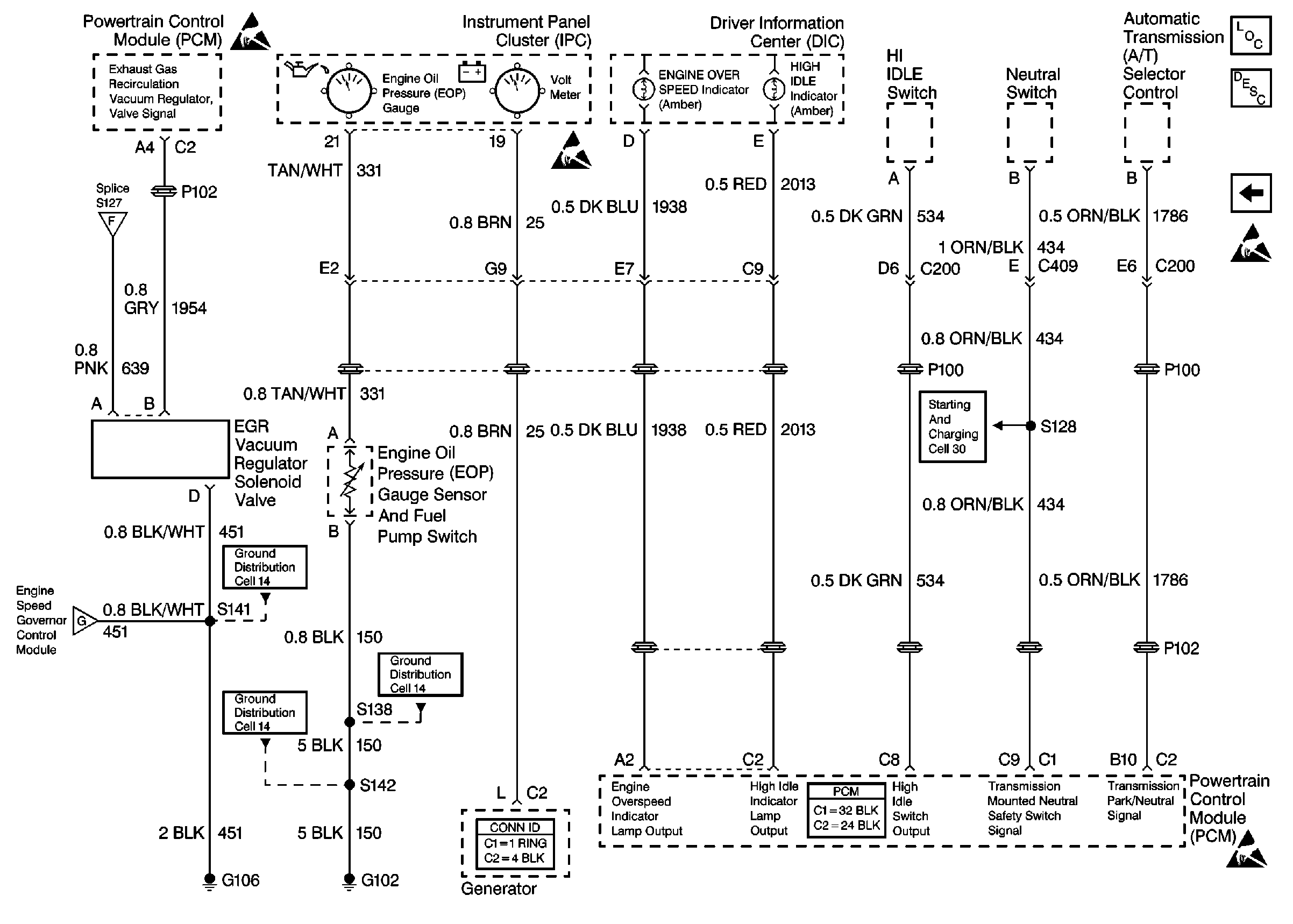
Cell 20: EGR, EOP Gauge and Sensor, Indicators, PCM, HI IDLE and Neutral Switch
Cell 20: ECT Gauge and Sensor, MAP, O2 and TP Sensors, PCM
Handling ESD Sensitive Parts Notice
Engine Controls Schematic Icons
Figure 7:

Cell 20: EGR, EOP Gauge and Sensor, Indicators, PCM, HI IDLE and Neutral Switch


Object Number: 242992  Size: FS
Engine Controls Components
Cell 20: Idle Air Control (IAC) Valve, Speedo Adapter, Speedometer, PCM and VSS
Handling ESD Sensitive Parts Notice