GM Service Manual Online
For 1990-2009 cars only

Refer to

Cell 20: Engine Controls, Exhauxt Gas Recirculation Valve


Object Number: 330343  Size: FS
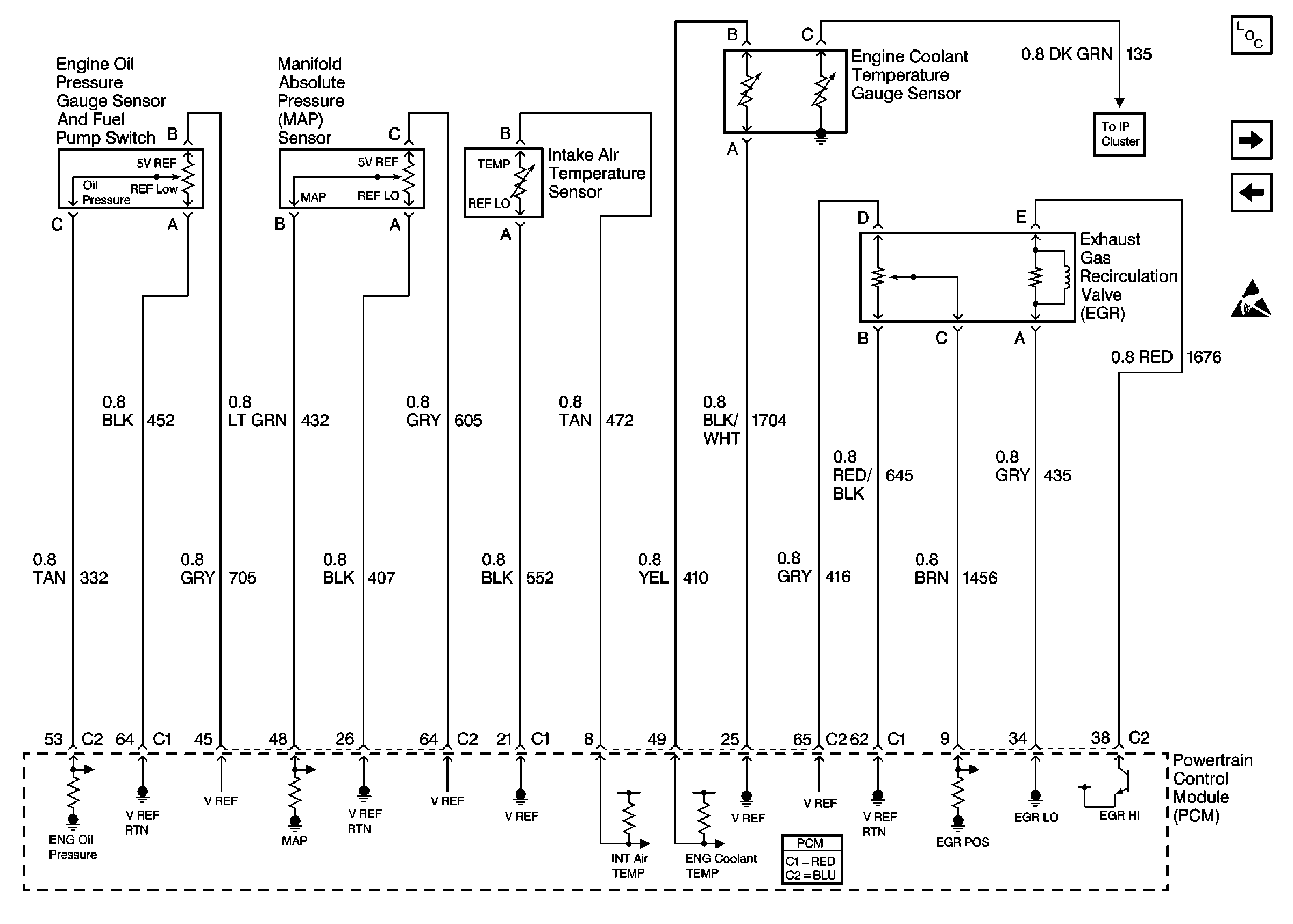
Engine Controls Components
Cell 20: Oxygen Sensors, Knock Sensors, Canister Purge Solenoid
Cell 20: Electronic Throttle Actuator Control Module, PCM, Throttle Stepper Motor
Handling ESD Sensitive Parts Notice

Circuit Description

The engine oil pressure gauge supplies ignition positive voltage to the PCM by way of the engine oil pressure gauge control circuit. The engine oil pressure signal is sent to the PCM from the engine oil pressure sensor. The PCM controls the engine oil pressure gauge by momentarily grounding the engine oil pressure gauge control circuit and causing the voltage to pulse. The solid state circuits of the engine oil pressure gauge convert the voltage pulses in order to drive the gauge pointer and display engine oil pressure in Pounds per Square Inch (PSI).

The PCM monitors the voltage on the Engine Oil Pressure gauge control circuit in order to determine if the circuit is open or shorted to ground.

Conditions for Running the DTC

The engine speed is at least 600 RPM.

Conditions for Setting the DTC

The Engine Oil Pressure gauge control circuit voltage is less than 0.48 volts.

Action Taken When the DTC Sets

    • The PCM stores the DTC information into memory when the diagnostic runs and fails.
    • The Malfunction Indicator Lamp (MIL) will not illuminate.
    • The PCM records the operating conditions at the time the diagnostic fails. The PCM stores this information in the Failure Records.

Conditions for Clearing the MIL/DTC

    • A History DTC will clear after forty consecutive warm-up cycles, if no failures are reported by this or any other non-emission related diagnostic.
    • A last test failed (Current DTC) will clear when the diagnostic runs and does not fail.
    • Use a scan tool in order to clear the MIL/DTC.

Diagnostic Aids

Check for the following conditions:

    • Poor connection at the PCM or instrument cluster. Inspect harness connectors for backed out terminals, improper mating, broken locks, improperly formed or damaged terminals, and poor terminal to wire connection.
    • Damaged harness. Inspect the wiring harness for damage. If the harness appears to be OK, disconnect the PCM, turn the ignition ON and observe a voltmeter connected to the engine oil pressure gauge control circuit at the PCM harness connector while moving connectors and wiring harnesses related to the engine oil pressure gauge control circuit. A change in voltage will indicate the location of the fault.

Test Description

The numbers below refer to the step numbers in the diagnostic table.

  1. This step verifies that the conditions for setting the DTC are currently present.

Step

Action

Values

Yes

No

1

Did you perform the Powertrain On-Board Diagnostic (OBD) System Check?

--

Go to Step 2

Go to Powertrain On Board Diagnostic (OBD) System Check

2

  1. Install a scan tool.
  2. Start the engine and allow the engine to idle.
  3. With a scan tool, observe the Engine Oil Pressure (EOP) Sensor parameter in the Engine Scan Tool data list.

Does the scan tool indicate that the EOP Sensor parameter is greater than the specified value?

0.48 volt

Go to Diagnostic Aids

Go to Step 3

3

  1. Turn OFF the ignition.
  2. Disconnect the PCM connector containing the engine oil pressure gauge control circuit.
  3. Probe the engine oil pressure gauge control circuit with a test light that is connected to a good ground.

Does the test lamp illuminate?

--

Go to Step 7

Go to Step 4

4

Test the engine oil pressure gauge control circuit for an open. Refer to Testing for Continuity in Body and Accessories/Wiring Systems.

Did you find and correct the condition?

--

Go to Step 10

Go to Step 5

5

Test the engine oil pressure gauge control circuit for a short to ground. Refer to Testing for Short to Ground in Body and Accessories/Wiring Systems.

Did you find and correct the condition?

--

Go to Step 10

Go to Step 6

6

Inspect for poor connections at the I/P cluster connector. Refer to Intermittents and Poor Connections Diagnosis in Body and Accessories/Wiring Systems.

Did you find and correct the condition?

--

Go to Step 10

Go to Step 8

7

Inspect for poor connections at the PCM connector. Refer to Intermittents and Poor Connections Diagnosis in Body and Accessories/Wiring Systems.

Did you find and correct the condition?

--

Go to Step 10

Go to Step 9

8

Replace the I/P cluster. Refer to Instrument Cluster Replacement in Instrument Panel, Gauges and Console.

Did you complete the replacement?

--

Go to Step 10

--

9

Important:: Program the replacement PCM. Refer to Powertrain Control Module Replacement .

Replace the PCM.

Did you complete the replacement?

--

Go to Step 10

--

10

  1. Select the Diagnostic Trouble Code (DTC) option and the Clear DTC option using the scan tool.
  2. Idle the engine at the normal operating temperature.
  3. Select the Diagnostic Trouble Code (DTC) option and the Specific DTC option, then enter the DTC number using the scan tool.
  4. Operate vehicle within the Conditions for Running this DTC as specified in the supporting text, if applicable.

Does the scan tool indicate that this test ran and passed?

--

Go to Step 11

Go to Step 2

11

Select the Capture Info option and the Review Info option using the scan tool.

Does the scan tool display any DTCs that you have not diagnosed?

--

Go to the applicable DTC table

System OK