GM Service Manual Online
For 1990-2009 cars only
Makes
🢒
Chevrolet
🢒
2000
🢒
Chevrolet C-Series Medium Duty Truck B7
🢒
Body and Accessories
🢒
Lighting Systems
🢒 Exterior Lights Schematics
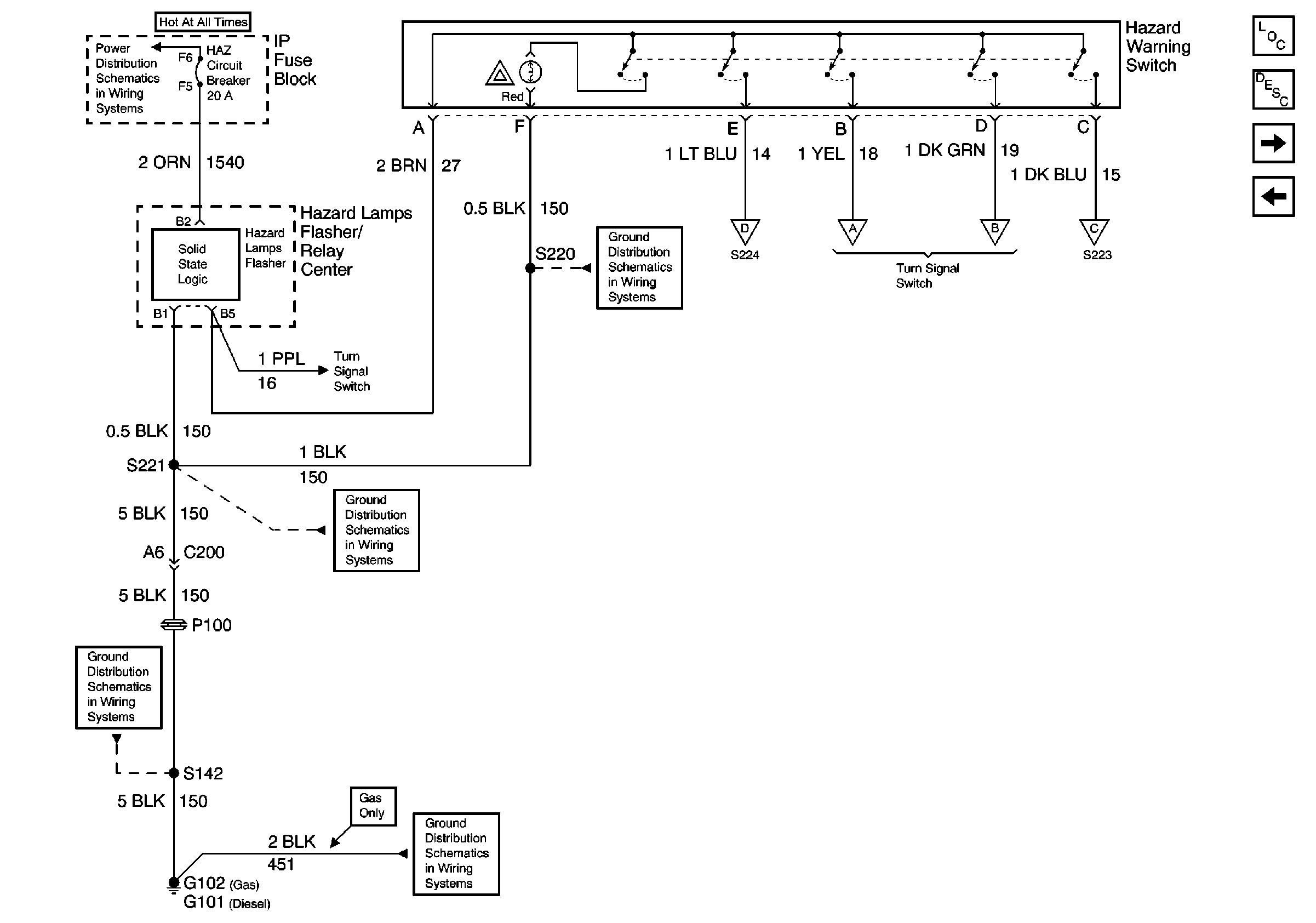
Figure
1:
Turn Signals
Lighting Systems Components
Exterior Lights Circuit Description
Hazard Lamps
Hazard Lamps
Hazard Lamps
Hazard Lamps
Hazard Lamps
STOP LP, HORNS, TL/MKR, PNL, HAZ Circuit Breakers
Ground Distribution Schematics
Ground Distribution Schematics
Ground Distribution Schematics
Ground Distribution Schematics
S105, S261, S231
Cell 81: IP Cluster - Tachometer and Indicators
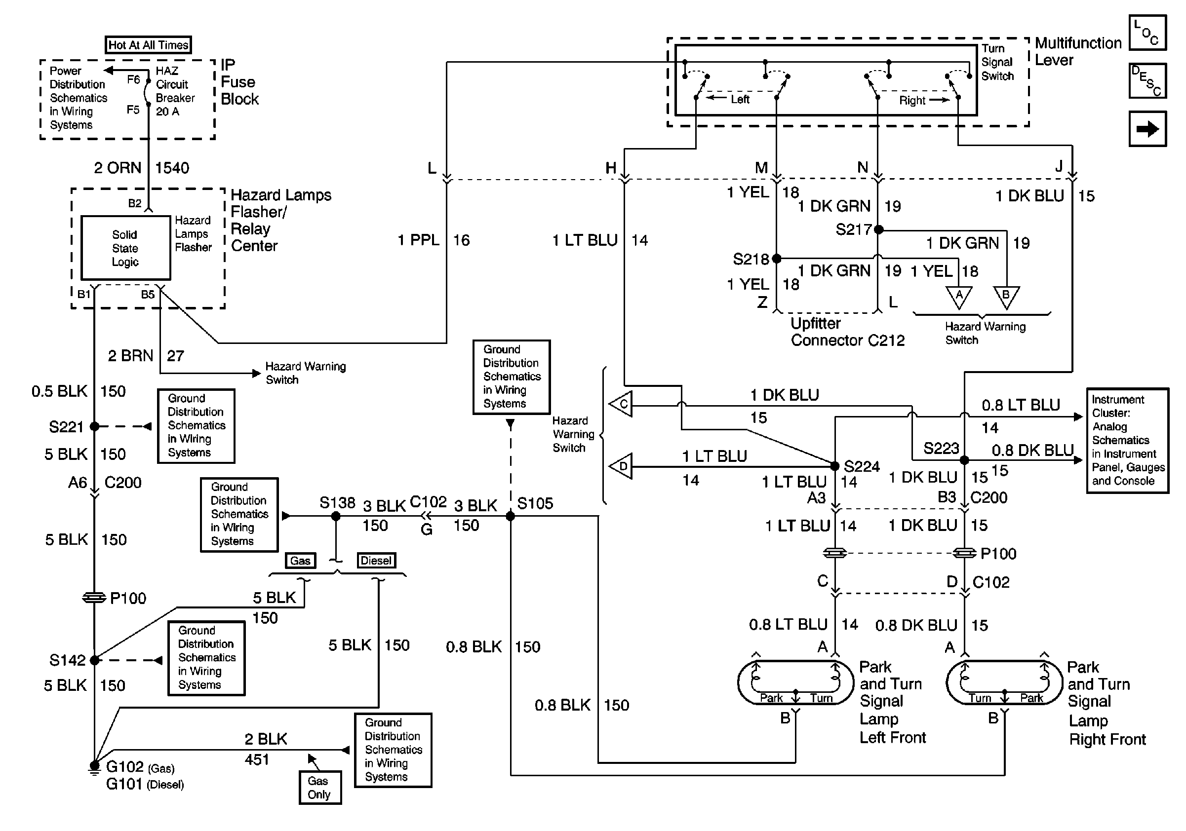
Figure
2:
Hazard Lamps
Lighting Systems Components
Exterior Lights Circuit Description
Park Lamps
Turn Signals
Turn Signals
Turn Signals
Turn Signals
Turn Signals
STOP LP, HORNS, TL/MKR, PNL, HAZ Circuit Breakers
Ground Distribution Schematics
Ground Distribution Schematics
Ground Distribution Schematics
Ground Distribution Schematics
Figure
3:
Park Lamps
Lighting Systems Components
Exterior Lights Circuit Description
Hazard Lamps
STOP LP, HORNS, TL/MKR, PNL, HAZ Circuit Breakers
Ground Distribution Schematics
Ground Distribution Schematics
Ground Distribution Schematics
Ground Distribution Schematics
Ground Distribution Schematics
Ground Distribution Schematics
Interior Lights