GM Service Manual Online
For 1990-2009 cars only
Makes
🢒
Chevrolet
🢒
2000
🢒
Chevrolet C-Series Medium Duty Truck B7
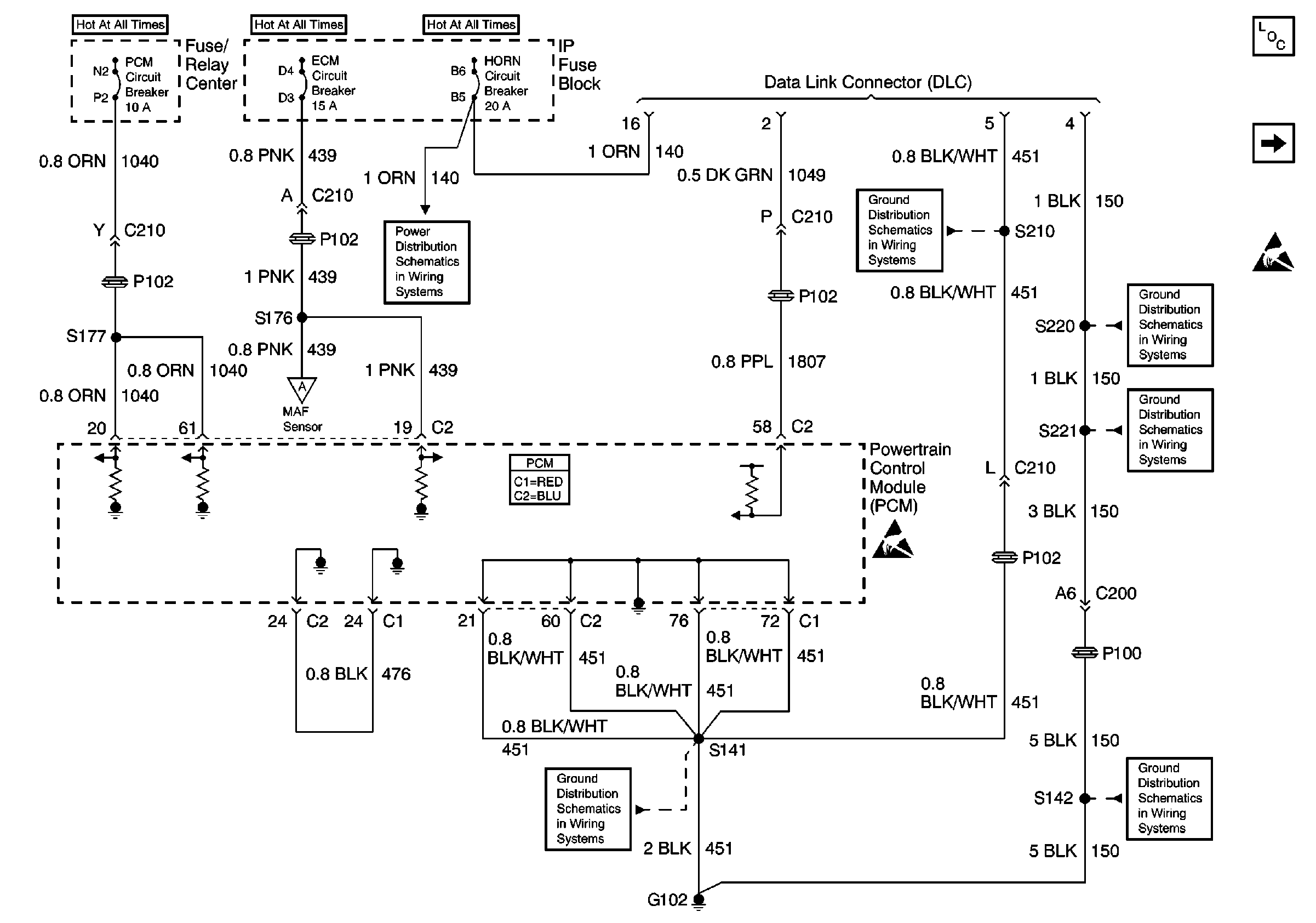
🢒 DLC, PCM Power and Ground
DLC, PCM Power and Ground
DLC, PCM Power and Ground
Engine Controls Components
Indicators
Handling ESD Sensitive Parts Notice
Gasoline Engine, S141 and S210
STOP LP, HORNS, TL/MKR, PNL, HAZ Circuit Breakers
Gasoline Engine, S220
HO2S and MAF Sensor
Gasoline Engine, S221
Powertrain Control Module Connector End Views
Handling ESD Sensitive Parts Notice
Gasoline Engine, S141 and S210
Gasoline Engine, G102