GM Service Manual Online
For 1990-2009 cars only
Makes
🢒
Chevrolet
🢒
2000
🢒
Chevrolet C-Series Medium Duty Truck B7
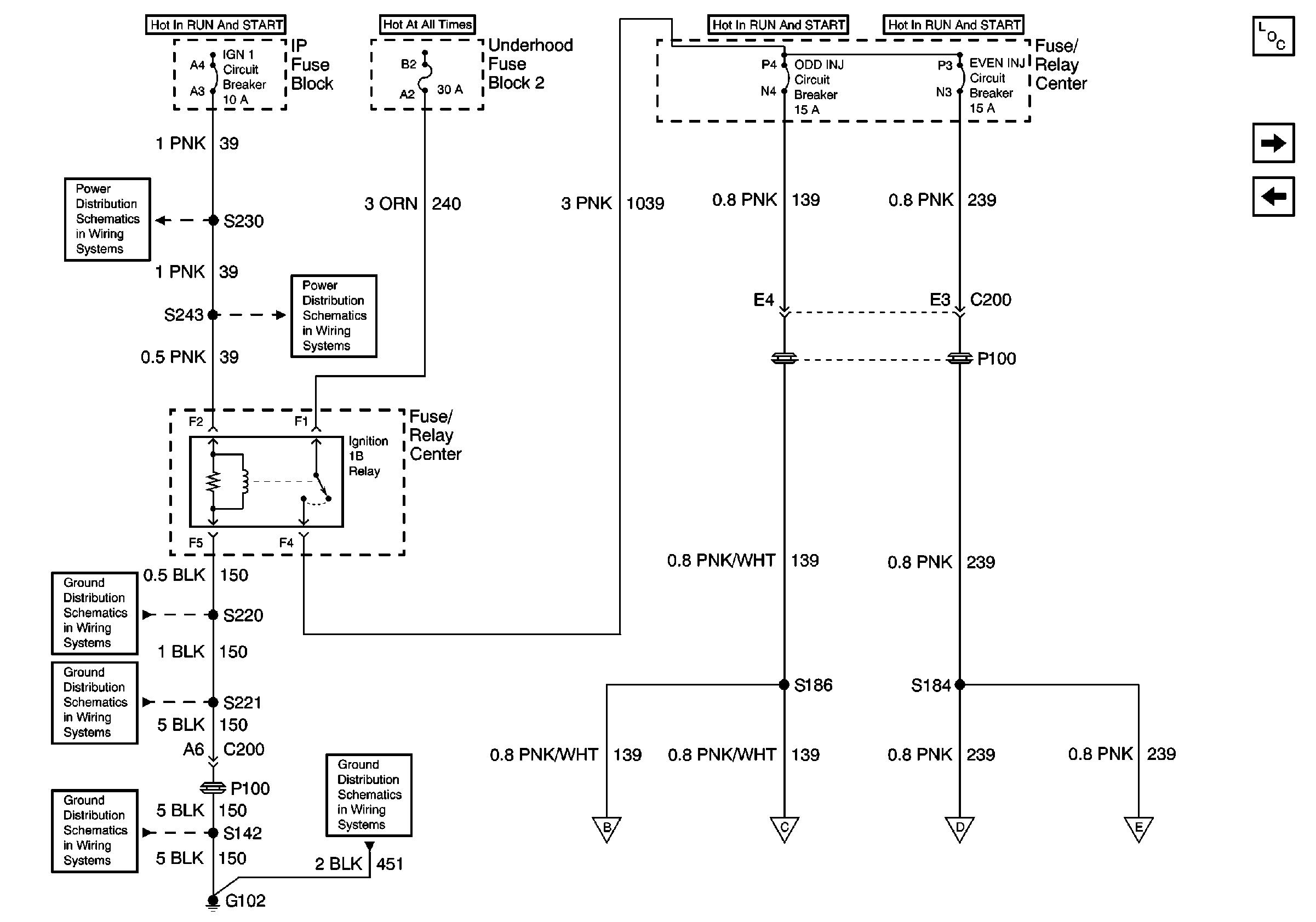
🢒 Power Distribution for Coils and Injectors
Power Distribution for Coils and Injectors
Power Distribution for Coils and Injectors
Engine Controls Components
Ignition Coils
Indicators
IGN 1 Circuit Breaker (1 of 2)
IGN 1 Circuit Breaker (2 of 2)
Gasoline Engine, S220
Gasoline Engine, S221
Gasoline Engine, G102
Gasoline Engine, G102
Ignition Coils
Fuel Enable and Fuel Injectors
Ignition Coils
Fuel Enable and Fuel Injectors