GM Service Manual Online
For 1990-2009 cars only
Makes
🢒
Chevrolet
🢒
2000
🢒
Chevrolet C-Series Medium Duty Truck B7
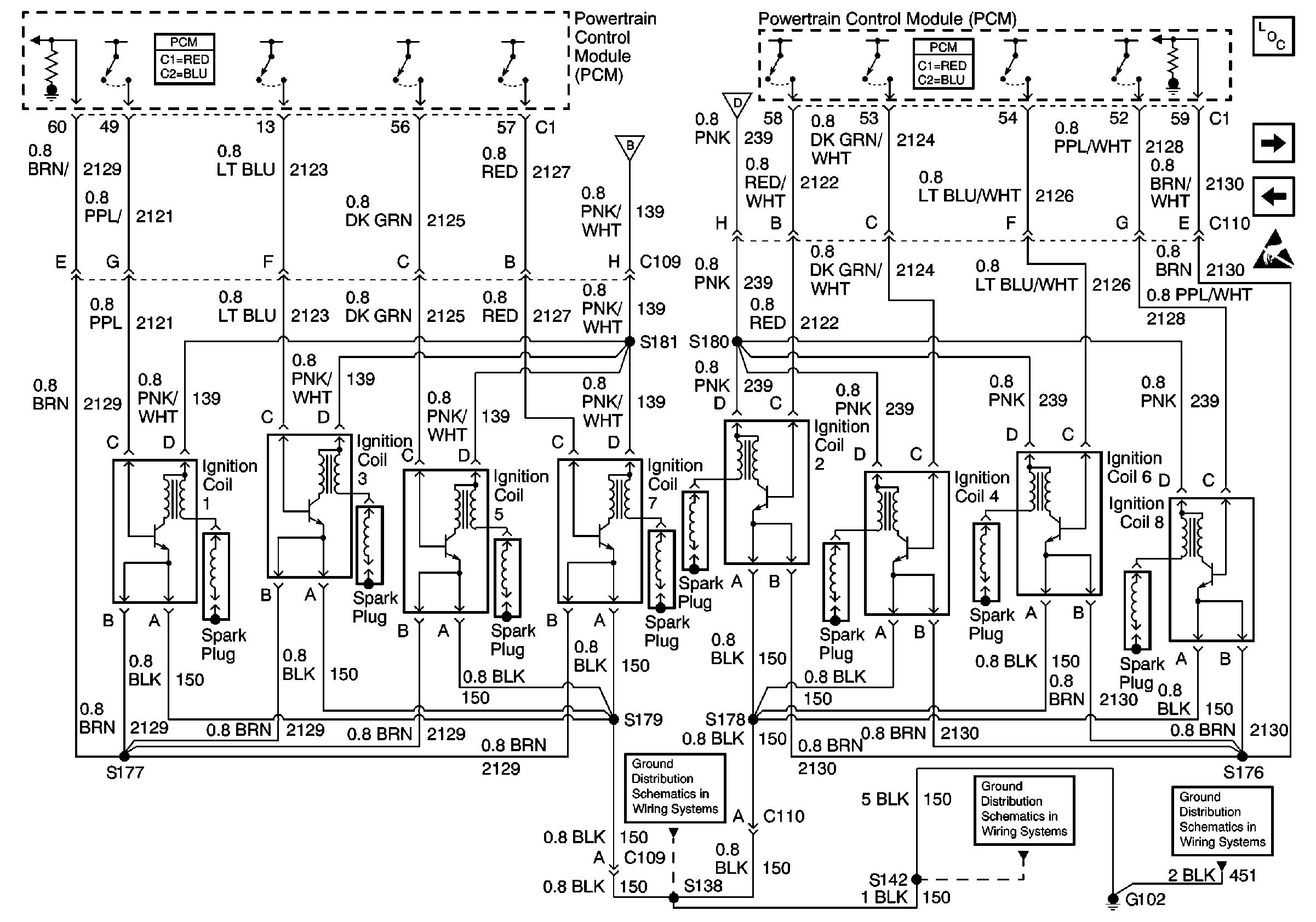
🢒 Ignition Coils
Ignition Coils
Ignition Coils
Engine Controls Components
CKP and CMP Sensors, KS and Tachometer
Power Distribution for Coils and Injectors
Handling ESD Sensitive Parts Notice
Powertrain Control Module Connector End Views
Power Distribution for Coils and Injectors
Power Distribution for Coils and Injectors
Powertrain Control Module Connector End Views
Gasoline Engine, S138
Gasoline Engine, G102
Gasoline Engine, G102