GM Service Manual Online
For 1990-2009 cars only
Makes
🢒
Chevrolet
🢒
2000
🢒
Chevrolet C-Series Medium Duty Truck B7
🢒 TAC Module and Throttle Body
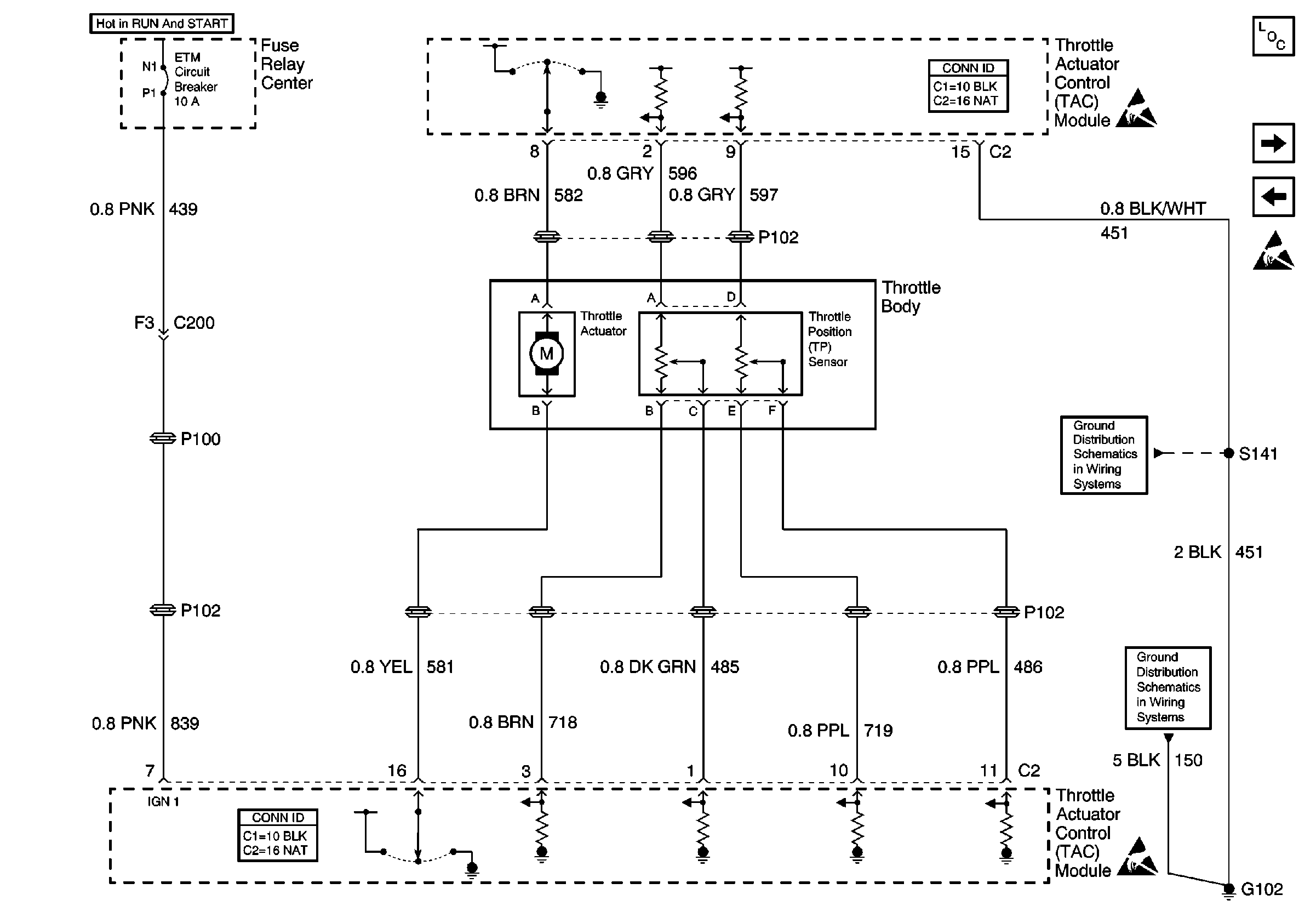
TAC Module and Throttle Body
TAC Module and Throttle Body
Engine Controls Components
APP Sensor and TAC Module
EGR and EVAP Valves
Handling ESD Sensitive Parts Notice
Engine Controls Connector End Views
Handling ESD Sensitive Parts Notice
Gasoline Engine, S141 and S210
Engine Controls Connector End Views
Gasoline Engine, G102
Handling ESD Sensitive Parts Notice