GM Service Manual Online
For 1990-2009 cars only
Makes
🢒
Chevrolet
🢒
2000
🢒
Chevrolet C-Series Medium Duty Truck B7
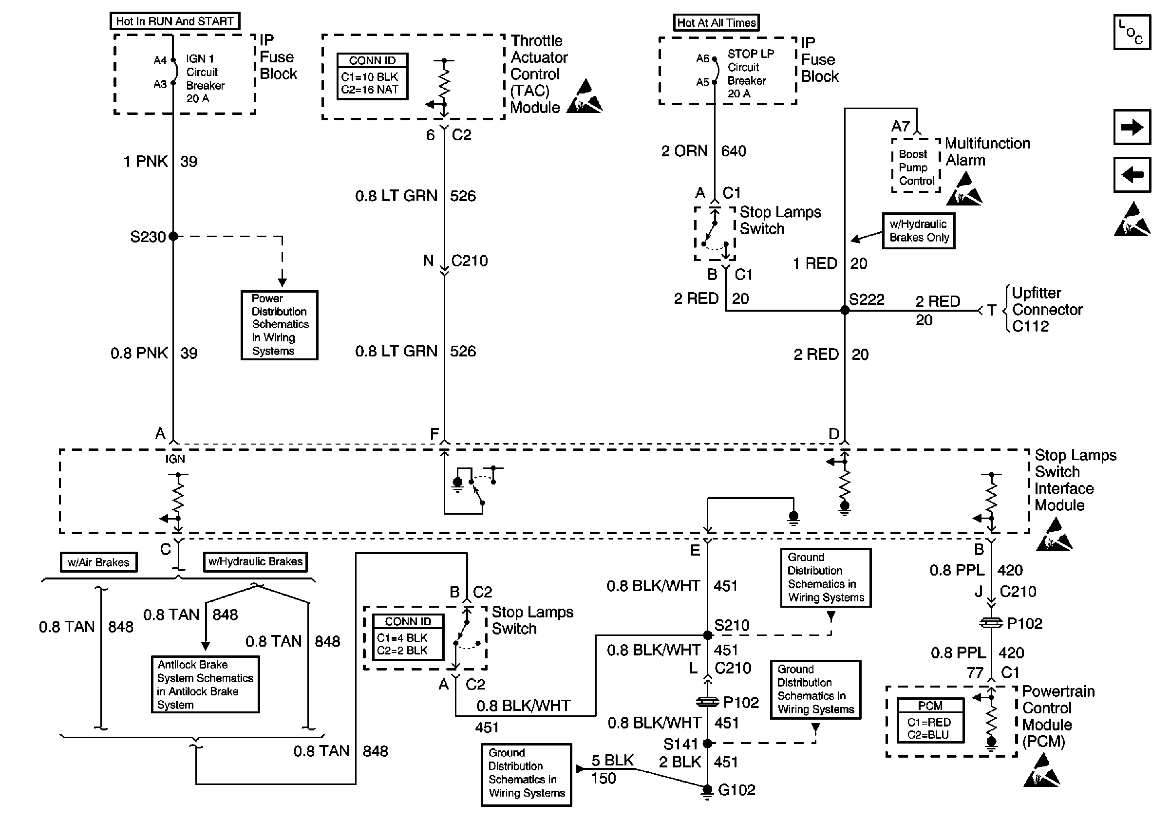
🢒 Stop Lamps Switch Interface Module
Stop Lamps Switch Interface Module
Stop Lamps Switch Interface Module
Engine Controls Components
Clutch/Starter and Neutral Switches
CPP, Cruise Control And High Idle Switches
Handling ESD Sensitive Parts Notice
Engine Controls Connector End Views
Handling ESD Sensitive Parts Notice
IGN 1 Circuit Breaker (1 of 2)
Handling ESD Sensitive Parts Notice
Gasoline Engine, S141 and S210
Hydraulic Antilock Brake Schematic 1 of 2
Engine Controls Connector End Views
Gasoline Engine, G102
Gasoline Engine, S141 and S210
Powertrain Control Module Connector End Views
Handling ESD Sensitive Parts Notice