GM Service Manual Online
For 1990-2009 cars only
Makes
🢒
Chevrolet
🢒
2000
🢒
Chevrolet C-Series Medium Duty Truck B7
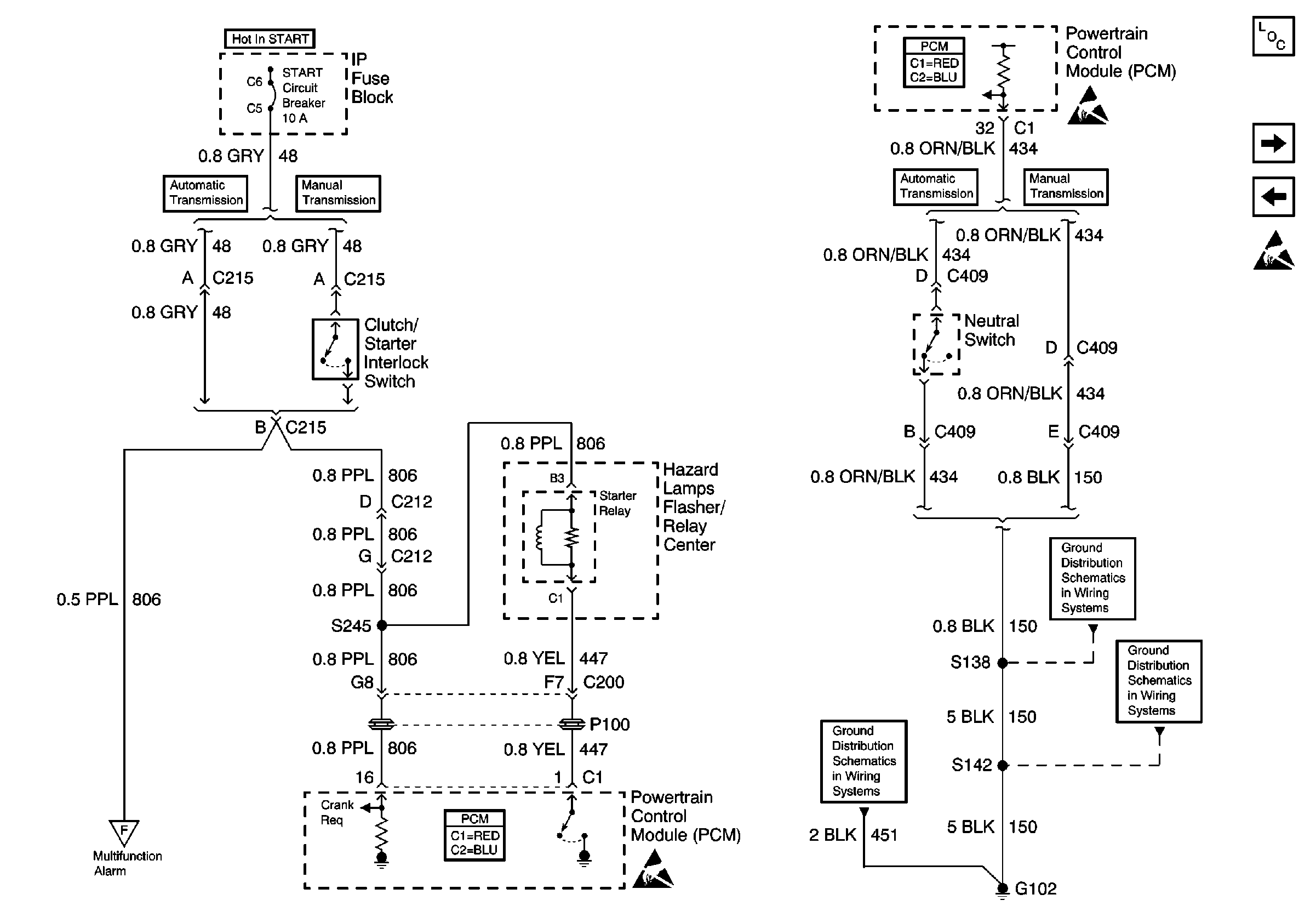
🢒 Clutch/Starter and Neutral Switches
Clutch/Starter and Neutral Switches
Clutch/Starter and Neutral Switches
Engine Controls Components
Automatic Transmission Downshift
Stop Lamps Switch Interface Module
Handling ESD Sensitive Parts Notice
Powertrain Control Module Connector End Views
Handling ESD Sensitive Parts Notice
Gasoline Engine, S138
Gasoline Engine, G102
Gasoline Engine, G102
Automatic Engine Shutdown and Warning
Powertrain Control Module Connector End Views
Handling ESD Sensitive Parts Notice