GM Service Manual Online
For 1990-2009 cars only
Makes
🢒
Chevrolet
🢒
2002
🢒
Chevrolet C-Series Medium Duty Truck B7
🢒
Engine
🢒
Engine Cooling
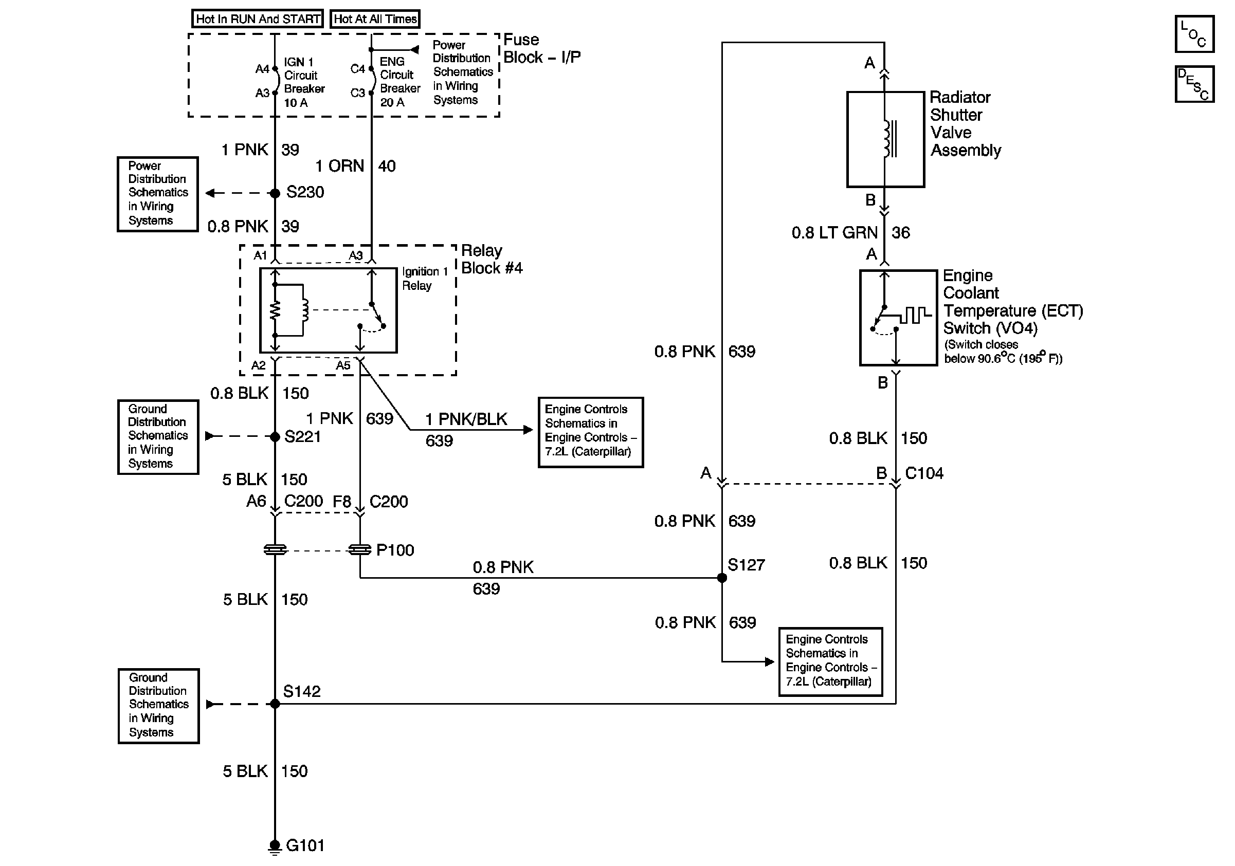
🢒 Radiator Shutter Schematics
Power Distribution Schematics - ACC, B/U, Chassis, ING 1, ING 3 and Start Circuit Breakers
Power Distribution Schematics - Aux 1, Aux 2, ECM, ENG, ETM and Fuel Circuit Breakers, Aux, Body Power 1 and Engine Fuses
Master Electrical Component List
Cooling System Description and Operation
Ground Distribution Schematics - G108, G207, G208 and S221 LG5
Engine Controls Schematics - Air (IA) Heater, Intake Heater Indicator, Connector C127 and Ignition 1 Relay
Engine Controls Schematics - Air (IA) Heater, Intake Heater Indicator, Connector C127 and Ignition 1 Relay
Ground Distribution Schematics - S142 and S241 LG5