GM Service Manual Online
For 1990-2009 cars only
Makes
🢒
Chevrolet
🢒
2002
🢒
Chevrolet C-Series Medium Duty Truck B7
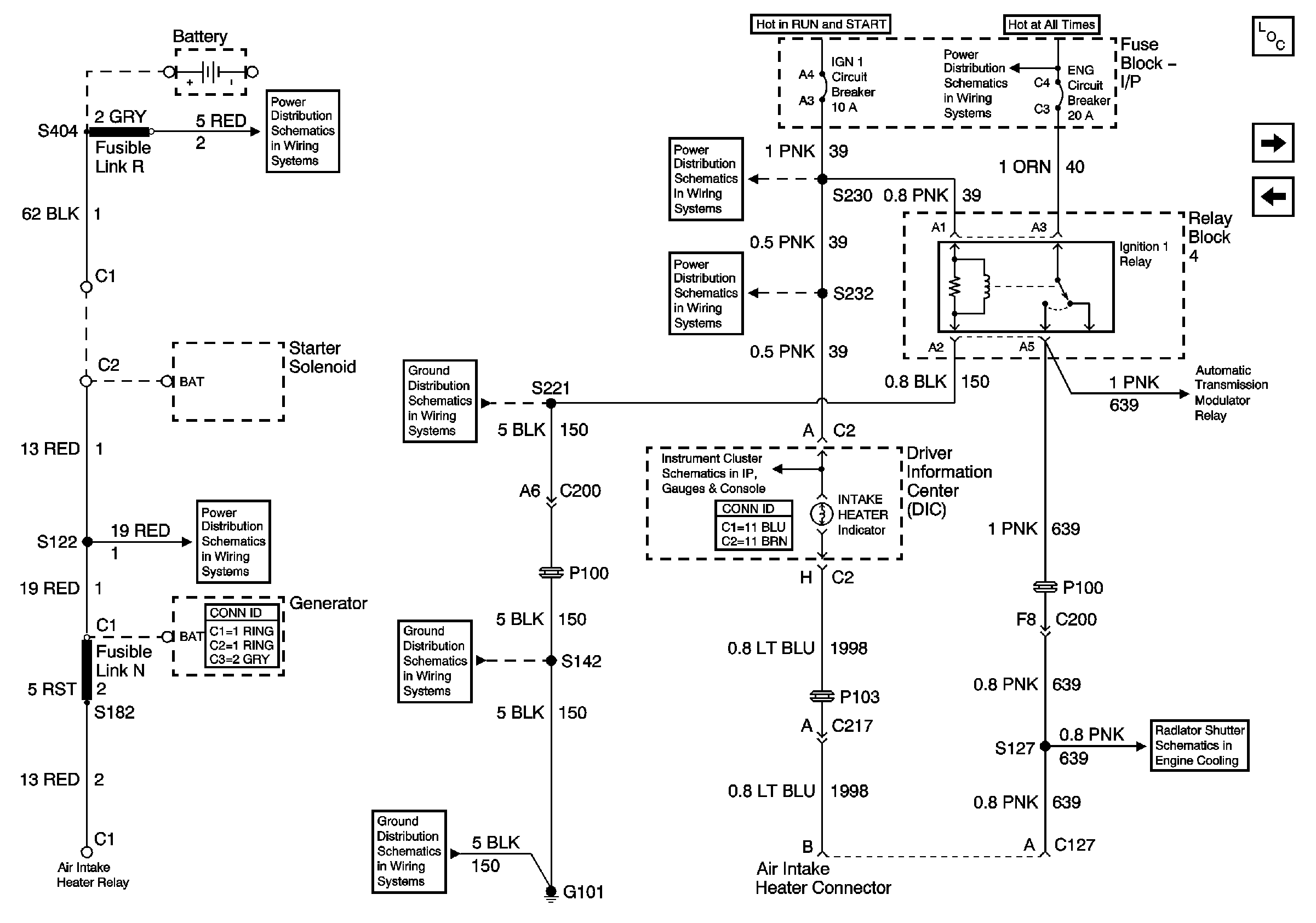
🢒 Engine Controls Schematics - Air (IA) Heater, Intake Heater Indicator, Connector C127 and Ignition 1 Relay
Engine Controls Schematics - Air (IA) Heater, Intake Heater Indicator, Connector C127 and Ignition 1 Relay
Air (IA) Heater, INTAKE HEATER Indicator, Connector C127, Generator and Ignition 1 Relay
Master Electrical Component List
02 MD-B7 Engine Controls Schematics - Power and Ground, Ignition 3 Relay and Fuel Heater
Engine Controls Schematics - ECT, EOP and Low Coolant Switches, MFAM and Stoplamp Switch Interface Module
Automatic Transmission Controls Schematics - Power and Ground, MIL (MX4/MTW)
Radiator Shutter Schematics - Radiator Shutter Valve Assembly, Engine Coolant Temperature (ECT) Switch
Power Distribution Schematics - Aux 1, Aux 2, ECM, ENG, ETM and Fuel Circuit Breakers, Aux, Body Power 1 and Engine Fuses
Power Distribution Schematics - IGN 1 Circuit Breaker, S225, S226, S230
Power Distribution Schematics - IGN 1 Circuit Breaker, S232, S243
Instrument Cluster Schematics - DIC, ABS, CHG OIL, DRL, EOS and HI Ind.
Ground Distribution Schematics - G108, G207, G208 and S221 LG5
Ground Distribution Schematics - S142 and S241 LG5
Ground Distribution Schematics - G101, S138, S405 and S409 L18
Battery and BRK, HORNS, and STOP LP Circuit Breakers, HD LP SW, HORN/STOP and IGN SW 1 Fuses
Battery and BRK, HORNS, and STOP LP Circuit Breakers, HD LP SW, HORN/STOP and IGN SW 1 Fuses