GM Service Manual Online
For 1990-2009 cars only
Makes
🢒
Chevrolet
🢒
2002
🢒
Chevrolet C-Series Medium Duty Truck B7
🢒 02 MD-B7 Engine Controls Schematics - Power and Ground, Ignition 3 Relay and Fuel Heater
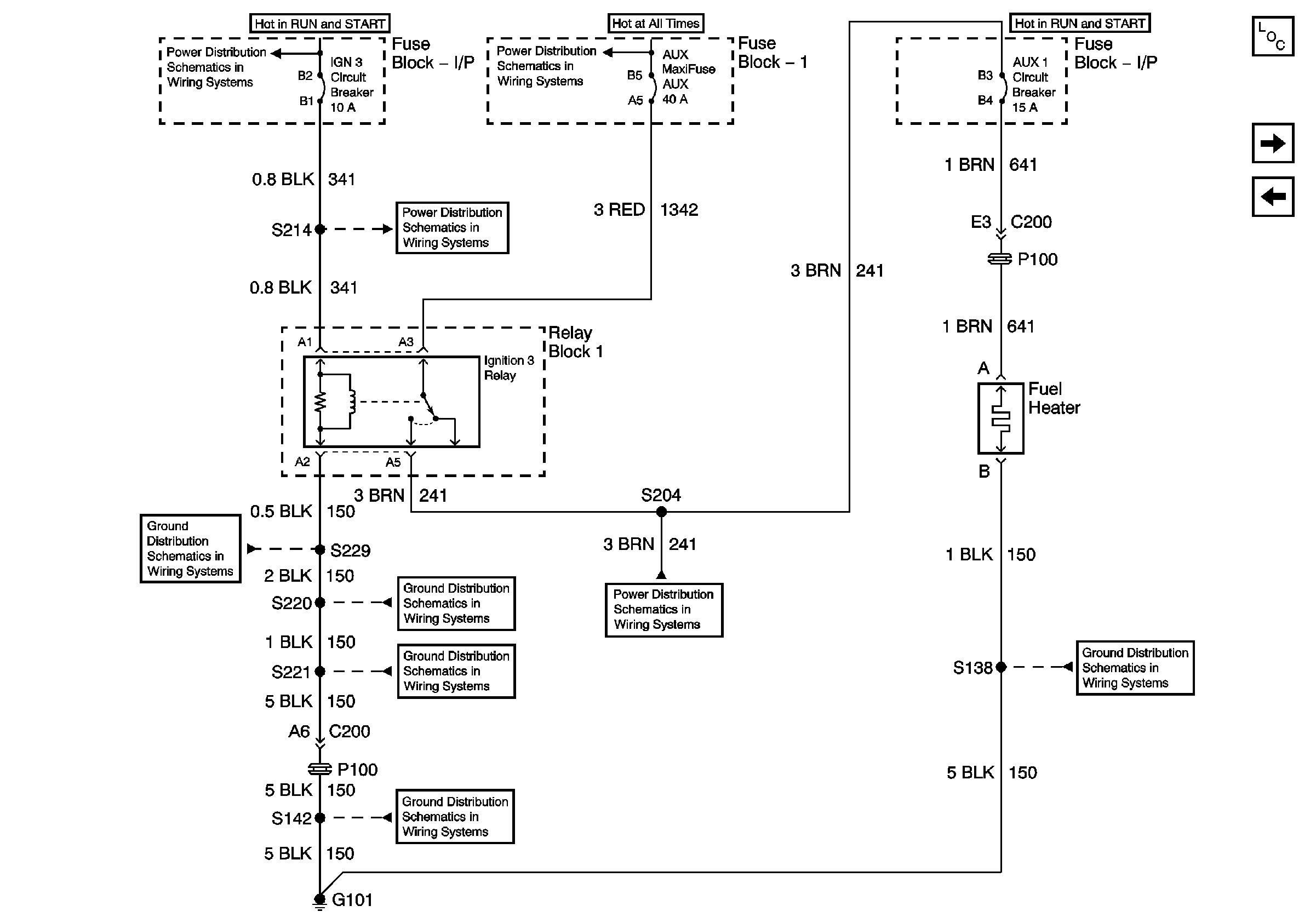
02 MD-B7 Engine Controls Schematics - Power and Ground, Ignition 3 Relay and Fuel Heater
Power and Ground for Ignition 3 Relay and Fuel Heater
Master Electrical Component List
Engine Controls Schematics - ECT and EOP Gages and Sensors, Generator, Generator Charge and HI IDLE Indicators and PCM
Engine Controls Schematics - Air (IA) Heater, Intake Heater Indicator, Connector C127 and Ignition 1 Relay
Ground Distribution Schematics - G101, S138, S405 and S409 L18
Power Distribution Schematics - Aux 1, Aux 2, ECM, ENG, ETM and Fuel Circuit Breakers, Aux, Body Power 1 and Engine Fuses
Power Distribution Schematics - Aux 1, Aux 2, ECM, ENG, ETM and Fuel Circuit Breakers, Aux, Body Power 1 and Engine Fuses
Power Distribution Schematics - IGN 3 Circuit Breaker
Power Distribution Schematics - IGN 3 Circuit Breaker
Ground Distribution Schematics - S220, S229 LG5
Ground Distribution Schematics - S220, S229 LG5
Ground Distribution Schematics - G108, G207, G208 and S221 LG5
Ground Distribution Schematics - S142 and S241 LG5