GM Service Manual Online
For 1990-2009 cars only
Makes
🢒
Chevrolet
🢒
2002
🢒
Chevrolet C-Series Medium Duty Truck B7
🢒
Brakes
🢒
Antilock Brake System
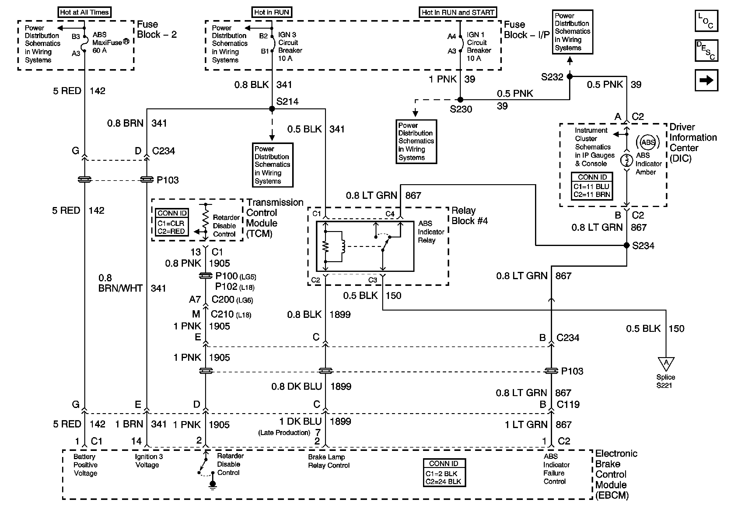
🢒 Antilock Brake System Schematics
Figure
1:
ABS Indicator, ABS Indicator Relay, Electronic Brake Control Module (EBCM), Fuse Block -- 2, Fuse Block -- I/P
Power Distribution Schematics - ABS, Body Power 2, ING SW 2, Lighting, PCM/Injectors and Starter Fuses, Even and ODD INJ, HAZ, PNL, and TL/MKR Circuit Breakers
Power Distribution Schematics - ACC, B/U, Chassis, ING 1, ING 3 and Start Circuit Breakers
Power Distribution Schematics - IGN 3 Circuit Breaker
Power Distribution Schematics - IGN 1 Circuit Breaker, S225, S226, S230
Power Distribution Schematics - IGN 1 Circuit Breaker, S232, S243
Master Electrical Component List
ABS Description and Operation
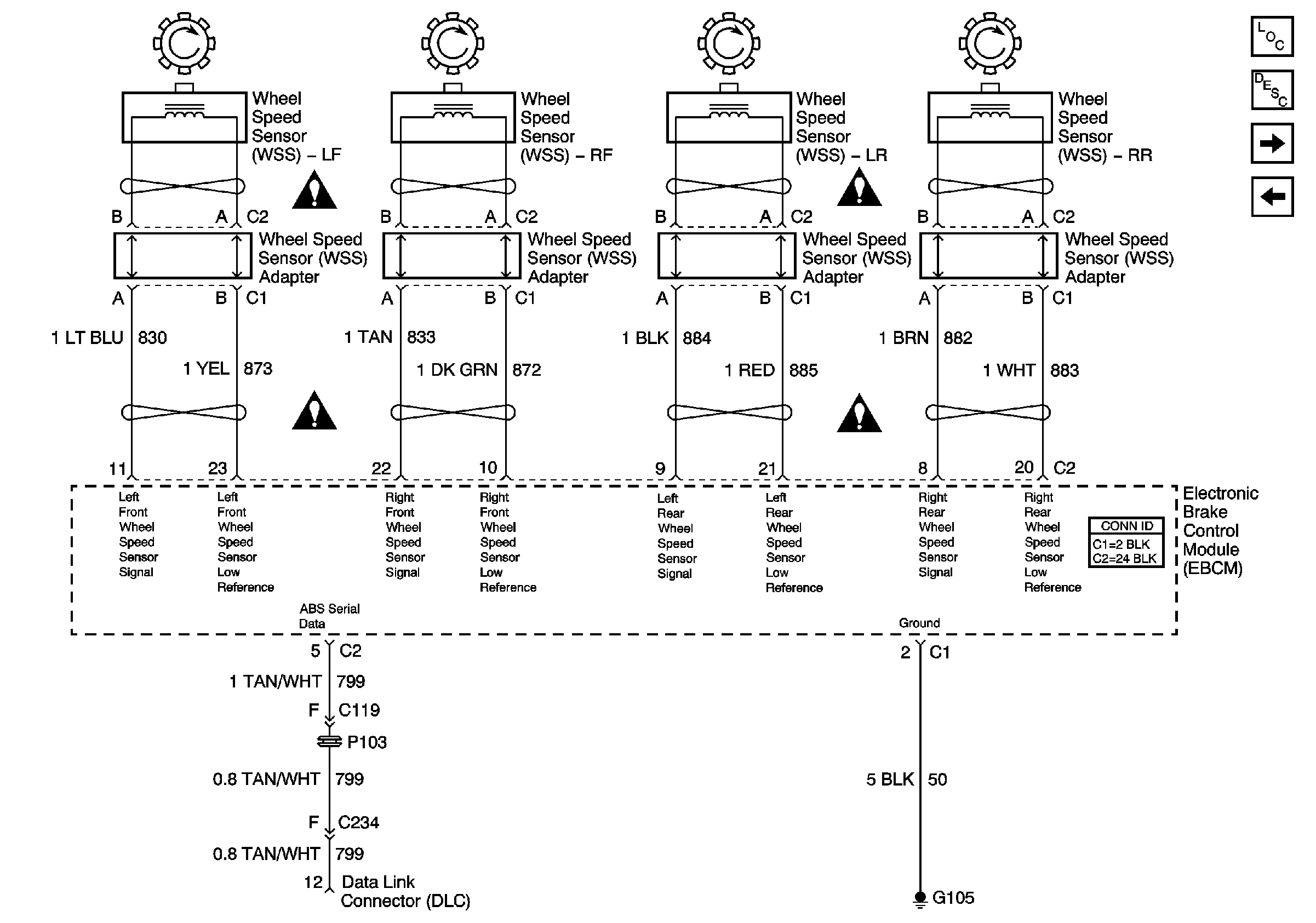
ABS Schematics - EBCM, DLC, EBCM GNDS and WSS
Instrument Cluster Schematics - DIC, ABS, CHG OIL, DRL, EOS and HI Ind.
ABS Schematics - EBCM, PCM, BFL/SW, Ign SW, St/LP SW and MAM
Figure
2:
Data Link Connector (DLC), Electronic Brake Control Module (EBCM), EBCM Grounds and Wheel Speed Sensors (WSS)
Antilock Brake System Schematic Icons
Antilock Brake System Schematic Icons
Antilock Brake System Schematic Icons
Antilock Brake System Schematic Icons
Master Electrical Component List
ABS Description and Operation
ABS Schematics - EBCM, PCM, BFL/SW, Ign SW, St/LP SW and MAM
02 MD-B7 ABS Schematics - EBCM, ABS Indicator, FB-2, FB-I/P02 MD-B7 ABS SchemaABS Schematics - EBCM, ABS Indicator, FB-2, FB-I/P
Figure
3:
Brake Fluid Level Switch, Electronic Brake Control Module (EBCM), Ignition Switch, Multifunction Alarm Module, Powertrain Control Module (PCM), PRIMARY BRAKE Indicator, Stop lamp Switch (C2), Stop lamp Switch Interface Module
Power Distribution Schematics - IGN 1 Circuit Breaker, S225, S226, S230
Power Distribution Schematics - IGN 1 Circuit Breaker, S232, S243
Engine Controls Schematics - Stoplamp Switch and Interface Module, Multifunction Alarm Module, Transmission Control Module (TCM) and C212 Upfitter Connector
Master Electrical Component List
ABS Description and Operation
ABS Schematics - EBCM, DLC, EBCM GNDS and WSS
02 MD-B7 ABS Schematics - EBCM, ABS Indicator, FB-2, FB-I/P02 MD-B7 ABS SchemaABS Schematics - EBCM, ABS Indicator, FB-2, FB-I/P
Ground Distribution Schematics - G102, and S138 L18
Ground Distribution Schematics - G108, G207, G208 and S221 LG5
Ground Distribution Schematics - G101, S138, S405 and S409 L18
Ground Distribution Schematics - S105, S261, and S231
02Ground Distribution Schematics - G108, and S220 L18
Ground Distribution Schematics - S142, S178, S179, S405 and S409 L18
Ground Distribution Schematics - S142 and S241 LG5
02Ground Distribution Schematics - S141 and S210 L18
02Ground Distribution Schematics - S141 and S210 L18
Engine Controls Schematics - ECT, EOP and Low Coolant Switches, MFAM and Stoplamp Switch Interface Module