GM Service Manual Online
For 1990-2009 cars only
Figure 1:

Cruise Control (LG5) (1 of 2)


Object Number: 791470  Size: FS
Engine Controls Schematics - Accelerator Pedal Position (APP) Sensor, Clutch Pedal Position (CPP), Turn Signal/Multifunction, High Idle and Stoplamp Switches, EBCM and PCM
Master Electrical Component List
Cruise Control Description and Operation
Cruise Control Schematics - LG5 2 of 2
02 MD-B7 ABS Schematics - EBCM, ABS Indicator, FB-2, FB-I/P02 MD-B7 ABS SchemaABS Schematics - EBCM, ABS Indicator, FB-2, FB-I/P
Figure 2:

Cruise Control (LG5) (2of 2)


Object Number: 725721  Size: FS
Battery and BRK, HORNS, and STOP LP Circuit Breakers, HD LP SW, HORN/STOP and IGN SW 1 Fuses
Master Electrical Component List
Cruise Control Description and Operation
Cruise Control Schematics - LG5 1of 2
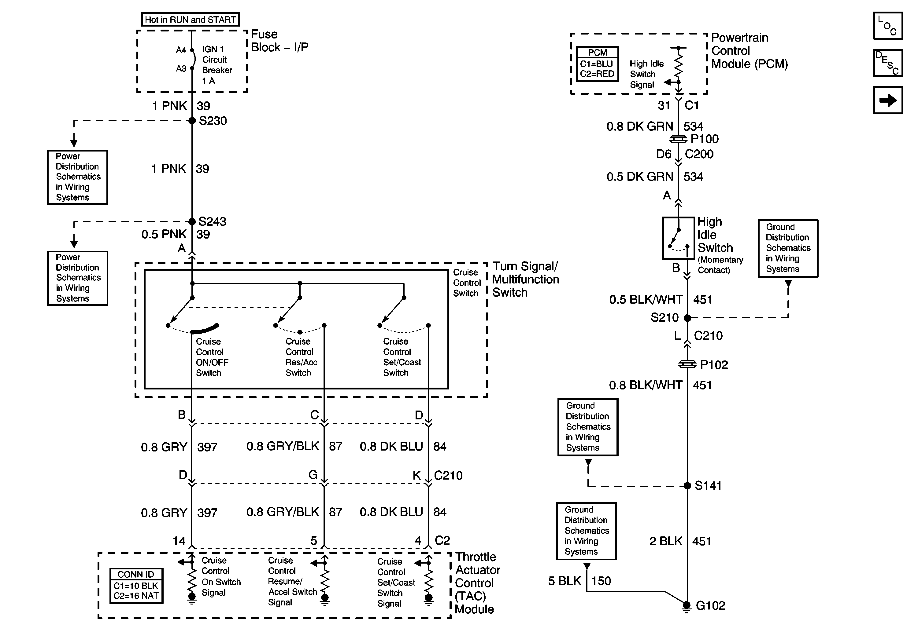
Figure 3:

Cruise Control (L18) (1 of 2)


Object Number: 725722  Size: FS
Power Distribution Schematics - IGN 1 Circuit Breaker, S225, S226, S230
Power Distribution Schematics - IGN 1 Circuit Breaker, S232, S243
Master Electrical Component List
Cruise Control Description and Operation
Cruise Control Schematics - L18 2 of 2
02Ground Distribution Schematics - S141 and S210 L18
02Ground Distribution Schematics - S141 and S210 L18
Ground Distribution Schematics - G102, and S138 L18
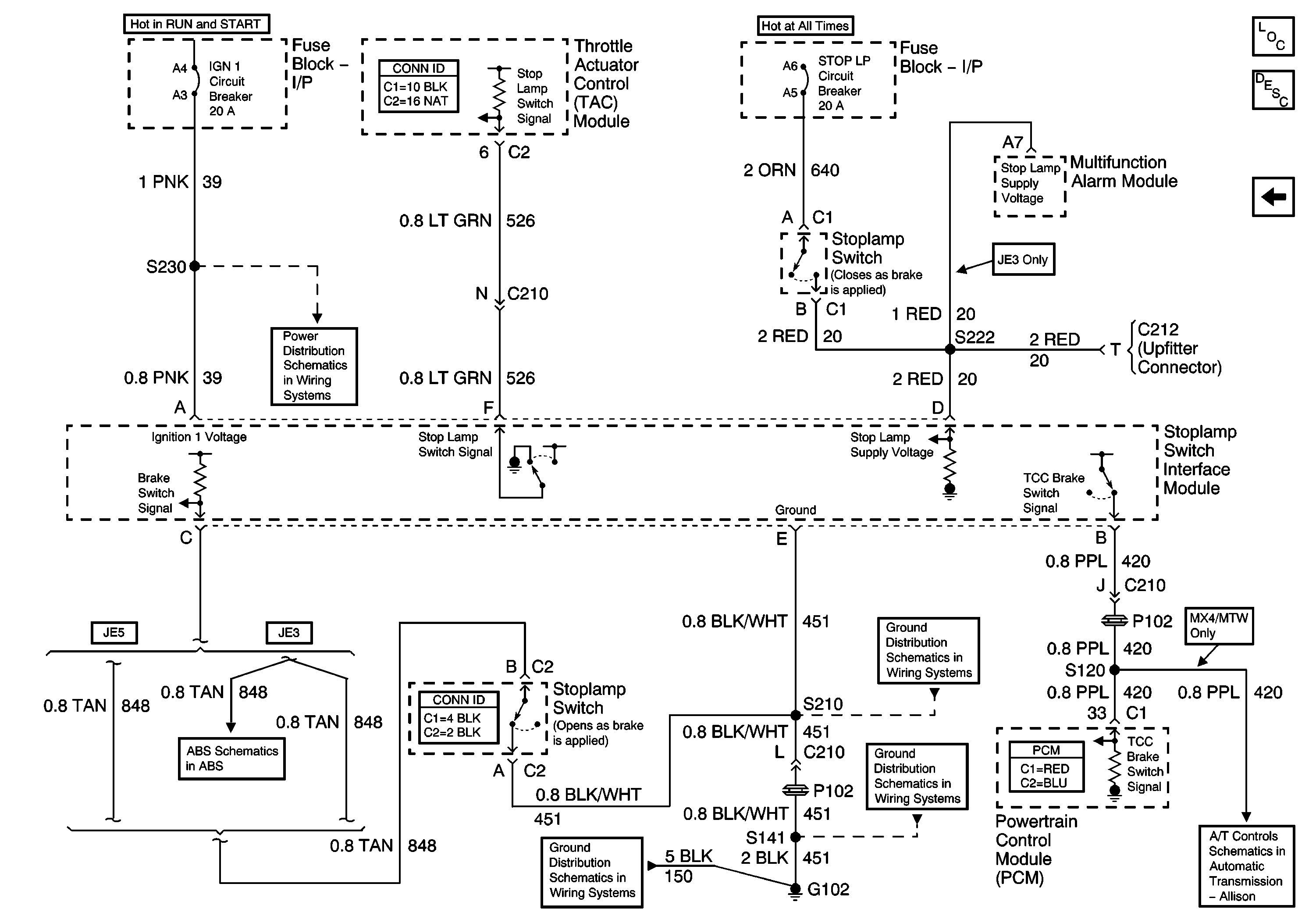
Figure 4:

Cruise Control (L18) (2of 2)


Object Number: 725723  Size: FS
Master Electrical Component List
Cruise Control Description and Operation
Cruise Control Schematics - L18 1 of 2
Power Distribution Schematics - IGN 1 Circuit Breaker, S225, S226, S230
02Ground Distribution Schematics - S141 and S210 L18
ABS Schematics - EBCM, PCM, BFL/SW, Ign SW, St/LP SW and MAM
Ground Distribution Schematics - G102, and S138 L18
02Ground Distribution Schematics - S141 and S210 L18
Automatic Transmission Controls Schematics - K40 LG5/MX4