GM Service Manual Online
For 1990-2009 cars only
Makes
🢒
Chevrolet
🢒
2002
🢒
Chevrolet C-Series Medium Duty Truck B7
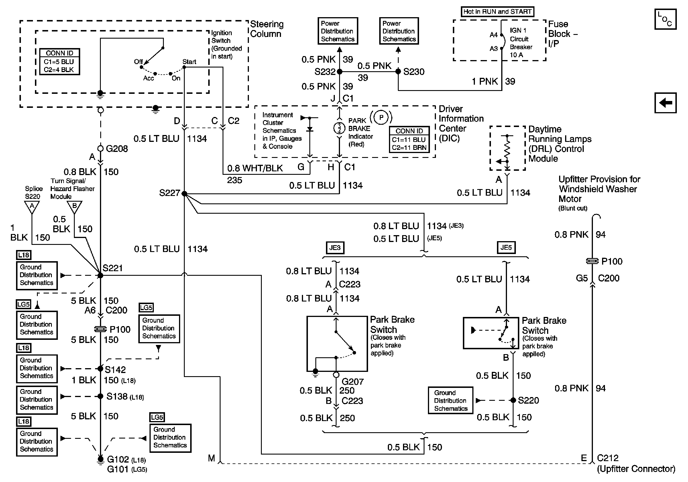
🢒 C212 (Upfitter Connector) Terminals E and M
C212 (Upfitter Connector) Terminals E and M
C212 (Upfitter Connector) Terminals E and M
Master Electrical Component List
C212 (Upfitter Connector) Terminals D, G, K, R and V
IGN 1 Circuit Breaker, S232, S243
IGN 1 Circuit Breaker, S225, S226, S230
Driver Information Center (DIC), ABS, CHANGE OIL, DRL, ENGINE OVERSPEED, HIGH IDLE, INTAKE HEATER, LOW AIR, LOW COOLANT, PRIMARY BRAKE and SERVICE ENGINE SOON Indicators
C212 (Upfitter Connector) Terminals A, F, L and Z
C212 (Upfitter Connector) Terminals A, F, L and Z
G207, G208 and S221 (L18)
G108, G207, G208 and S221 (LG5)
S142, S178, S179, S405 and S409 (L18)
S142 and S241 (LG5)
G102 and S138 (L18)
G101, S138, and S405 (LG5)
G102 and S138 (L18)