GM Service Manual Online
For 1990-2009 cars only
Makes
🢒
Chevrolet
🢒
2002
🢒
Chevrolet C-Series Medium Duty Truck B7
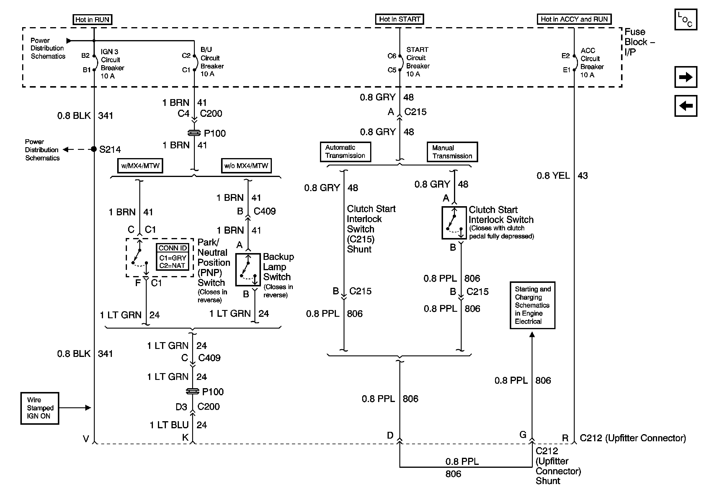
🢒 C212 (Upfitter Connector) Terminals D, G, K, R and V
C212 (Upfitter Connector) Terminals D, G, K, R and V
C212 (Upfitter Connector) Terminals D, G, K, R and V
Master Electrical Component List
C212 (Upfitter Connector) Terminals E and M
C212 (Upfitter Connector) Terminals A, F, L and Z
ACC, B/U, CHASSIS, IGN 1, IGN 3 and START Circuit Breakers
IGN 3 Circuit Breaker
Starting Circuit (1 of 2)
ACC, B/U, CHASSIS, IGN 1, IGN 3 and START Circuit Breakers