GM Service Manual Online
For 1990-2009 cars only
Makes
🢒
Chevrolet
🢒
2002
🢒
Chevrolet C-Series Medium Duty Truck B7
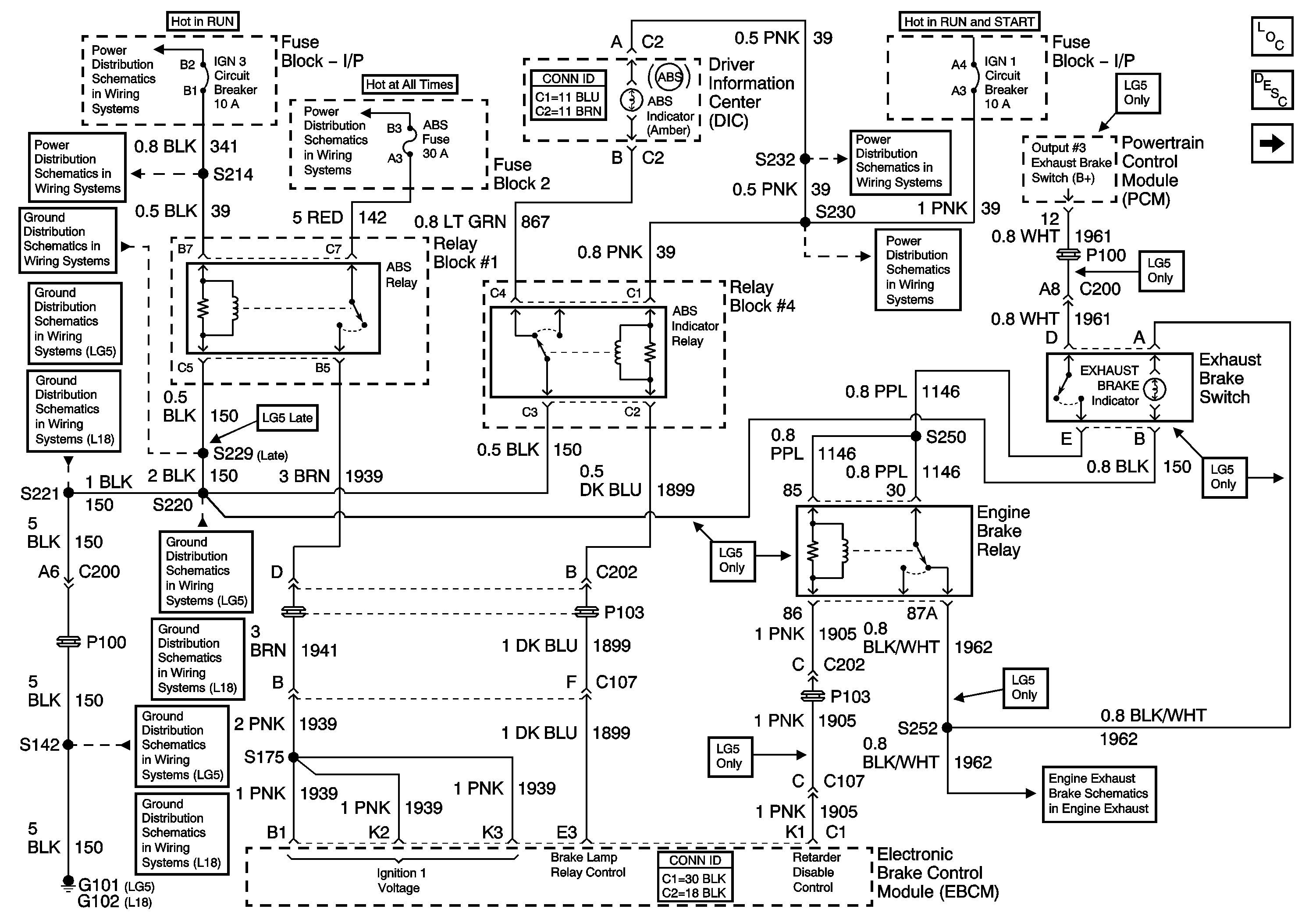
🢒 ABCM Power, ABS Indicator Control, EXHAUST BRAKE, Indicator Control
ABCM Power, ABS Indicator Control, EXHAUST BRAKE, Indicator Control
ABCM Power, ABS Indicator Control, EXHAUST BRAKE, Indicator Control
Master Electrical Component List
Air ABS Description and Operation
Brake Pressure Modulator Valves (BPMV), Data Link Connector (DLC),Electronic Brake Control Module (EBCM), and Wheel Speed Sensors (WSS)
ACC, B/U, CHASSIS, IGN 1, IGN 3 and START Circuit Breakers
EVEN INJ, HAZ, ODD INJ, PNL and TL/MKR Circuit Breakers, ABS, BODY POWER 2, IGN SW 2, LIGHTING, PCM/INJECTORS and STARTER Fuses
IGN 1 Circuit Breaker, S232, S243
IGN 3 Circuit Breaker
IGN 1 Circuit Breaker, S225, S226, S230
G207, G208 and S221 (L18)
G108, G207, G208 and S221 (LG5)
S220, S229 (LG5 - Late)
G108 and S220 (L18)
Ground Distribution Schematics S220 (LG5-Early)
S142 and S241 (LG5)
S142, S178, S179, S405 and S409 (L18)
Engine Exhaust Brake