GM Service Manual Online
For 1990-2009 cars only
Makes
🢒
Chevrolet
🢒
2002
🢒
Chevrolet C-Series Medium Duty Truck B7
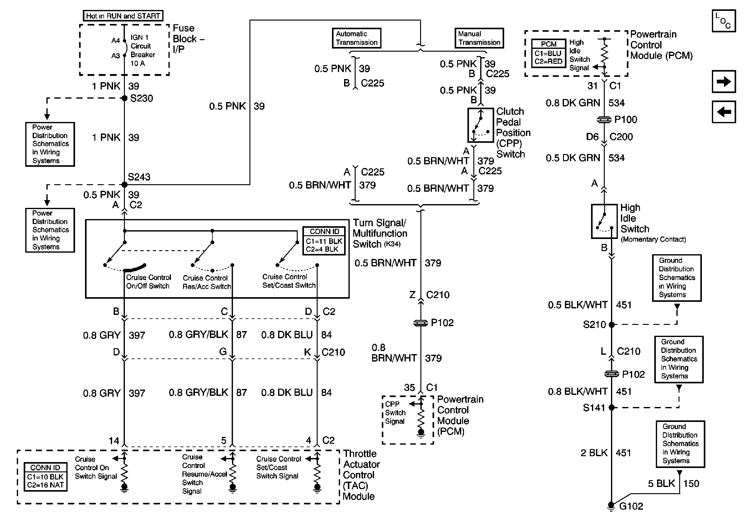
🢒 Clutch Pedal Position (CPP), Turn Signal/Multifunction and High Idle Switches and Throttle Actuator Control (TAC) Module
Clutch Pedal Position (CPP), Turn Signal/Multifunction and High Idle Switches and Throttle Actuator Control (TAC) Module
Clutch Pedal Position (CPP), Turn Signal/Multifunction and High Idle Switches and Throttle Actuator Control (TAC) Module
Master Electrical Component List
Stoplamp Switch and Interface Module, Multifunction Alarm Module, Transmission Control Module (TCM) and C212 (Upfitter Connector)
Accelerator Pedal and Throttle Actuator Control (TAC) Module
IGN 1 Circuit Breaker, S225, S226, S230
IGN 1 Circuit Breaker, S232, S243
S141 and S210 (L18)
S141 and S210 (L18)
G102 and S138 (L18)