GM Service Manual Online
For 1990-2009 cars only
Makes
🢒
Chevrolet
🢒
2002
🢒
Chevrolet C-Series Medium Duty Truck B7
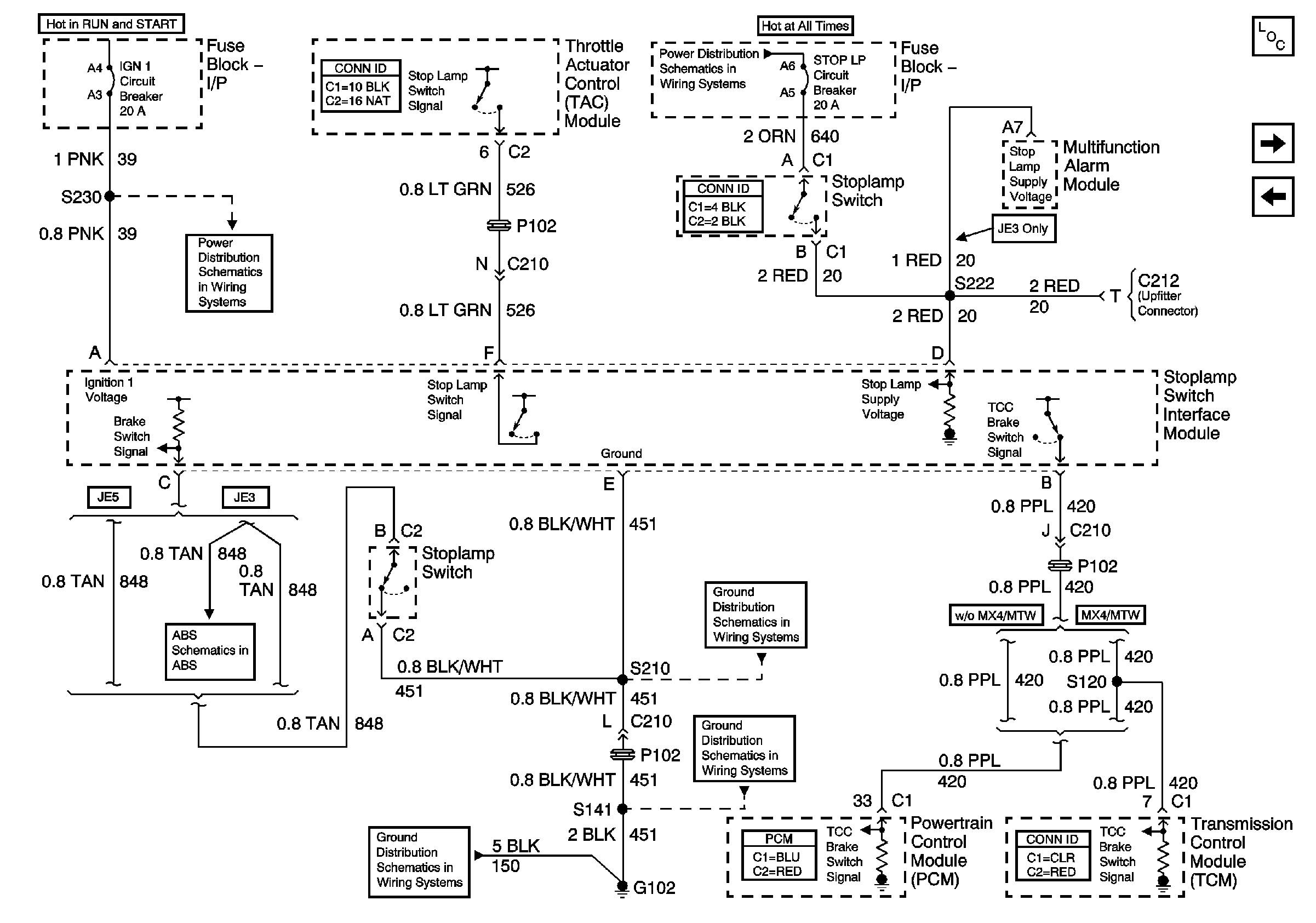
🢒 Stoplamp Switch and Interface Module, Multifunction Alarm Module, Transmission Control Module (TCM) and C212 (Upfitter Connector)
Stoplamp Switch and Interface Module, Multifunction Alarm Module, Transmission Control Module (TCM) and C212 (Upfitter Connector)
Stoplamp Switch and Interface Module, Multifunction Alarm Module, Transmission Control Module (TCM) and C212 (Upfitter Connector)
Master Electrical Component List
Clutch, Park/Neutral Position (PNP) and Neutral Safety Switches, Starter Relay and Transmission Control Module (TCM)
Clutch Pedal Position (CPP), Turn Signal/Multifunction and High Idle Switches and Throttle Actuator Control (TAC) Module
Battery and BRK, HORNS and STOP LP Circuit Breakers, HD LP SW, HORN/STOP and IGN SW 1 Fuses
IGN 1 Circuit Breaker, S225, S226, S230
S141 and S210 (L18)
S141 and S210 (L18)
G102 and S138 (L18)
Brake Fluid Level Switch, Electronic Brake Control Module (EBCM), Ignition Switch, Multifunction Alarm Module, Powertrain Control Module (PCM), PRIMARY BRAKE Indicator, Stoplamp Switch (C2), Stoplamp