GM Service Manual Online
For 1990-2009 cars only
Makes
🢒
Chevrolet
🢒
2002
🢒
Chevrolet C-Series Medium Duty Truck B7
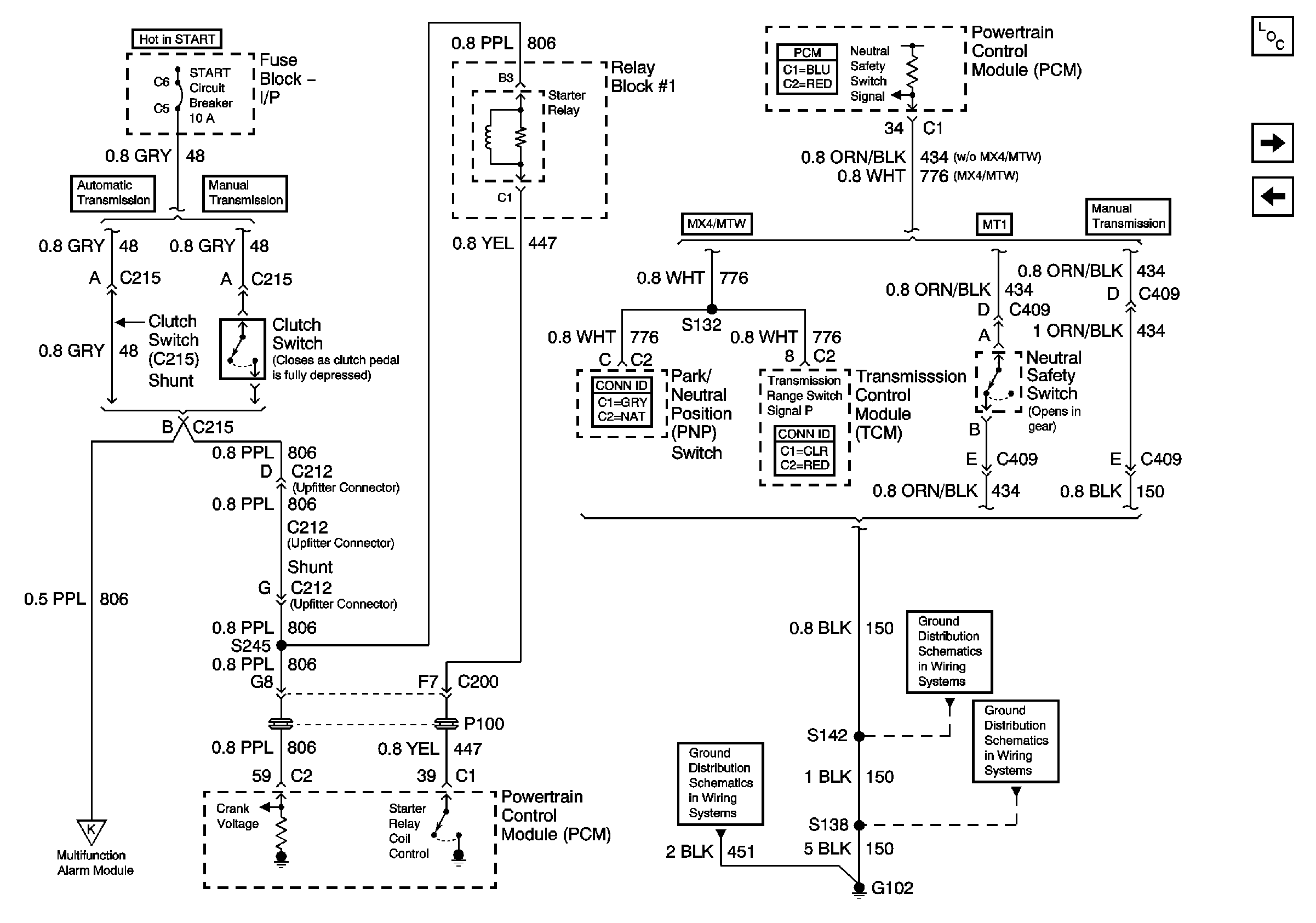
🢒 Clutch, Park/Neutral Position (PNP) and Neutral Safety Switches, Starter Relay and Transmission Control Module (TCM)
Clutch, Park/Neutral Position (PNP) and Neutral Safety Switches, Starter Relay and Transmission Control Module (TCM)
Clutch, Park/Neutral Position (PNP) and Neutral Safety Switches, Starter Relay and Transmission Control Module (TCM)
Master Electrical Component List
Automatic Transmission Modulator Relay and A/T Modulator (MF1)
Stoplamp Switch and Interface Module, Multifunction Alarm Module, Transmission Control Module (TCM) and C212 (Upfitter Connector)
Automatic Engine Shutdown and Warning
G102 and S138 (L18)
S142, S178, S179, S405 and S409 (L18)
G102 and S138 (L18)