GM Service Manual Online
For 1990-2009 cars only
Makes
🢒
Chevrolet
🢒
2000
🢒
Chevrolet C-Series Medium Duty Truck C6/C7/C8
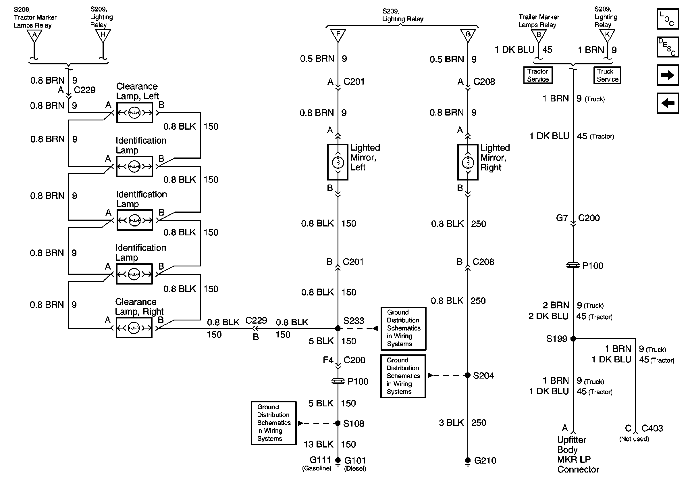
🢒 Clearance and ID Lamps, Lighted Mirrors, Upfitter Provisions
Clearance and ID Lamps, Lighted Mirrors, Upfitter Provisions
Clearance and ID Lamps, Lighted Mirrors, Upfitter Provisions
Lighting Systems Components
Exterior Lights Circuit Description
Trailer Lighting
Park and Turn Signal Lamps, Tail and Stop/Turn Signal Lamps, IP Indicators
Circuit Power, Relays
Circuit Power, Relays
Circuit Power, Relays
Circuit Power, Relays
Circuit Power, Relays
Circuit Power, Relays
G111 (Gasoline), G101 (Diesel)
G208, S233, S501
G210, S204, S245