GM Service Manual Online
For 1990-2009 cars only
Makes
🢒
Chevrolet
🢒
2000
🢒
Chevrolet C-Series Medium Duty Truck C6/C7/C8
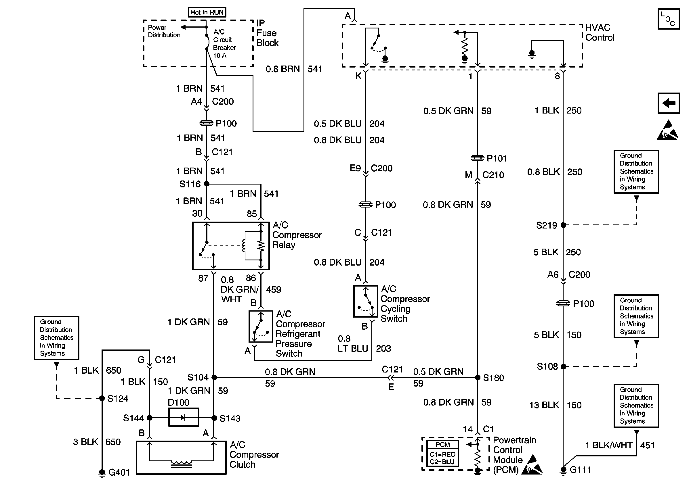
🢒 Air Conditioning
Air Conditioning
Air Conditioning
Engine Controls Components
Automatic Transmission Downshift
Handling ESD Sensitive Parts Notice
S216, S219
S124, S141, S178, S144
G111 (Gasoline), G101 (Diesel)
Powertrain Control Module Connector End Views
Handling ESD Sensitive Parts Notice
G111 (Gasoline), G101 (Diesel)