GM Service Manual Online
For 1990-2009 cars only
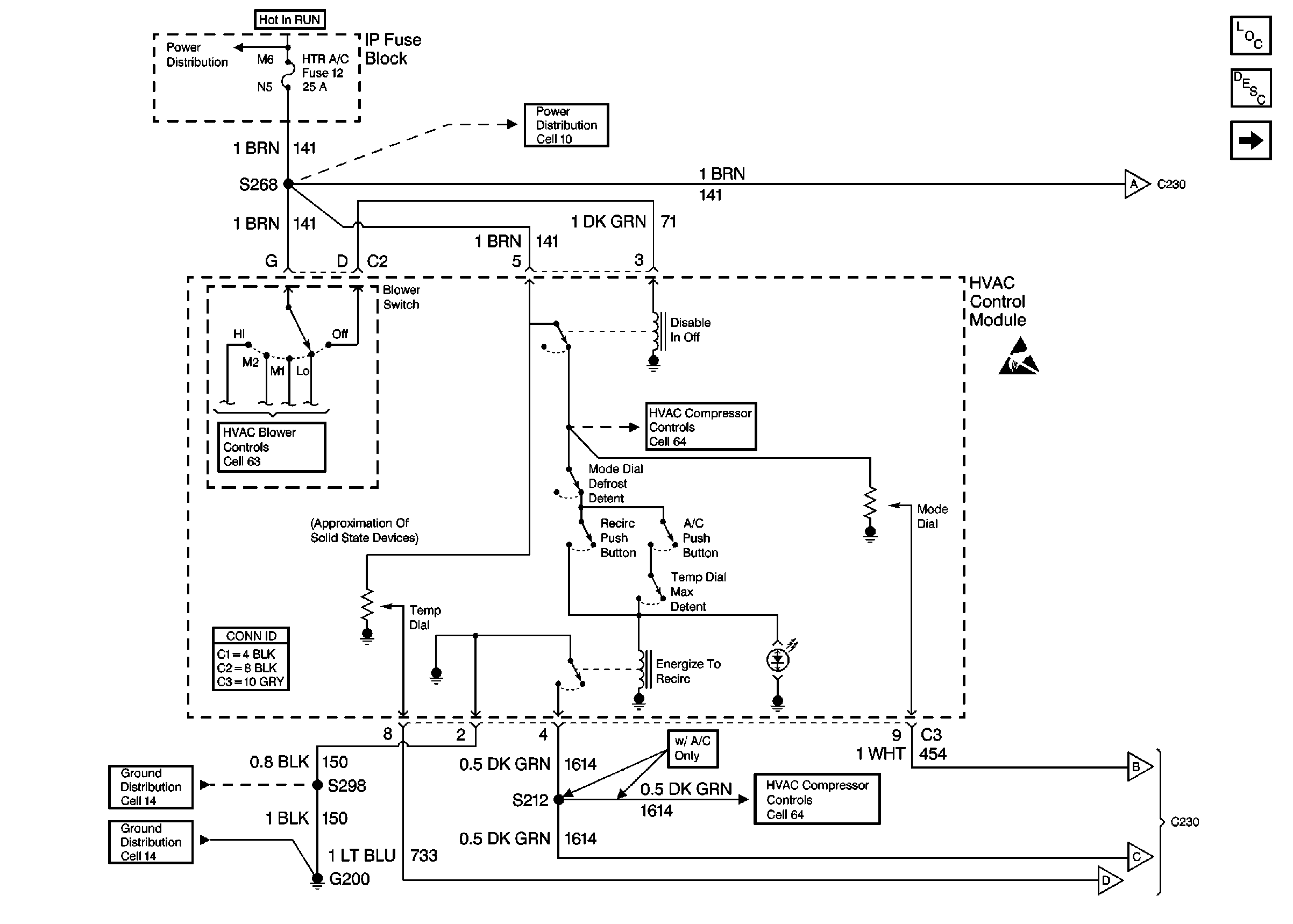
Figure 1:

Cell 65 Front Ventilation Controls (1 of 2)


Object Number: 493355  Size: FS
Power Distribution Schematics
Power Distribution Schematics
Ground Distribution Schematics
HVAC Components
HVAC Blower Controls Circuit Description
Cell 65 Front Ventilation Controls (2 of 2)
Cell 65 Front Ventilation Controls (2 of 2)
Cell 65 Front Ventilation Controls (2 of 2)
Ground Distribution Schematics
Handling ESD Sensitive Parts Notice
Cell 65 Front Ventilation Controls (2 of 2)
Cell 65 Front Ventilation Controls (2 of 2)
Cell 65 Front Ventilation Controls (2 of 2)
HVAC Blower Control Schematics
HVAC Compressor Control Schematics
HVAC Compressor Control Schematics
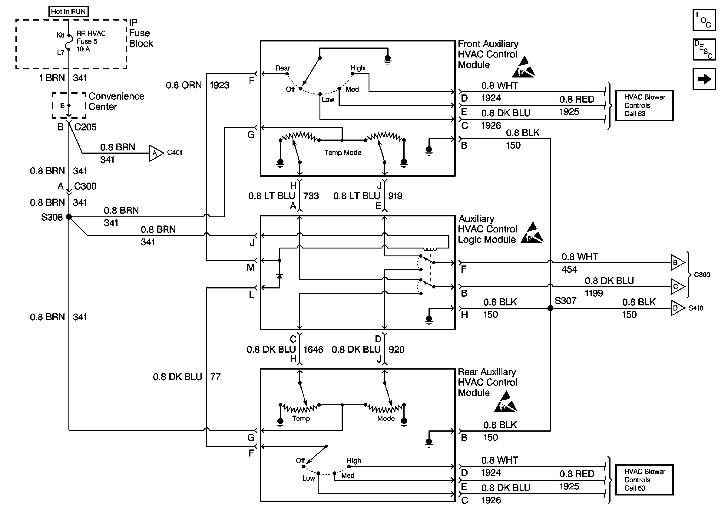
Figure 2:

Cell 65 Front Ventilation Controls (2 of 2)


Object Number: 493358  Size: FS
HVAC Components
HVAC Blower Controls Circuit Description
Cell 65 Front Ventilation Controls (1 of 2)
Ground Distribution Schematics
Cell 65 Front Ventilation Controls (1 of 2)
Cell 65 Front Ventilation Controls (1 of 2)
Cell 65 Front Ventilation Controls (1 of 2)
Cell 65 Front Ventilation Controls (1 of 2)
Figure 3:

Cell 65 Rear Ventilation Controls (1 of 2)


Object Number: 493362  Size: FS
HVAC Air Delivery/Temperature Control Circuit Description
Cell 65 Rear Ventilation Controls (2 of 2)
Cell 65 Rear Ventilation Controls (2 of 2)
Cell 65 Rear Ventilation Controls (2 of 2)
HVAC Blower Control Schematics
Cell 65 Rear Ventilation Controls (2 of 2)
Handling ESD Sensitive Parts Notice
Handling ESD Sensitive Parts Notice
HVAC Blower Control Schematics
Handling ESD Sensitive Parts Notice
Figure 4:

Cell 65 Rear Ventilation Controls (2 of 2)


Object Number: 493364  Size: FS
Cell 65 Rear Ventilation Controls (1 of 2)
Cell 65 Rear Ventilation Controls (1 of 2)
Cell 65 Rear Ventilation Controls (1 of 2)
Power Distribution Schematics
HVAC Components
HVAC Blower Controls Circuit Description
Cell 65 Rear Ventilation Controls (1 of 2)
Ground Distribution Schematics
Ground Distribution Schematics
Cell 65 Rear Ventilation Controls (1 of 2)