GM Service Manual Online
For 1990-2009 cars only
Figure 1:

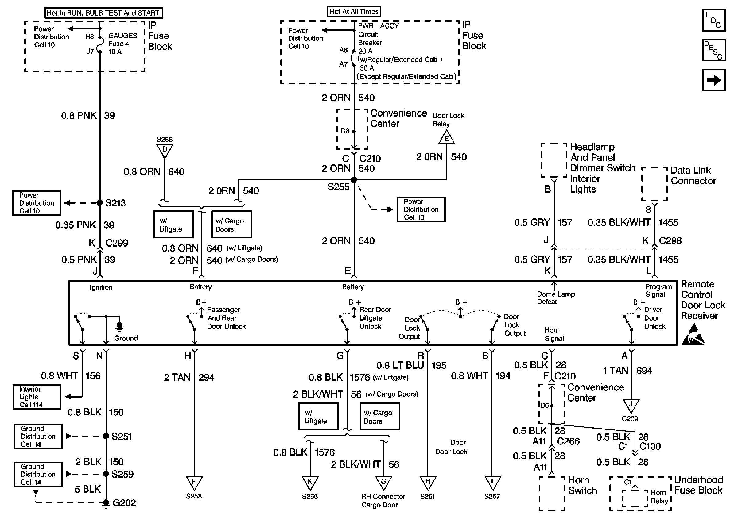
Cell 132: GAUGES Fuse, PWR-ACCY Circuit Breaker, Remote Control Door Lock Receiver, G202


Object Number: 493249  Size: FS
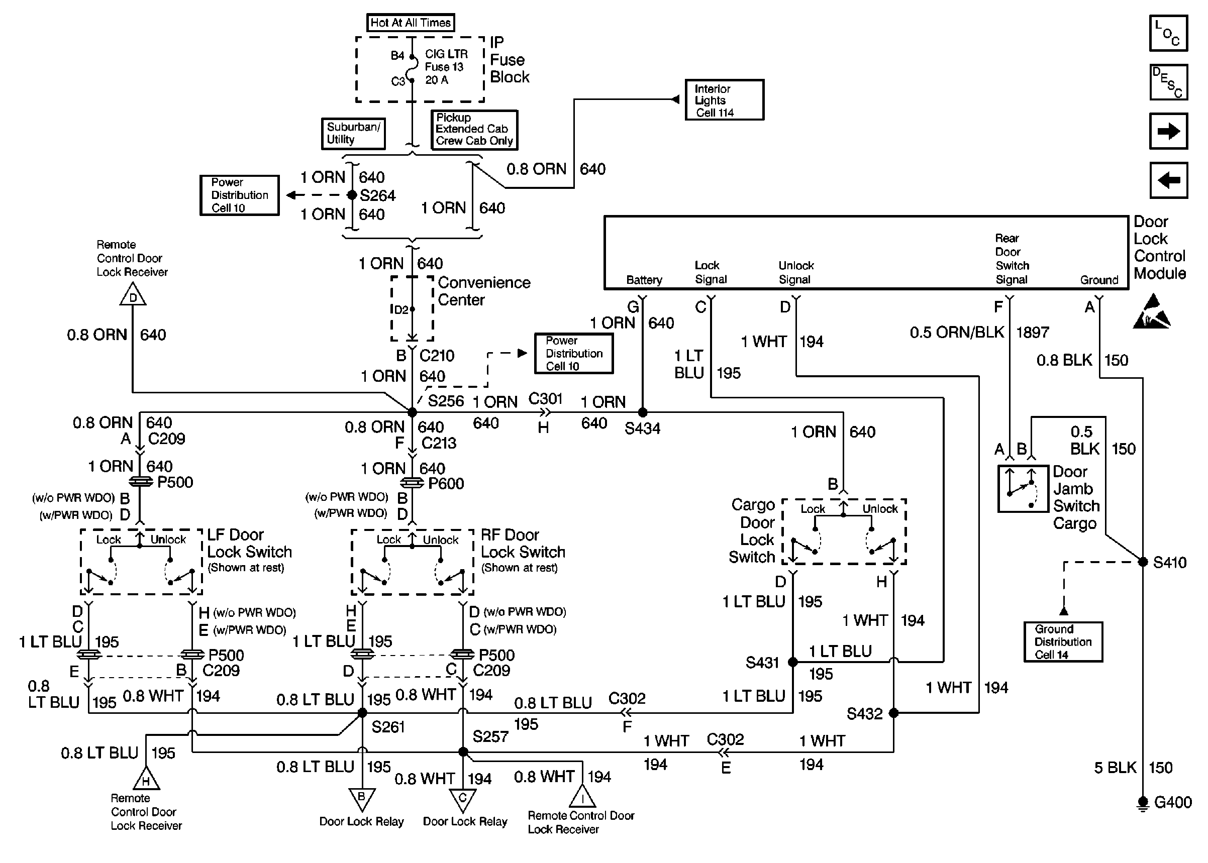
Cell 132: CIG LTR Fuse, Door Lock Control Module, Cargo Door Jamb Switch,G400
Handling ESD Sensitive Parts Notice
Power Distribution Schematics
Interior Lights Schematics
Ground Distribution Schematics
Power Distribution Schematics
Cell 132: CIG LTR Fuse, Door Lock Control Module, Cargo Door Jamb Switch,G400
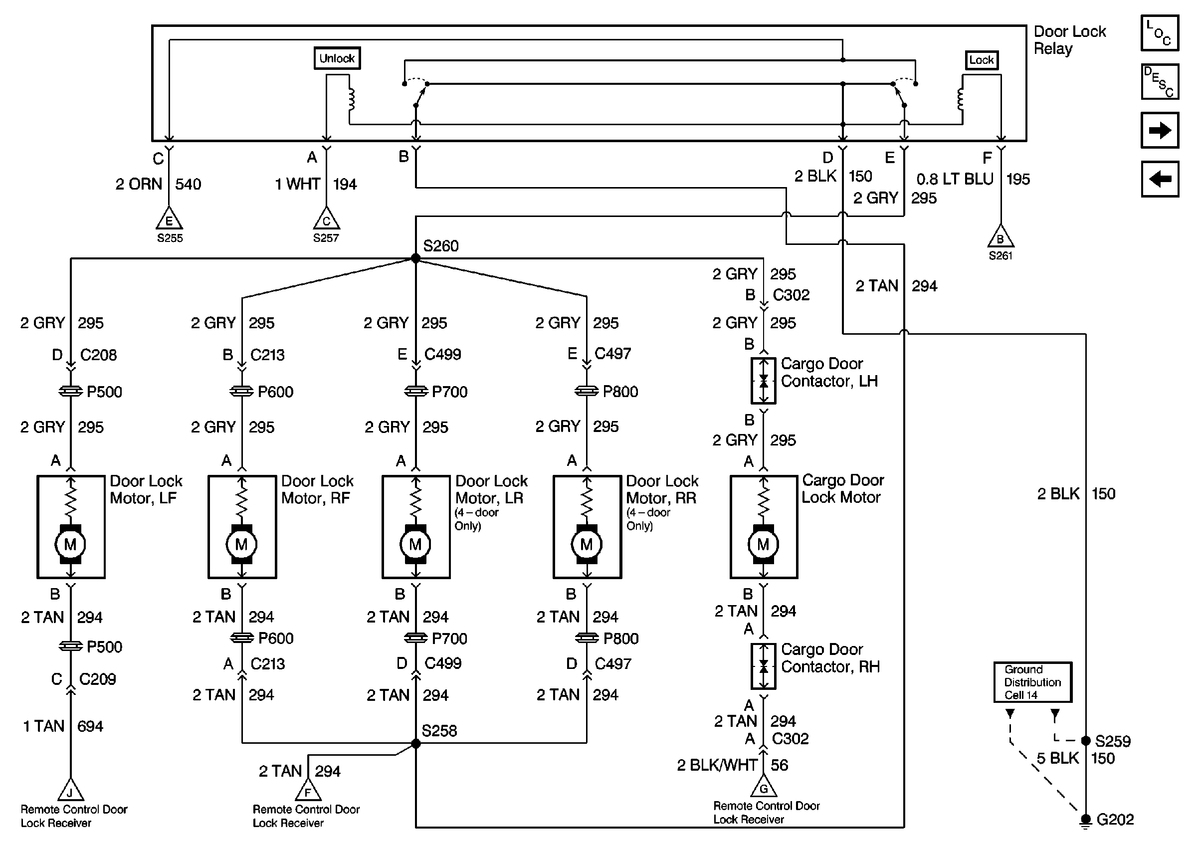
Cell 132: Door Lock Relay, Door Lock Motors, Cargo Door Contactors,G202
Cell 132: Door Lock Relay, Door Lock Motors, Cargo Door Contactors,G202
Cell 132: Door Lock Relay, Door Lock Motors, Cargo Door Contactors,G202
Cell 132: Door Lock Relay, Door Lock Motors, Cargo Door Contactors,G202
Cell 132: CIG LTR Fuse, Door Lock Control Module, Cargo Door Jamb Switch,G400
Cell 132: CIG LTR Fuse, Door Lock Control Module, Cargo Door Jamb Switch,G400
Cell 132: Door Lock Relay, Door Lock Motors, Cargo Door Contactors,G202
Ground Distribution Schematics
Keyless Entry Components
Keyless Entry System Circuit Description
Figure 2:

Cell 132: CIG LTR Fuse, Door Lock Control Module, Cargo Door Jamb Switch, G400


Object Number: 493253  Size: FS
Cell 132: Door Lock Relay, Door Lock Motors, Cargo Door Contactors,G202
Cell 132: GAUGES Fuse, PWR-ACCY Circuit Breaker, Remote Control Door Lock Receiver, G202
Handling ESD Sensitive Parts Notice
Power Distribution Schematics
Interior Lights Schematics
Power Distribution Schematics
Ground Distribution Schematics
Cell 132: GAUGES Fuse, PWR-ACCY Circuit Breaker, Remote Control Door Lock Receiver, G202
Cell 132: GAUGES Fuse, PWR-ACCY Circuit Breaker, Remote Control Door Lock Receiver, G202
Cell 132: Door Lock Relay, Door Lock Motors, Cargo Door Contactors,G202
Cell 132: Door Lock Relay, Door Lock Motors, Cargo Door Contactors,G202
Cell 132: GAUGES Fuse, PWR-ACCY Circuit Breaker, Remote Control Door Lock Receiver, G202
Keyless Entry Components
Keyless Entry System Circuit Description
Figure 3:

Cell 132: Door Lock Relay, Door Lock Motors, Cargo Door Contactors, G202


Object Number: 493375  Size: FS
Cell 132: Rear Door Jamb Switches, G200
Cell 132: CIG LTR Fuse, Door Lock Control Module, Cargo Door Jamb Switch,G400
Ground Distribution Schematics
Cell 132: GAUGES Fuse, PWR-ACCY Circuit Breaker, Remote Control Door Lock Receiver, G202
Cell 132: CIG LTR Fuse, Door Lock Control Module, Cargo Door Jamb Switch,G400
Cell 132: CIG LTR Fuse, Door Lock Control Module, Cargo Door Jamb Switch,G400
Cell 132: GAUGES Fuse, PWR-ACCY Circuit Breaker, Remote Control Door Lock Receiver, G202
Cell 132: GAUGES Fuse, PWR-ACCY Circuit Breaker, Remote Control Door Lock Receiver, G202
Cell 132: GAUGES Fuse, PWR-ACCY Circuit Breaker, Remote Control Door Lock Receiver, G202
Keyless Entry System Circuit Description
Keyless Entry Components
Figure 4:

Cell 132: Rear Door Jamb Switches, G200


Object Number: 493380  Size: FS
Cell 132: Liftgate Release Motor, G105
Cell 132: Door Lock Relay, Door Lock Motors, Cargo Door Contactors,G202
Ground Distribution Schematics
Ground Distribution Schematics
Keyless Entry Components
Keyless Entry System Circuit Description
Figure 5:

Cell 132: Liftgate Release Motor, G105


Object Number: 493385  Size: FS
Cell 132: Rear Door Jamb Switches, G200
Ground Distribution Schematics
Release Systems Schematics
Cell 132: Door Lock Relay, Door Lock Motors, Cargo Door Contactors,G202
Ground Distribution Schematics
Ground Distribution Schematics
Keyless Entry Components
Keyless Entry System Circuit Description