GM Service Manual Online
For 1990-2009 cars only
Makes
🢒
Chevrolet
🢒
2001
🢒
Chevy C Silverado - 2WD
🢒
Body and Accessories
🢒
Stationary Windows
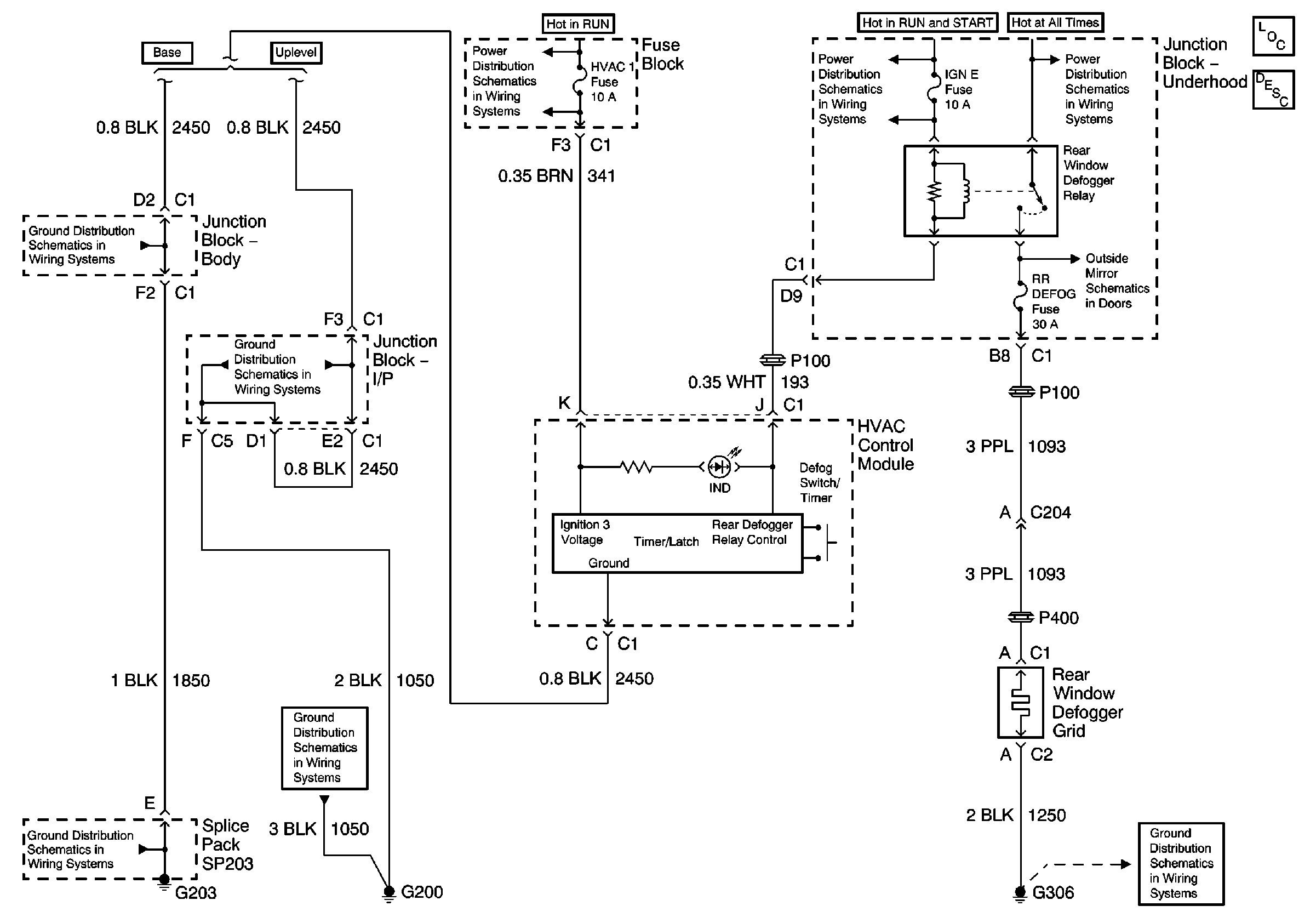
🢒 Defogger Schematics
Defogger Schematics Pick Up
Fuse Block, HVAC Control Module, Rear Window Defogger Grid
Master Electrical Component List
Rear Window Defogger Description and Operation
Power Distribution Schematics
Power Distribution Schematics
Power Distribution Schematics
Ground Distribution Schematics
Ground Distribution Schematics
Outside Rearview Mirror Schematics
Ground Distribution Schematics
Ground Distribution Schematics
Ground Distribution Schematics
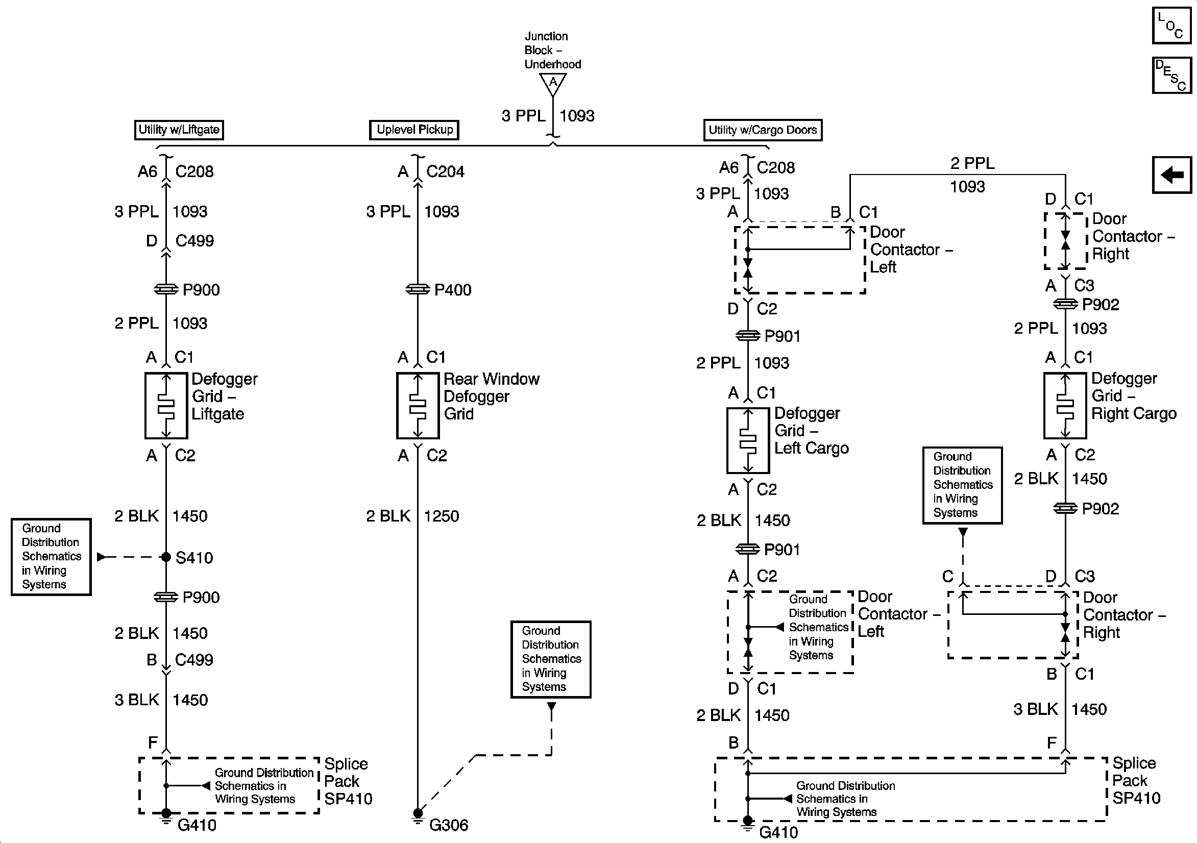
Defogger Schematics Uplevel Pickup and Utilities
Figure
1:
Defogger Controls
Master Electrical Component List
Rear Window Defogger Description and Operation
Defogger Grid
IGNITION, RUN, ACCESSORY, and RAP Bus Bars, RAP #1 and RAP #2 Fuses
IGNITION, RUN, and START Bus Bar
B+ Bus Bar
G203 - 3 of 4 - Base Pickup
G203 - 4 of 4 - Utility and Uplevel Pickup
w/Heated Mirrors
G203 - 1 of 4
G200 - 1 of 2
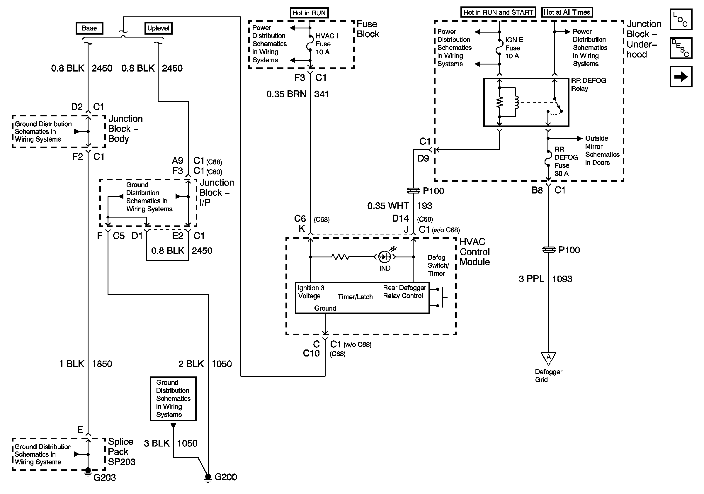
Defogger Grid
Figure
2:
Defogger Grid
Master Electrical Component List
Rear Window Defogger Description and Operation
Defogger Controls
Defogger Controls
G410 - 1 of 2
G410 - 2 of 2
G410 - 2 of 2
G410 - 2 of 2
G410 - 2 of 2