GM Service Manual Online
For 1990-2009 cars only
Figure 1:

Module Power, Ground, Serial Data, and MIL


Object Number: 776211  Size: FS
Master Electrical Component List
Powertrain Control Module Description
Engine Data sensors - Pressure and Temperature
OBD II Symbol Description Notice
AIR, RTD, RADIO, RDO AMP, ECM B, FRT HVAC, and CIGAR Fuses
ECM 1, ETC, INJ A, and INJ B Fuses - Gas Only
IGN 1, TURN, SEO IGN, AIR BAG, CRANK, and IGN 0 Fuses
Splice Pack SP205
IGN 1, TURN, SEO IGN, AIR BAG, CRANK, and IGN 0 Fuses
AUX PWR and HORN Fuses
G103 and G105 - Gas
Indicators
Figure 2:

Engine Data Sensors - Pressure and Temperature


Object Number: 776212  Size: FS
Master Electrical Component List
Powertrain Control Module Description
Engine Data Sensors - MAF and VSS
Module Power, Ground, Serial Data, and MIL
OBD II Symbol Description Notice
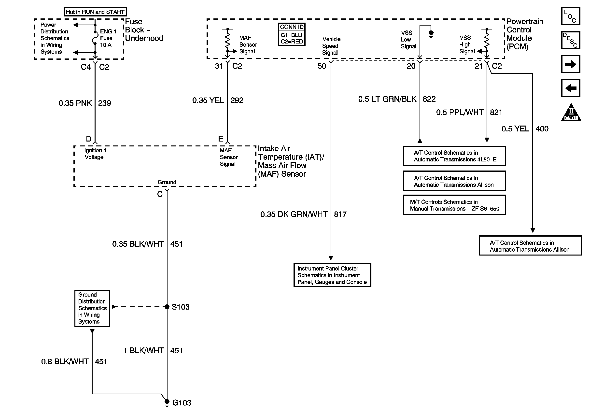
Figure 3:

Engine Data Sensors - MAF and VSS


Object Number: 776284  Size: FS
Master Electrical Component List
Powertrain Control Module Description
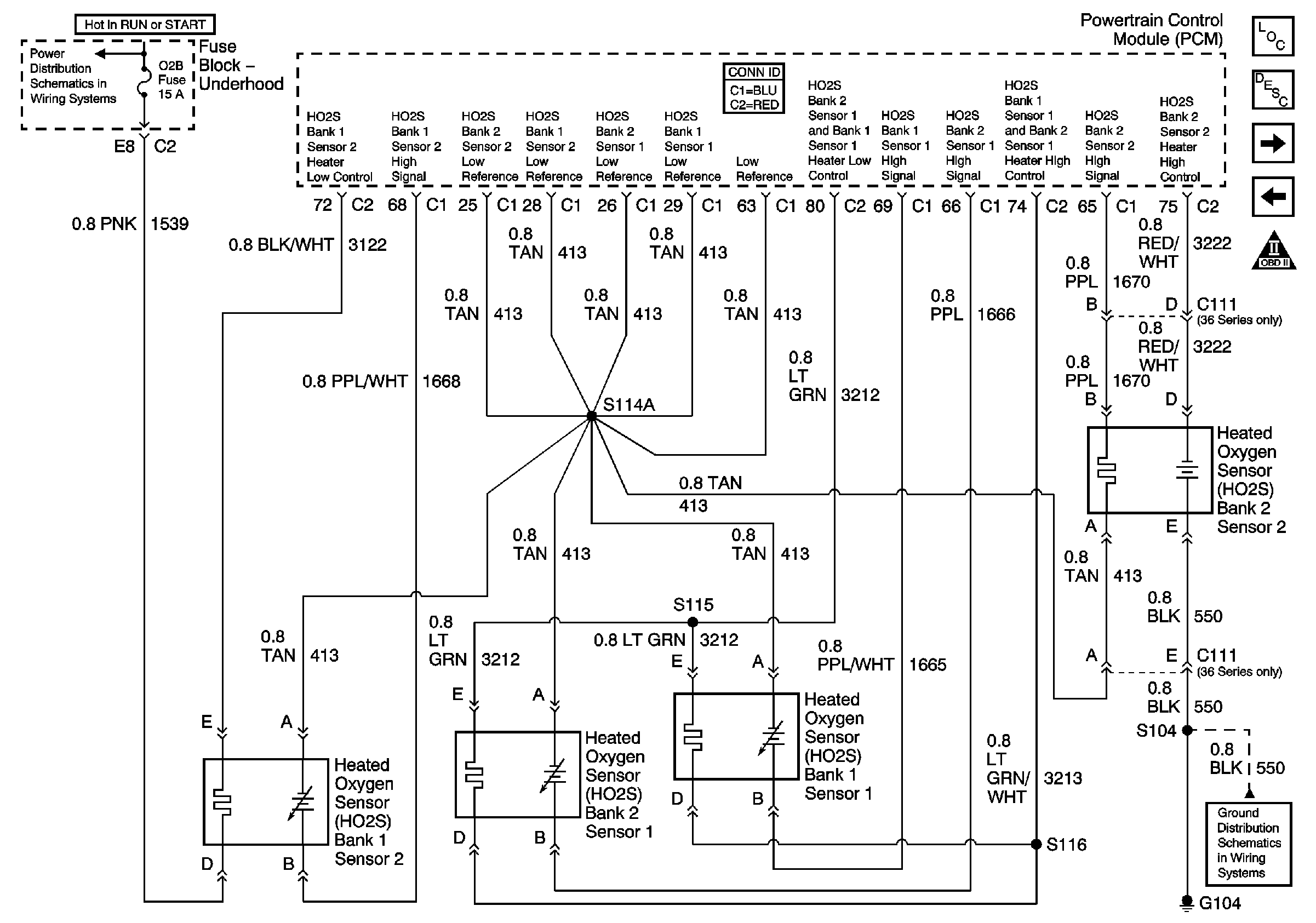
Engine Data Sensors - H02S
Engine Data sensors - Pressure and Temperature
OBD II Symbol Description Notice
02B, 02A, ENG 1, and IGN E Fuses - Gas Only
G103 and G105 - Gas
Gages
Vehicle Speed Signal and 4WD Low Signal
Manual Transmission Schematics
Power, Ground, and Stop Lamp Switch TCC Signal Circuit
Figure 4:

Engine Data Sensors - H02S


Object Number: 776295  Size: FS
Master Electrical Component List
Powertrain Control Module Description
Engine Data Sensors - Electronic Throttle Controls - APP Sensor
Engine Data Sensors - MAF and VSS
OBD II Symbol Description Notice
02B, 02A, ENG 1, and IGN E Fuses - Gas Only
G104 - Gas
Figure 5:

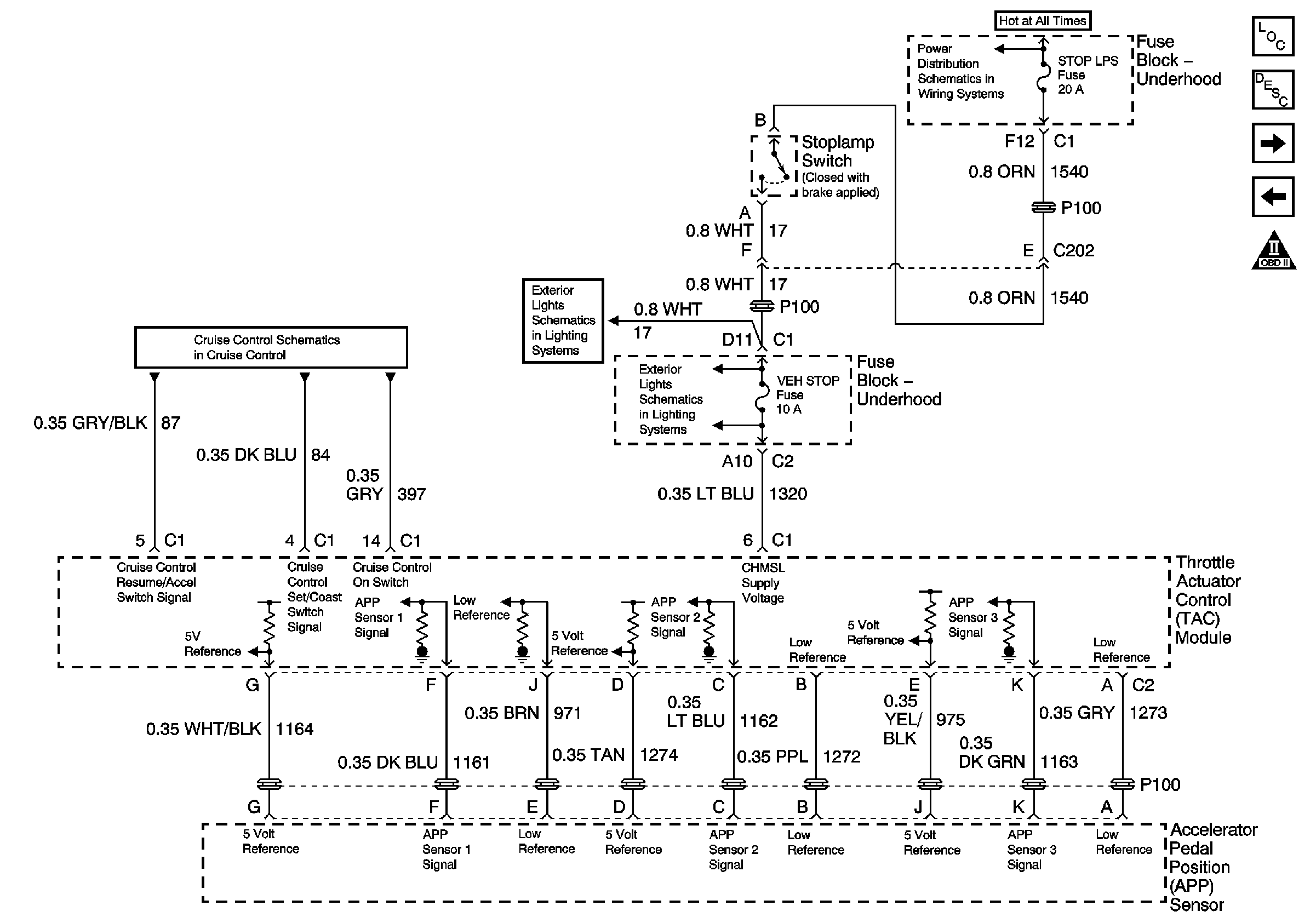
Engine Data Sensors - Electronic Throttle Controls - APP Sensor


Object Number: 776304  Size: FS
Master Electrical Component List
Powertrain Control Module Description
Engine Data Sensors - Electronic Throttle Controls - TAC Motor and TP Sensor
Engine Data Sensors - H02S
OBD II Symbol Description Notice
Cruise Control ON/OFF Switch, STOP LPS Fuse, and Accelerator Pedal Position (APP) Sensor - Gas w/ETC
Turn Signal/Multifunction Switch and Stop Lamp Switch Controls
Turn Signal/Multifunction Switch and Stop Lamp Switch Controls
Stop, Turn, and Hazard Bus Bars
Figure 6:

Engine Data Sensors - Electronic Throttle Control - TAC Motor and TP Sensor


Object Number: 776302  Size: FS
Master Electrical Component List
Powertrain Control Module Description
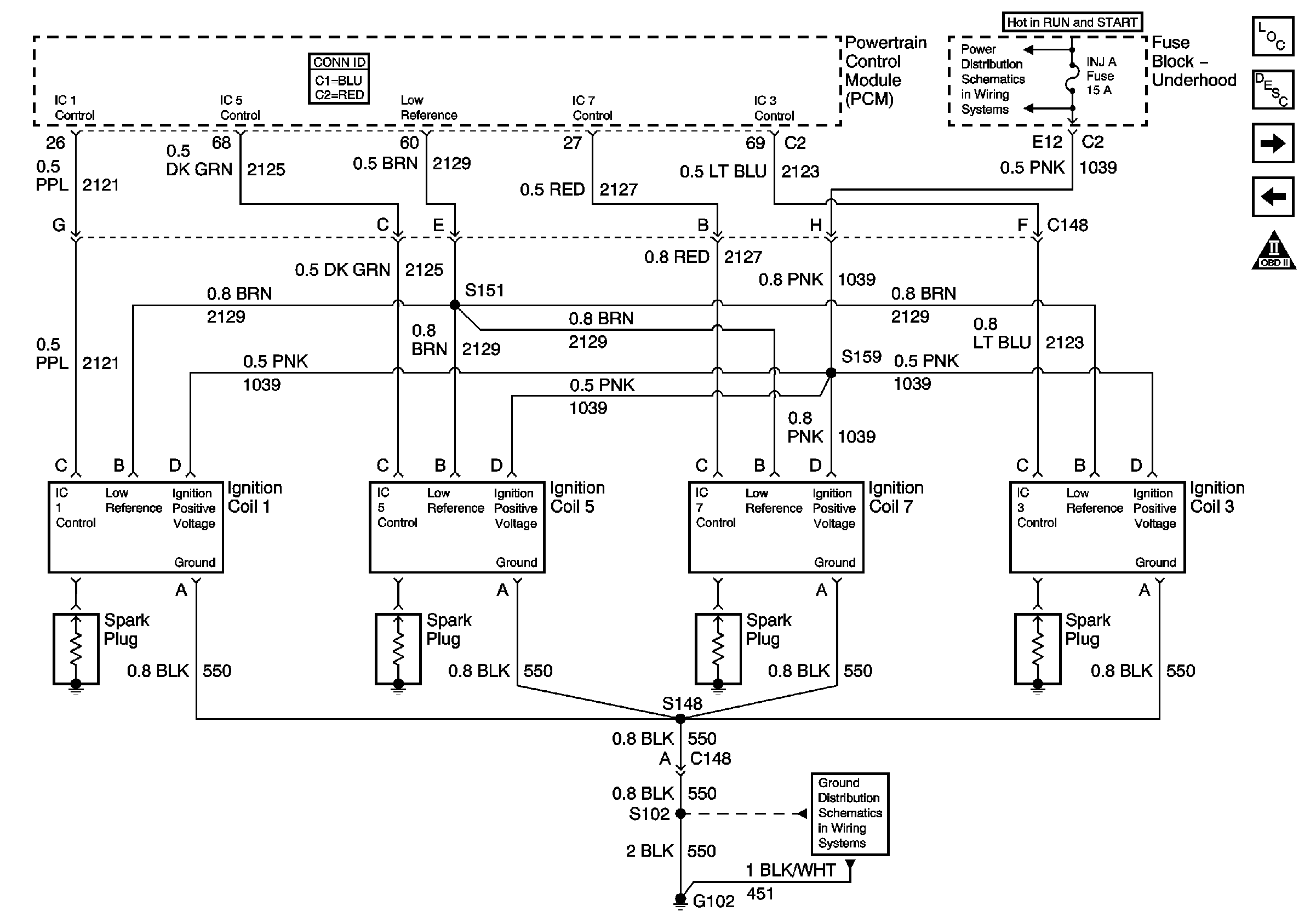
Ignition Controls - Cylinders 2, 4, 6, and 8
Engine Data Sensors - Electronic Throttle Controls - APP Sensor
OBD II Symbol Description Notice
ECM 1, ETC, INJ A, and INJ B Fuses - Gas Only
G103 and G105 - Gas
Figure 7:

Ignition Controls - Cylinders 2, 4, 6, and 8


Object Number: 776288  Size: FS
Master Electrical Component List
Powertrain Control Module Description
Ignition Controls - Cylinders 1, 3, 5, and 7
Engine Data Sensors - Electronic Throttle Controls - TAC Motor and TP Sensor
OBD II Symbol Description Notice
G104 - Gas
ECM 1, ETC, INJ A, and INJ B Fuses - Gas Only
Figure 8:

Ignition Controls - Cylinders 1, 3, 5, and 7


Object Number: 776290  Size: FS
Master Electrical Component List
Powertrain Control Module Description
Ignition Controls - Sensors
Ignition Controls - Cylinders 2, 4, 6, and 8
OBD II Symbol Description Notice
G104 - Gas
ECM 1, ETC, INJ A, and INJ B Fuses - Gas Only
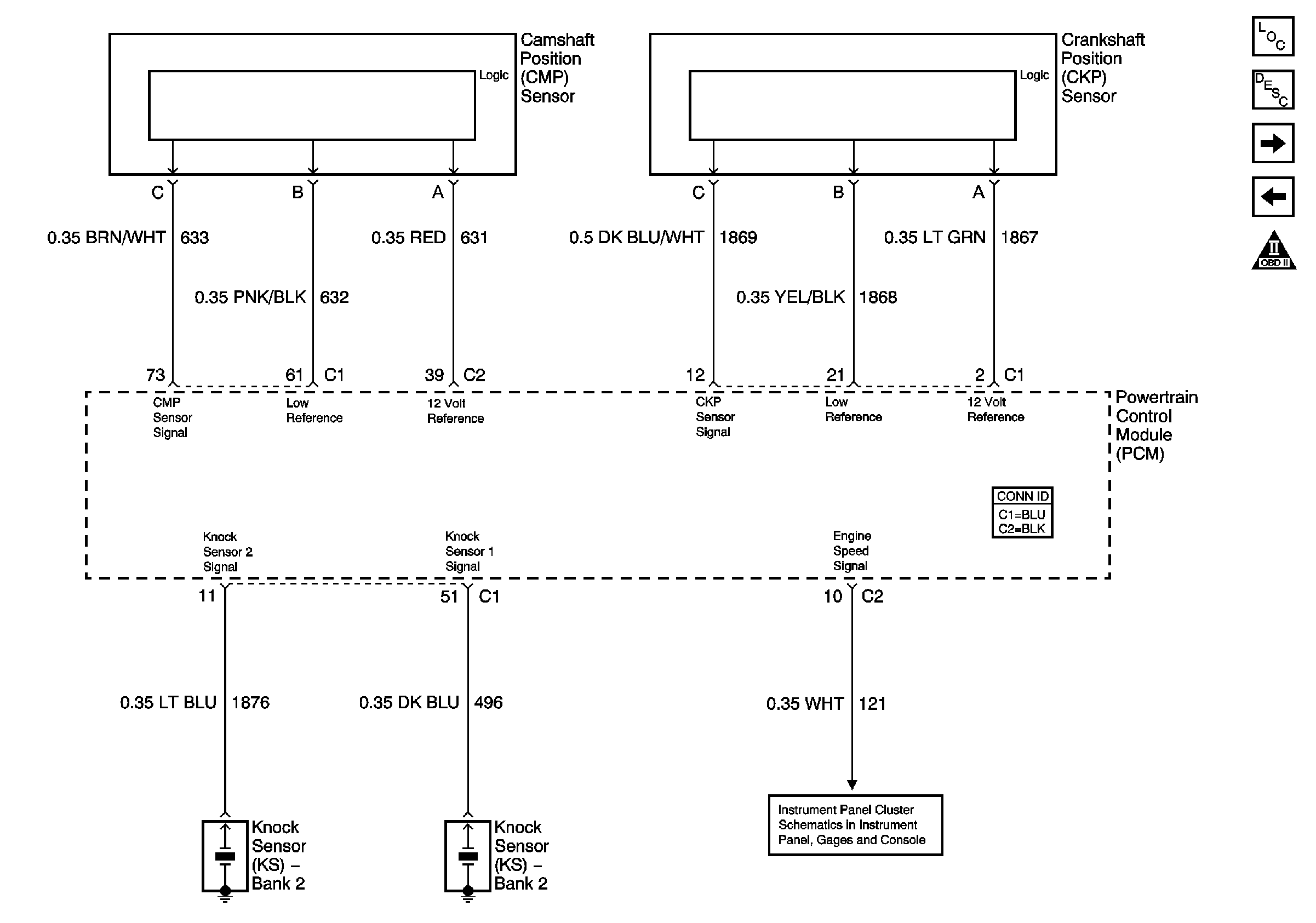
Figure 9:

Ignition Controls - Sensors


Object Number: 776291  Size: FS
Master Electrical Component List
Powertrain Control Module Description
Fuel Controls - Fuel Pump Controls
Ignition Controls - Cylinders 1, 3, 5, and 7
OBD II Symbol Description Notice
Gages
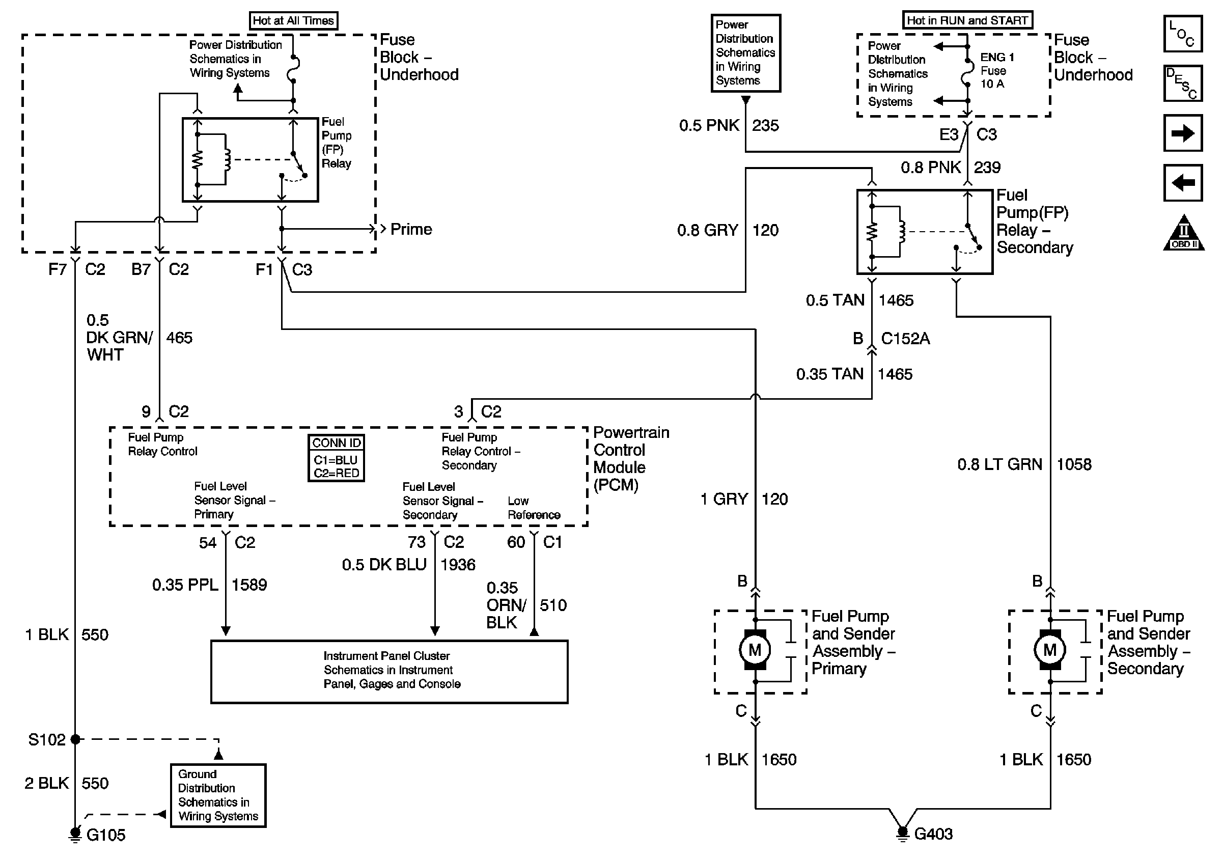
Figure 10:

Fuel Controls - Fuel Pump Controls


Object Number: 776293  Size: FS
Master Electrical Component List
Powertrain Control Module Description
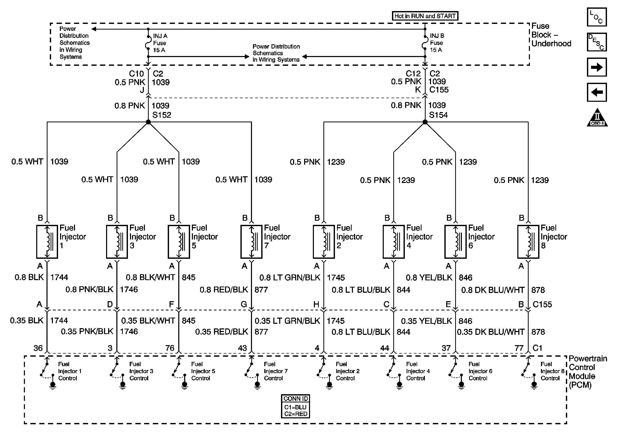
Fuel Controls - Fuel Injectors
Ignition Controls - Sensors
OBD II Symbol Description Notice
AIR, RTD, RADIO, RDO AMP, ECM B, FRT HVAC, and CIGAR Fuses
02B, 02A, ENG 1, and IGN E Fuses - Gas Only
02B, 02A, ENG 1, and IGN E Fuses - Gas Only
Fuel Gage and Fuel Pump and Sender Assembly
G103 and G105 - Gas
Figure 11:

Fuel Controls - Fuel Injectors


Object Number: 776294  Size: FS
Master Electrical Component List
Powertrain Control Module Description
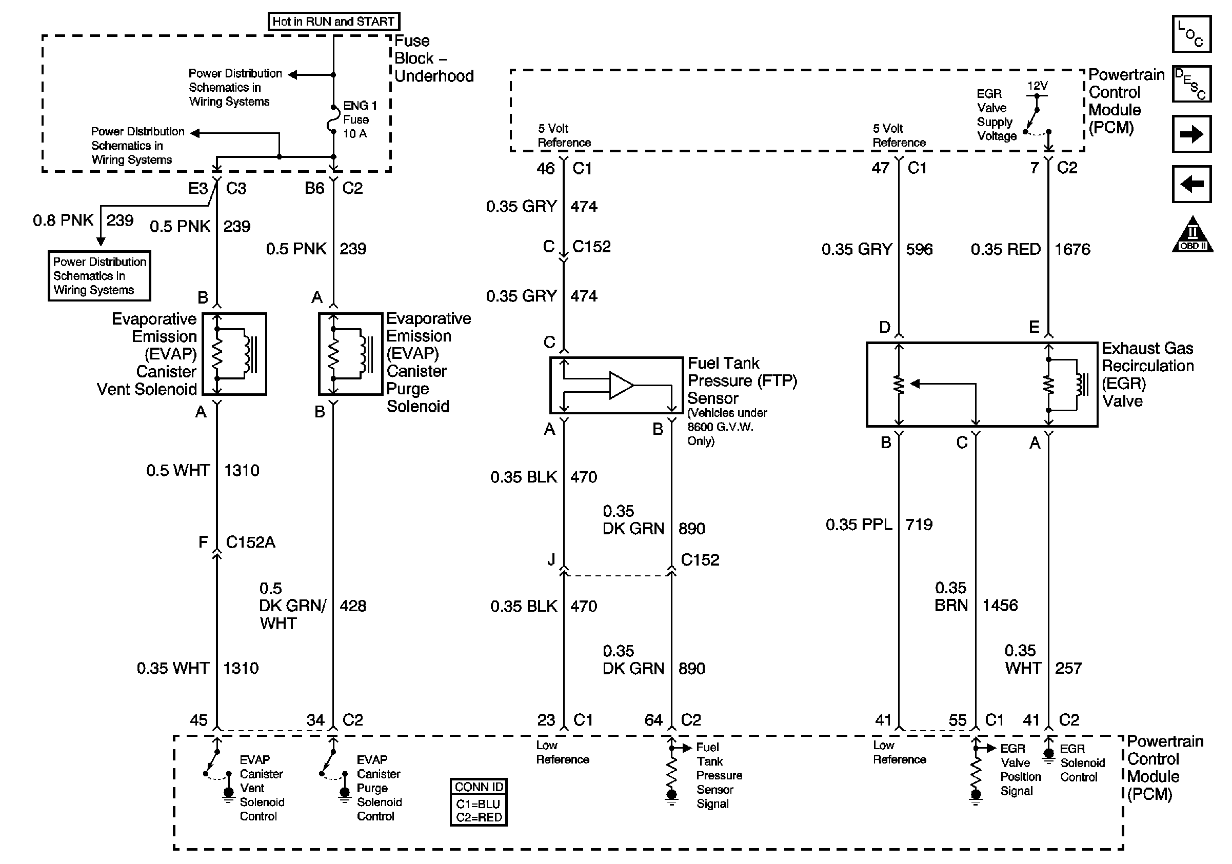
Fuel Controls - EVAP Controls and EGR
Fuel Controls - Fuel Pump Controls
OBD II Symbol Description Notice
ECM 1, ETC, INJ A, and INJ B Fuses - Gas Only
ECM 1, ETC, INJ A, and INJ B Fuses - Gas Only
Figure 12:

Fuel Controls - EVAP Controls and EGR


Object Number: 776296  Size: FS
Master Electrical Component List
Powertrain Control Module Description
Controlled/Monitored Subsystem References
Fuel Controls - Fuel Injectors
OBD II Symbol Description Notice
02B, 02A, ENG 1, and IGN E Fuses - Gas Only
02B, 02A, ENG 1, and IGN E Fuses - Gas Only
02B, 02A, ENG 1, and IGN E Fuses - Gas Only
Figure 13:

Controlled/Monitored Subsystem References


Object Number: 776297  Size: FS
Master Electrical Component List
Powertrain Control Module Description
Transmission Controls - A/T
Fuel Controls - EVAP Controls and EGR
OBD II Symbol Description Notice
A/C Compressor Controls
Compressor Controls
Air Delivery Controls - Recirculation Actuator (Base)
Air Delivery Controls - Actuators
Charging w/o Dual Generator
NP2 Transfercase Schematics
Power, Ground and Transfer Case Encoder Motor
Power, Ground, Class 2 Communication (w/Traction Assist)
Power and Ground
Engine Cooling Schematic
Figure 14:

Transmission Controls - A/T


Object Number: 776300  Size: FS
Master Electrical Component List
Powertrain Control Module Description
Power Take Off (PTO) Controls
Controlled/Monitored Subsystem References
OBD II Symbol Description Notice
Switch Inputs
Tow/Haul and PNP Switch Inputs
Switch Inputs
Switch Inputs
Power, Ground, and Stop Lamp Switch TCC Signal Circuit
Valve Controls and Brake Switch
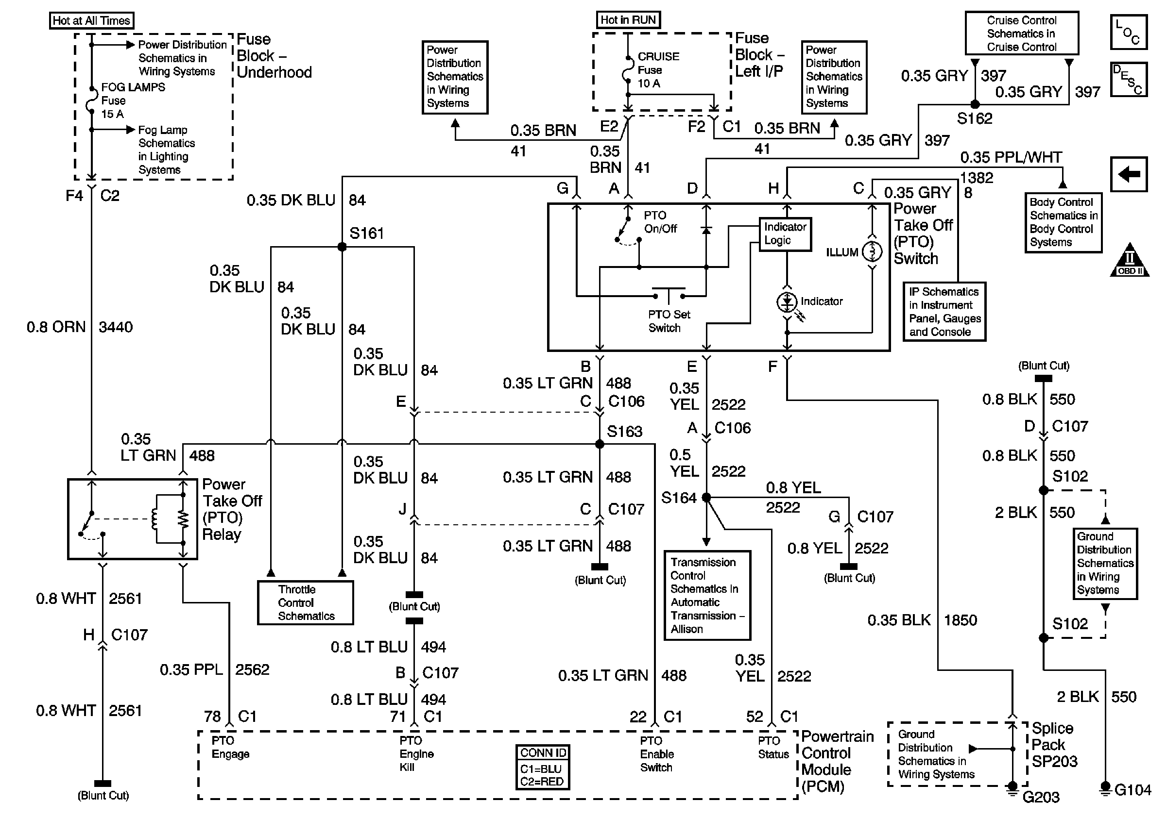
Figure 15:

Power Take Off (PTO) Controls


Object Number: 776306  Size: FS