GM Service Manual Online
For 1990-2009 cars only
Makes
🢒
Chevrolet
🢒
2002
🢒
Chevy C Silverado - 2WD
🢒
Body and Accessories
🢒
Lighting Systems
🢒 Cruise Control Schematics
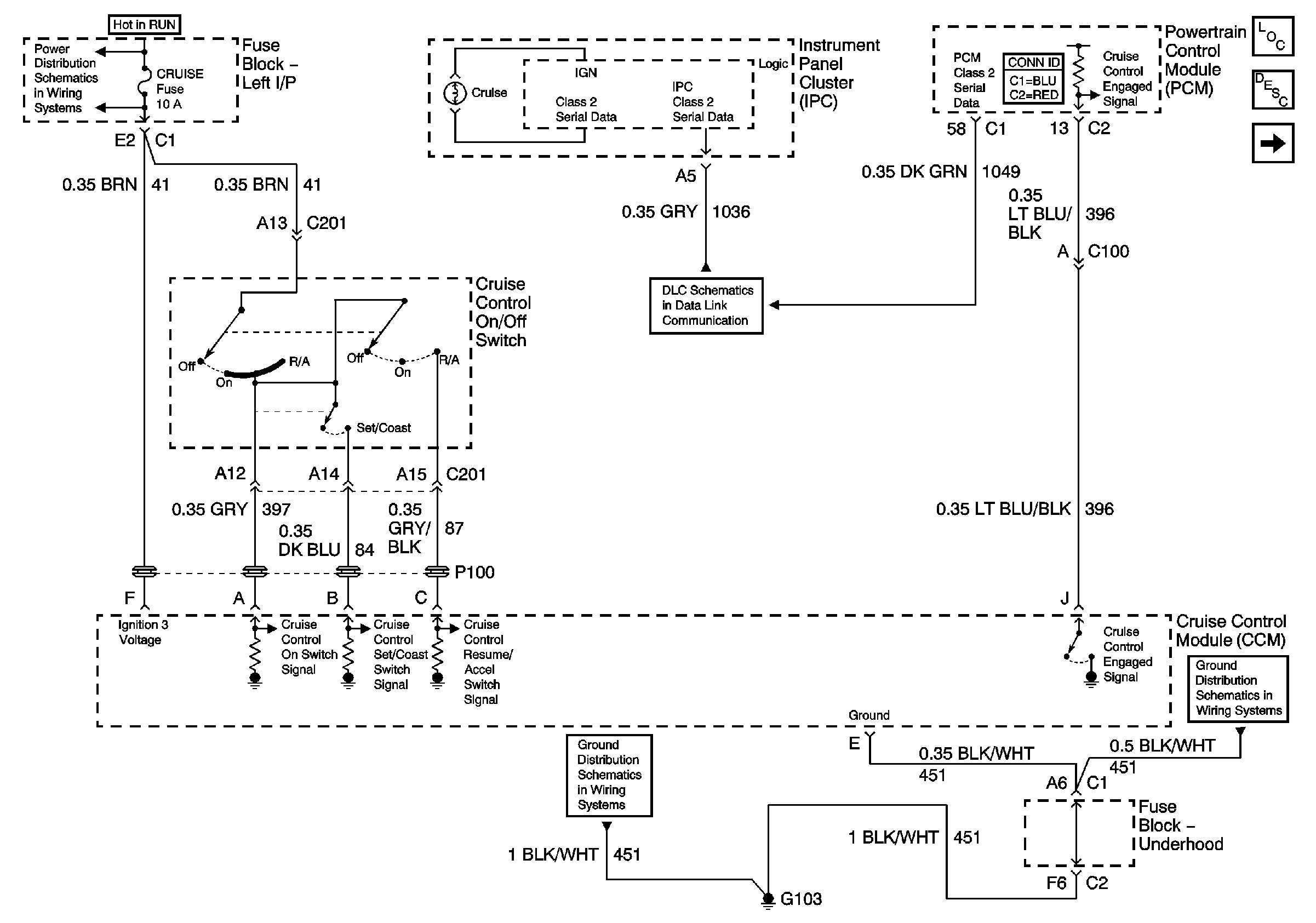
Figure
1:
Cruise Control Module and Cruise Control ON/OFF Switch - Gas w/o ETC
Master Electrical Component List
Cruise Control Description and Operation w/o ETC
Cruise Control Module , Clutch Start Switch, and Stop Lamp Switch - Gas w/o ETC
AUX PWR and HORN Fuses
BRAKE, Cruise, HTR A/C, RR WPR, WS WPR, and SEO ACCY Fuses
IGN 1, TURN, SEO IGN, AIR BAG, CRANK, and IGN 0 Fuses
Splice Pack SP205
G103 and G105 - Gas
G103 and G105 - Gas
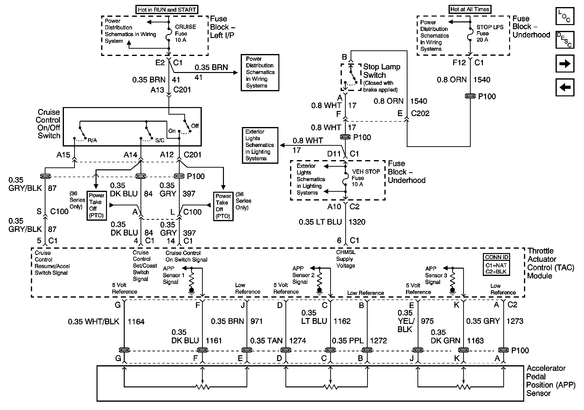
Figure
2:
Cruise Control Module, Clutch Start Switch and Stop Lamp Switch - Gas w/o ETC
Master Electrical Component List
Cruise Control Description and Operation w/o ETC
Throttle Actuator Control (TAC) Module, ETC Fuse, and Throttle Position Sensor - Gas w/ETC
Cruise Control Module and Cruise Control ON/OFF Switch - Gas w/o ETC
Gages
BRAKE, Cruise, HTR A/C, RR WPR, WS WPR, and SEO ACCY Fuses
B+ Bus Bar
Turn Signal/Multifunction Switch and Stop Lamp Switch Controls
BRAKE, Cruise, HTR A/C, RR WPR, WS WPR, and SEO ACCY Fuses
Power, Ground, Class 2 Communication (w/o Traction Assist)
Turn Signal/Multifunction Switch and Stop Lamp Switch Controls
Controlled/Monitored Subsystem References
CD Player and VSS Input
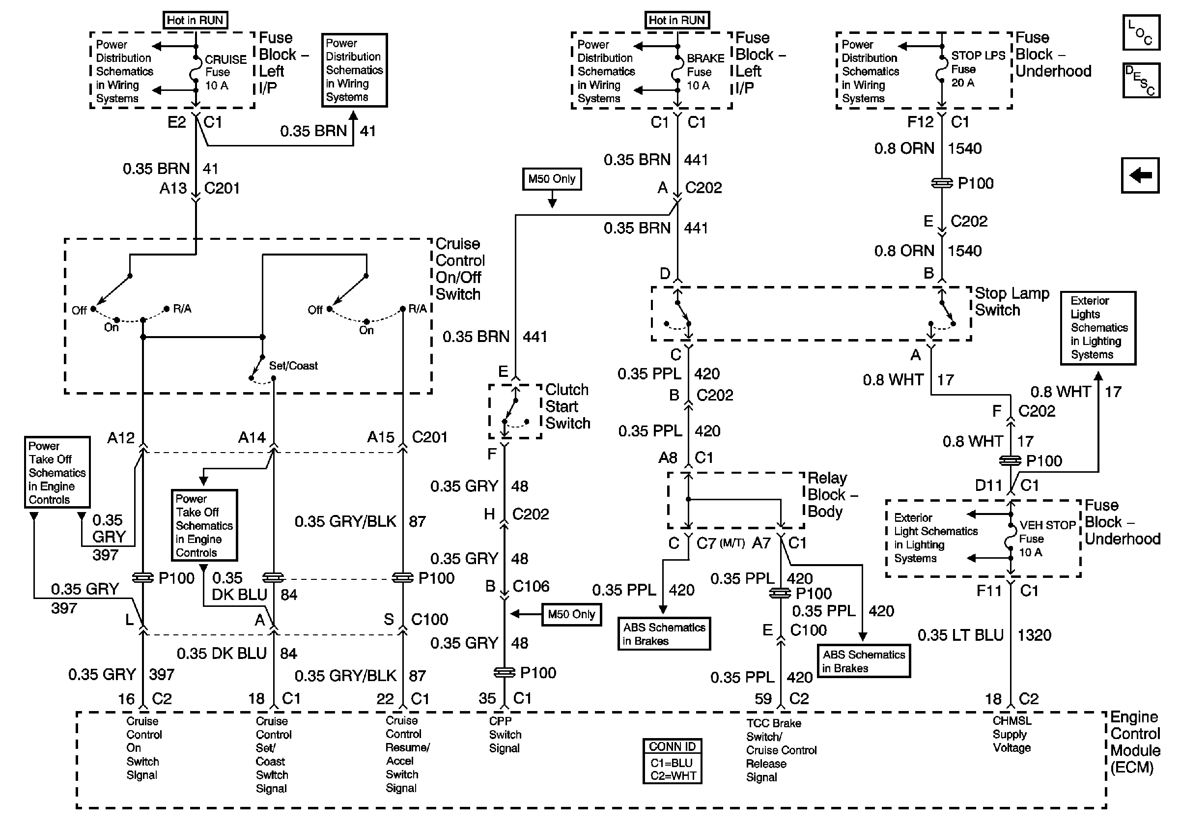
Figure
3:
Throttle Actuator Control Module, ETC Fuse and Throttle Position Sensor - Gas w/ETC
Master Electrical Component List
Throttle Actuator Control (TAC) System Description
Cruise Control ON/OFF Switch, STOP LPS Fuse, and Accelerator Pedal Position (APP) Sensor - Gas w/ETC
Cruise Control Module , Clutch Start Switch, and Stop Lamp Switch - Gas w/o ETC
ECM 1, ETC, INJ A, and INJ B Fuses - Gas Only
G103 and G105 - Gas
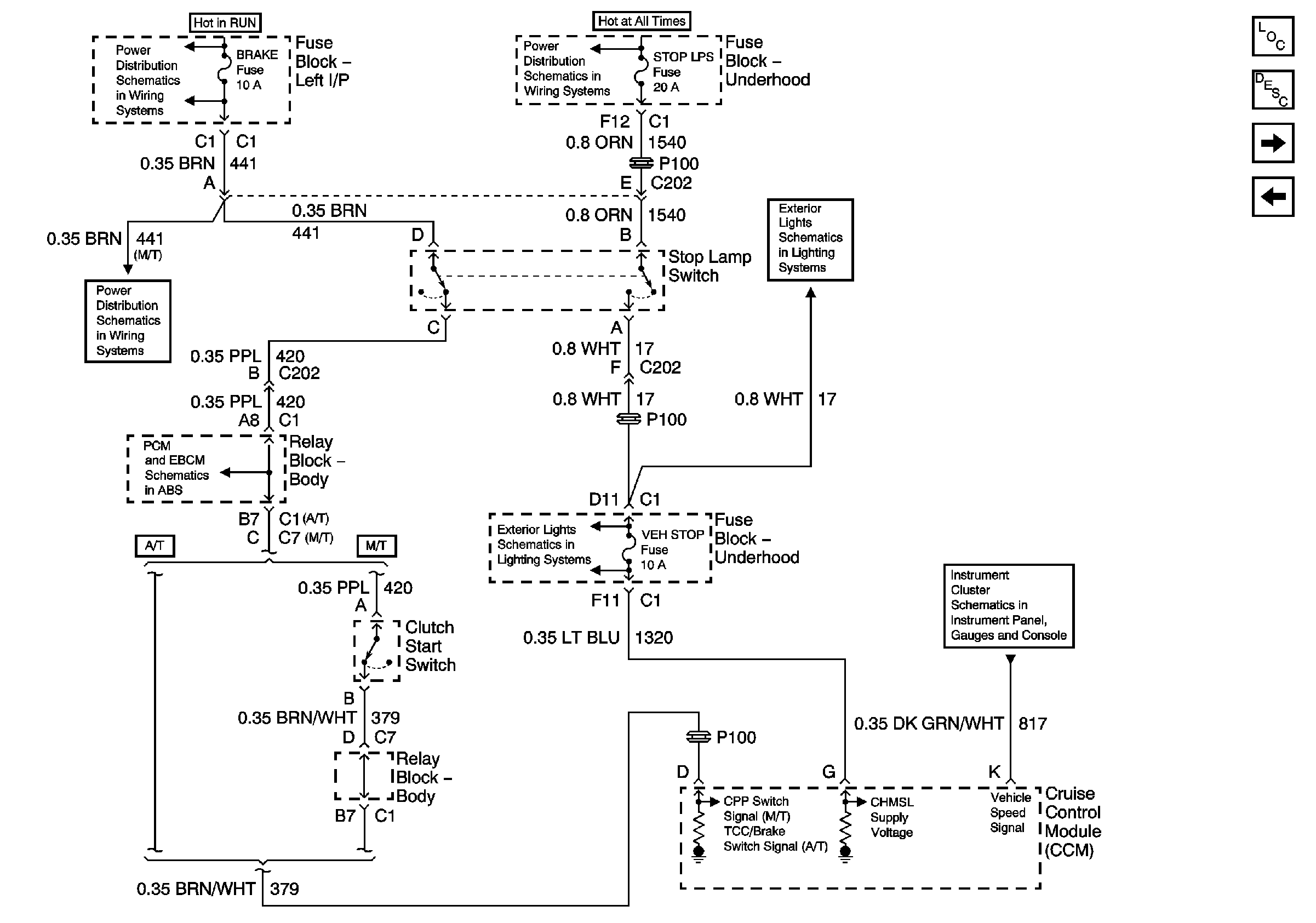
Figure
4:
Cruise Control ON/OFF Switch, STOP LPS Fuse and Accelerator Pedal Position Sensor - Gas w/ETC
Master Electrical Component List
Cruise Control Description and Operation w/ ETC
Cruise Control ON/OFF Switch, Clutch Start Switch, Stoplamp Switch - Diesel
Throttle Actuator Control (TAC) Module, ETC Fuse, and Throttle Position Sensor - Gas w/ETC
BRAKE, Cruise, HTR A/C, RR WPR, WS WPR, and SEO ACCY Fuses
Cruise Control Module and Cruise Control ON/OFF Switch - Gas w/o ETC
B+ Bus Bar
Turn Signal/Multifunction Switch and Stop Lamp Switch Controls
Turn Signal/Multifunction Switch and Stop Lamp Switch Controls
Figure
5:
Cruise Control ON/OFF Switch, Clutch Start Switch and Stop Lamp Switch - Diesel
Master Electrical Component List
Cruise Control Description and Operation Diesel
Cruise Control ON/OFF Switch, STOP LPS Fuse, and Accelerator Pedal Position (APP) Sensor - Gas w/ETC
BRAKE, Cruise, HTR A/C, RR WPR, WS WPR, and SEO ACCY Fuses
BRAKE, Cruise, HTR A/C, RR WPR, WS WPR, and SEO ACCY Fuses
BRAKE, Cruise, HTR A/C, RR WPR, WS WPR, and SEO ACCY Fuses
B+ Bus Bar
Power, Ground, Class 2 Communication (w/o Traction Assist)
Turn Signal/Multifunction Switch and Stop Lamp Switch Controls
Power, Ground, Class 2 Communication (w/o Traction Assist)
Power Take Off (PTO) Controls
Power Take Off (PTO) Controls