GM Service Manual Online
For 1990-2009 cars only
Makes
🢒
Chevrolet
🢒
2001
🢒
Chevy K Silverado - 4WD
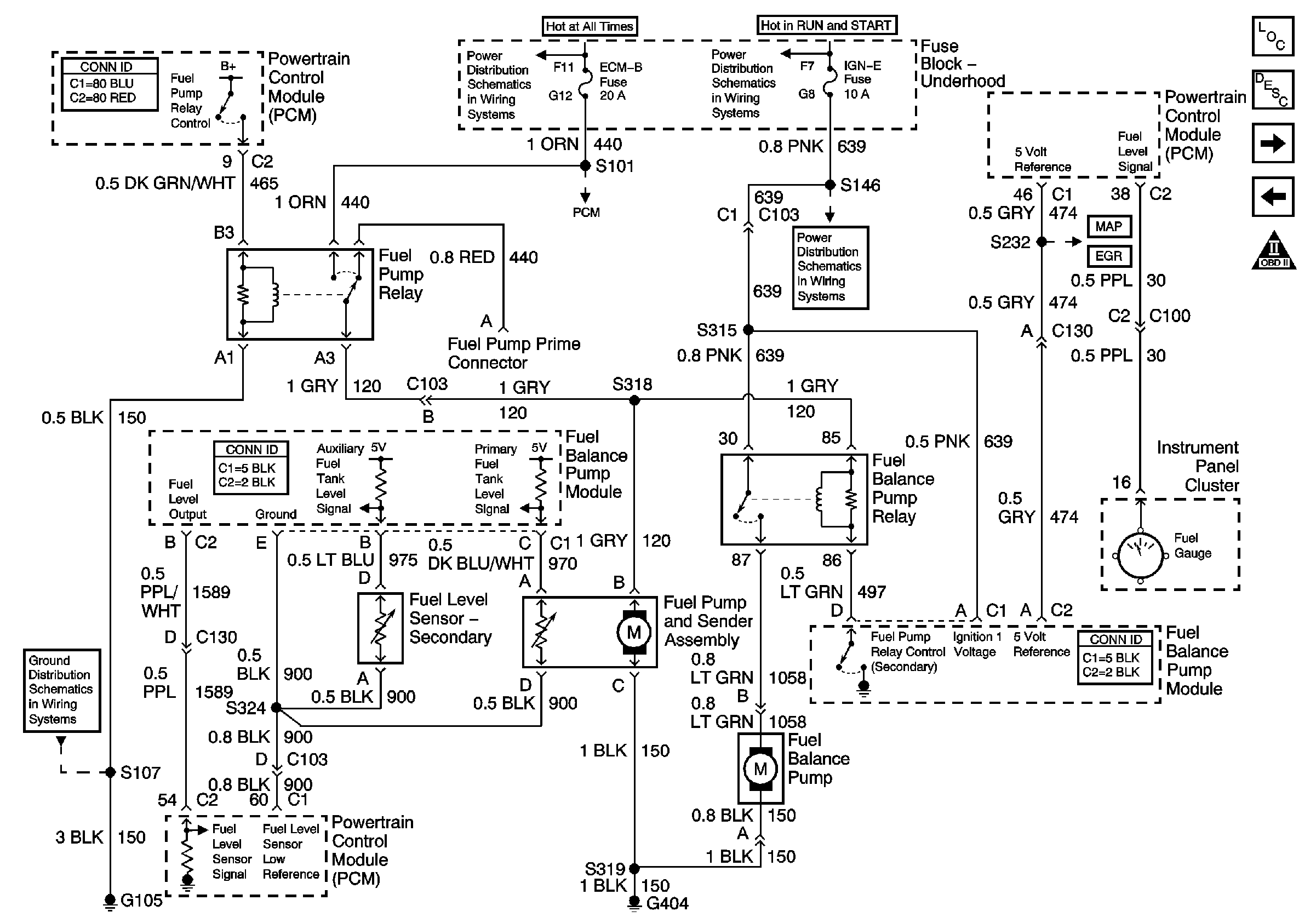
🢒 Fuel Pump Controls, Dual Tanks
Fuel Pump Controls, Dual Tanks
Fuel Pump Controls, Dual Tanks
Master Electrical Component List
Fuel Injector Controls
Fuel Pump Controls, Single Tank
OBD II Symbol Description Notice
Battery and Underhood Fuse Block
PCM Power, Grounding, DLC, and MIL
IGN A Fuse and Ignition Switch
ENG I and IGN-E Fuse - L18
MAP, ECT, and Air Meter (IAC&MAF)
EVAP and EGR
Speedometer, Tachometer, and Fuel Gauge
G105, L18, 1 of 2, All Except Ignition Coils