GM Service Manual Online
For 1990-2009 cars only
Figure 1:

Power, Ground, Serial Data and Driver Information Controls


Object Number: 1241456  Size: FS
Master Electrical Component List
Instrument Cluster Description and Operation
Indicators
B+ Bus Bar - 1 of 2
Ignition Switch - ACC/RUN and RUN/START Bus Bars
RTD, IPC/DIC, SEO B1, SUNROOF, EAP, and RR WPR Fuses
SEO B2, RR DEFOG, SEO IGN, and B/U LP Fuses
G203 - 3 of 3
G203 - 1 of 3
G203 - 1 of 3
SP205 - 1 of 2
Figure 2:

Indicators


Object Number: 1241472  Size: FS
Master Electrical Component List
Instrument Cluster Description and Operation
Gages
Power, Ground, Serial Data and Driver Information Controls
SP205 - 1 of 2
Supplemental Brake Assist
G102, G103, G108 and G109 - Diesel
G102, G103, G108 and G109 - Diesel
G103 - Gas
G100 and G101
Left Turn Signals - Domestic - GMC
Left Turn Signals - Export - GMC
Right Turn Signals - Domestic - GMC
Right Turn Signals - Export - GMC
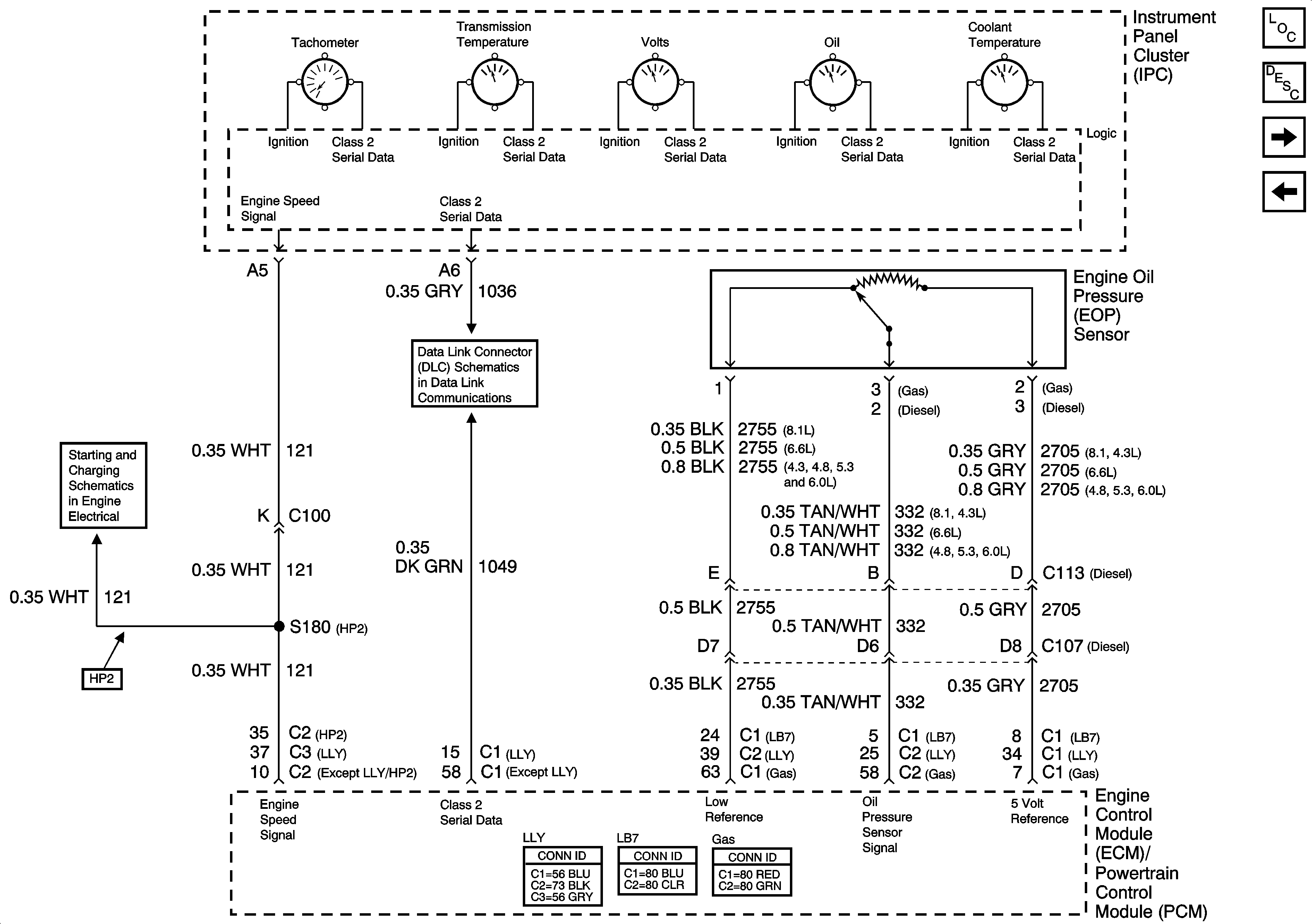
Figure 3:

Gages


Object Number: 1241460  Size: FS
Master Electrical Component List
Instrument Cluster Description and Operation
Vehicle Speed and Speedometer
Indicators
SP205 - 1 of 2
Engine Speed Signal and Accessory Battery Charging
Figure 4:

Vehicle Speed and Speedometer


Object Number: 1241466  Size: FS
Master Electrical Component List
Instrument Cluster Description and Operation
Fuel Gage
Gages
Figure 5:

Fuel Gage


Object Number: 1241474  Size: FS
Master Electrical Component List
Instrument Cluster Description and Operation
Vehicle Speed and Speedometer
SP205 - 1 of 2
Fuel/Device Controls - EVAP, Fuel Tank Pressure, and IAC