GM Service Manual Online
For 1990-2009 cars only
Makes
🢒
Chevrolet
🢒
2005
🢒
Chevy K Silverado - 4WD
🢒
Vehicle Control Systems
🢒
Vehicle DTC Information
🢒 Theft Deterrent System Schematics
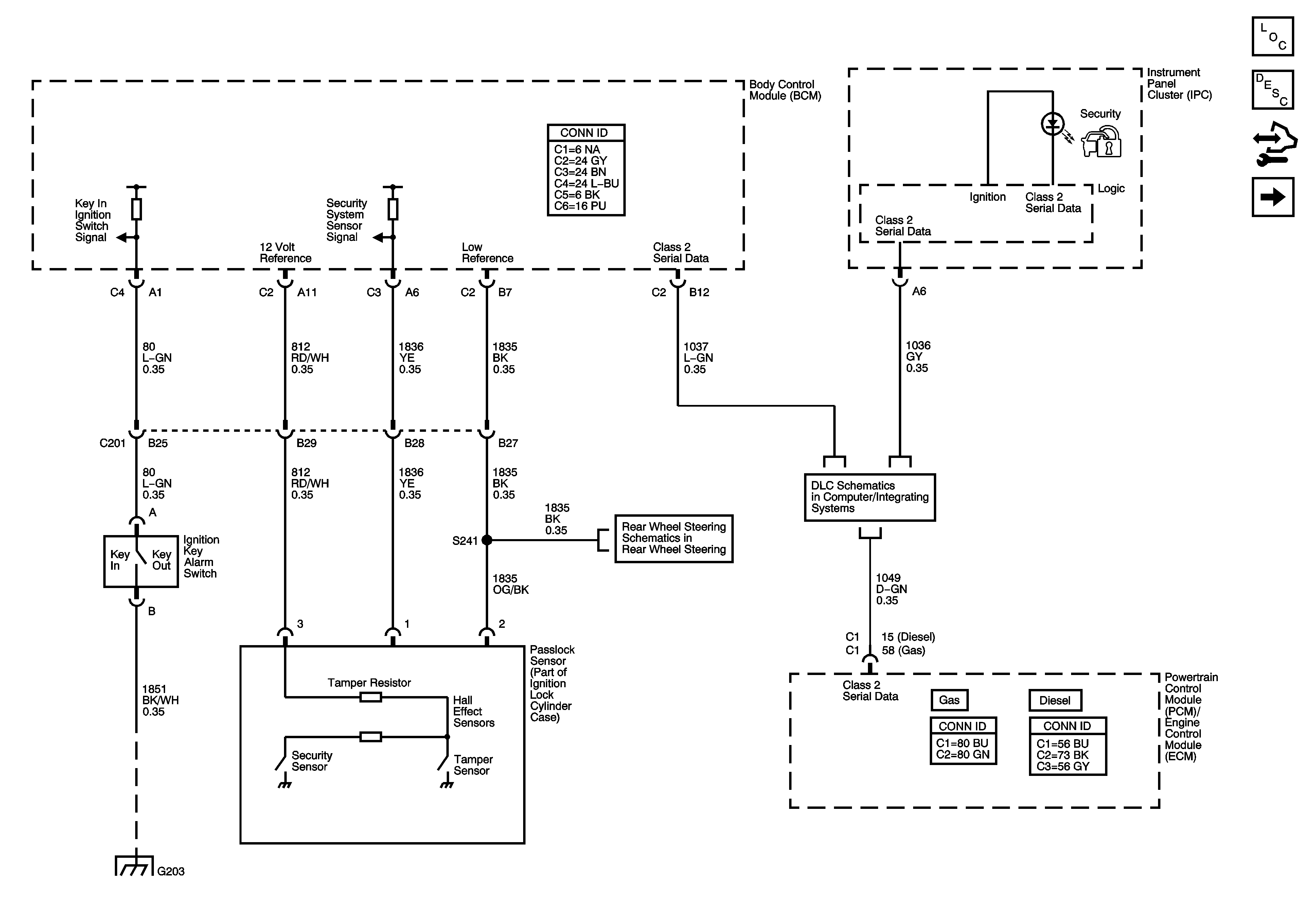
Figure
1:
Vehicle Theft Deterrent
Master Electrical Component List
Vehicle Theft Deterrent (VTD) Description and Operation
Control Module References
Content Theft Deterrent
Power, Ground, DLC and Splice Pack SP 205
Steering Wheel Speed/Position
G203 - 1 of 2
Figure
2:
Content Theft Deterrent
Master Electrical Component List
Content Theft Deterrent (CTD) Description and Operation
Control Module References
Vehicle Theft Deterrent
Door Jamb Switches (YE9/Y91)
Door Jamb Switches (YE9/Y91)
Power, Ground, DLC and Splice Pack SP 205
Horns Schematics
Park Lamp Relay Control and Front Park Lamps
Headlights/DRL Control
Door Jamb Switches (w/o YE9/Y91)