GM Service Manual Online
For 1990-2009 cars only
Figure 1:

Battery Supply - 1 of 2


Object Number: 1486777  Size: FS
Master Electrical Component List
Control Module References
Battery Supply - 2 of 2
B+ Bar Bus
Battery Supply - 2 of 2
Figure 2:

Battery Supply - 2 of 2


Object Number: 1486822  Size: FS
Master Electrical Component List
Control Module References
B+ Bar Bus
Battery Supply - 1 of 2
Battery Supply - 1 of 2
Figure 3:

B+ Bus Bar


Object Number: 1486794  Size: FS
Master Electrical Component List
Control Module References
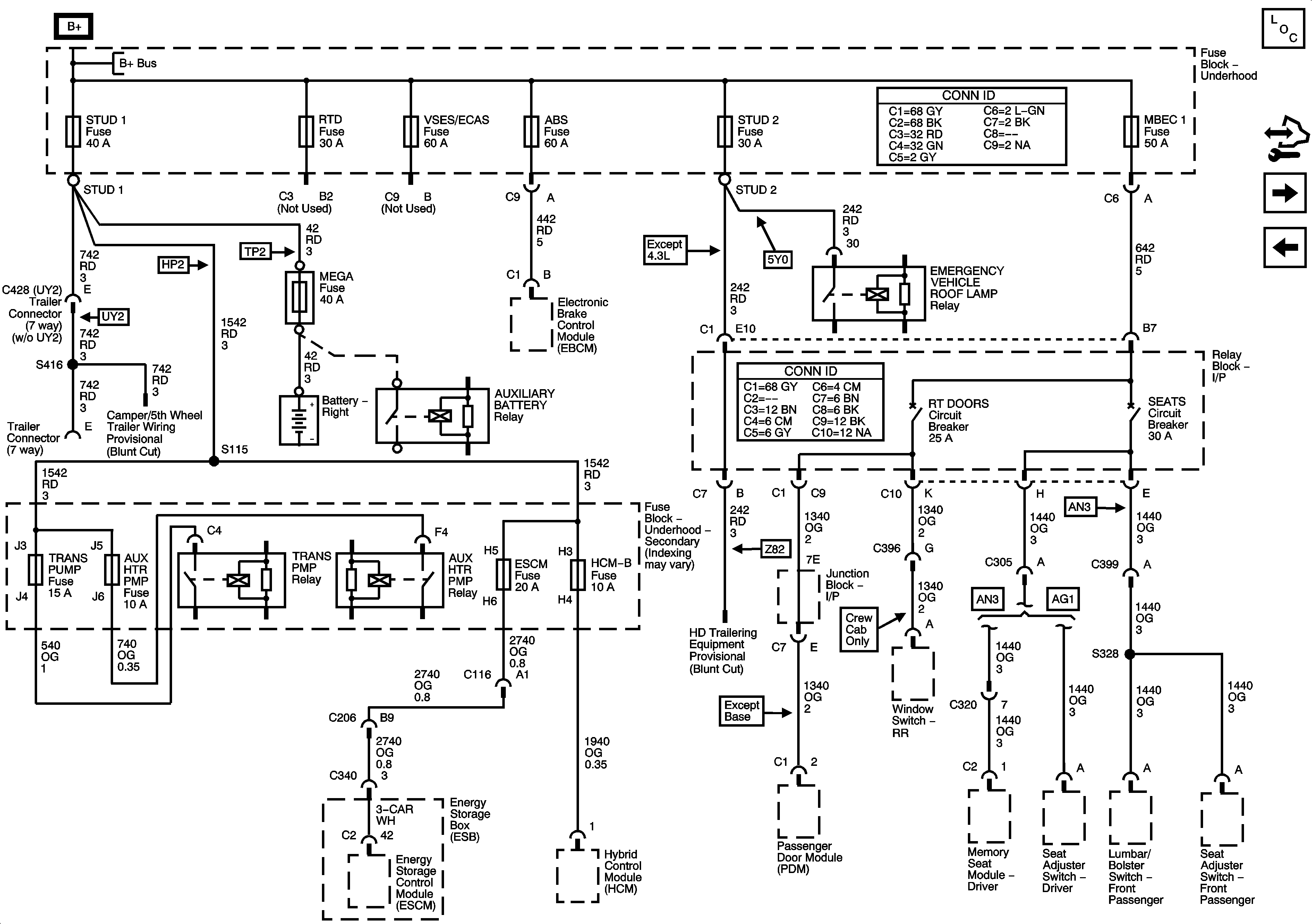
ABS, AUX HTR PMP, ESCM, HCM-B, MBEC 1, RTD, STUD1, STUD2, TRANS PUMP, VSES/ECAS Fuses and RT DOORS and SEAT Circuit Breakers
Battery Supply - 2 of 2
Battery Supply - 1 of 2
Figure 4:

ABS, AUX HTR PMP, ESCM, HCM-B, MBEC 1, RTD, STUD 1, STUD 2, TRANS PUMP, and VSES/ECAS Fuses and RT DOORS and SEAT Circuit Breakers


Object Number: 1487266  Size: FS
Master Electrical Component List
Control Module References
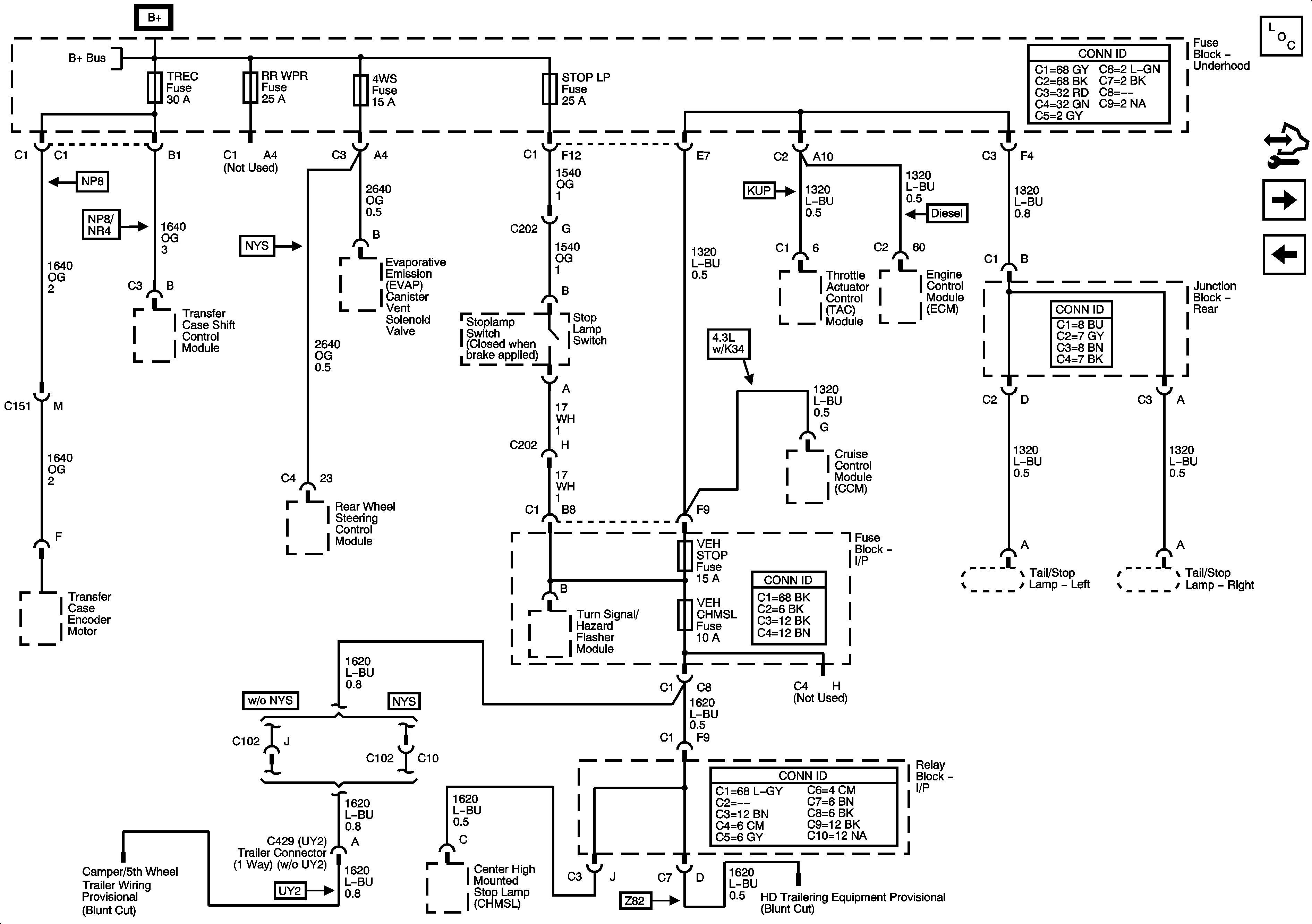
4WS, RR WPR, STOP LP, TREC, VEH STOP and VEH CHMSL Fuses
B+ Bar Bus
B+ Bar Bus
Figure 5:

4WS, RR WPR, STOP LP, TREC, VEH STOP and VEH CHMSL Fuses


Object Number: 1487267  Size: FS
Master Electrical Component List
Control Module References
IPC/DIC, LH HID, RH HID, SEO B1, SEO B2, and TBC BATT Fuses
ABS, AUX HTR PMP, ESCM, HCM-B, MBEC 1, RTD, STUD1, STUD2, TRANS PUMP, VSES/ECAS Fuses and RT DOORS and SEAT Circuit Breakers
B+ Bar Bus
Figure 6:

IPC/DIC, LH HID, RH HID, SEO B1, SEO B2 and TBC BATT Fuses


Object Number: 1487295  Size: FS
Master Electrical Component List
Control Module References
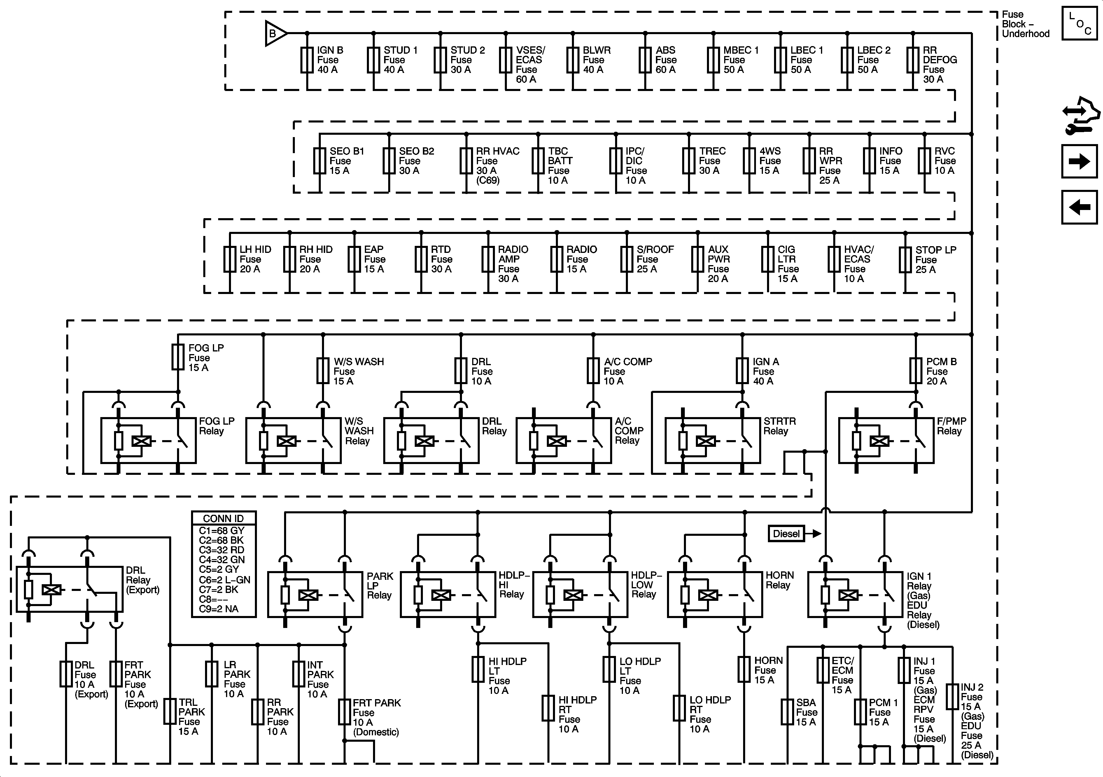
BLWR, FLASH, HVAC/ECAS, LBEC 1, RR DEFOG, RR HVAC, TBC 2A, TBC 2B, and TBC 2C Fuses and LT DOOR Circuit Breaker
4WS, RR WPR, STOP LP, TREC, VEH STOP and VEH CHMSL Fuses
B+ Bar Bus
Figure 7:

BLWR, FLASH, HVAC/ECAS, LBEC 1, RR DEFOG, RR HVAC, TBC 2A, TBC 2B and TBC 2C Fuses and LT DOOR Circuit Breaker


Object Number: 1487298  Size: FS
Master Electrical Component List
Control Module References
CIG LTR, EAP, INFO, and RVC Fuses
IPC/DIC, LH HID, RH HID, SEO B1, SEO B2, and TBC BATT Fuses
B+ Bar Bus
Figure 8:

CIG LTR, EAP, INFO and RVC Fuses


Object Number: 1487299  Size: FS
Master Electrical Component List
Control Module References
RADIO, RADIOAMP, and S/ROOF Fuses
BLWR, FLASH, HVAC/ECAS, LBEC 1, RR DEFOG, RR HVAC, TBC 2A, TBC 2B, and TBC 2C Fuses and LT DOOR Circuit Breaker
B+ Bar Bus
Figure 9:

RADIO, RADIO AMP, and S/ROOF Fuses


Object Number: 1487302  Size: FS
Master Electrical Component List
Control Module References
AUX PWR, AUX PWR 2, DDM, ECC, LBEC 2, LOCKS, PCM B, and PDM Fuses
CIG LTR, EAP, INFO, and RVC Fuses
B+ Bar Bus
Figure 10:

AUX PWR, AUX PWR2, DDM, ECC, LBEC 2, LOCKS, PCM B, and PDM Fuses


Object Number: 1487388  Size: FS
Master Electrical Component List
Control Module References
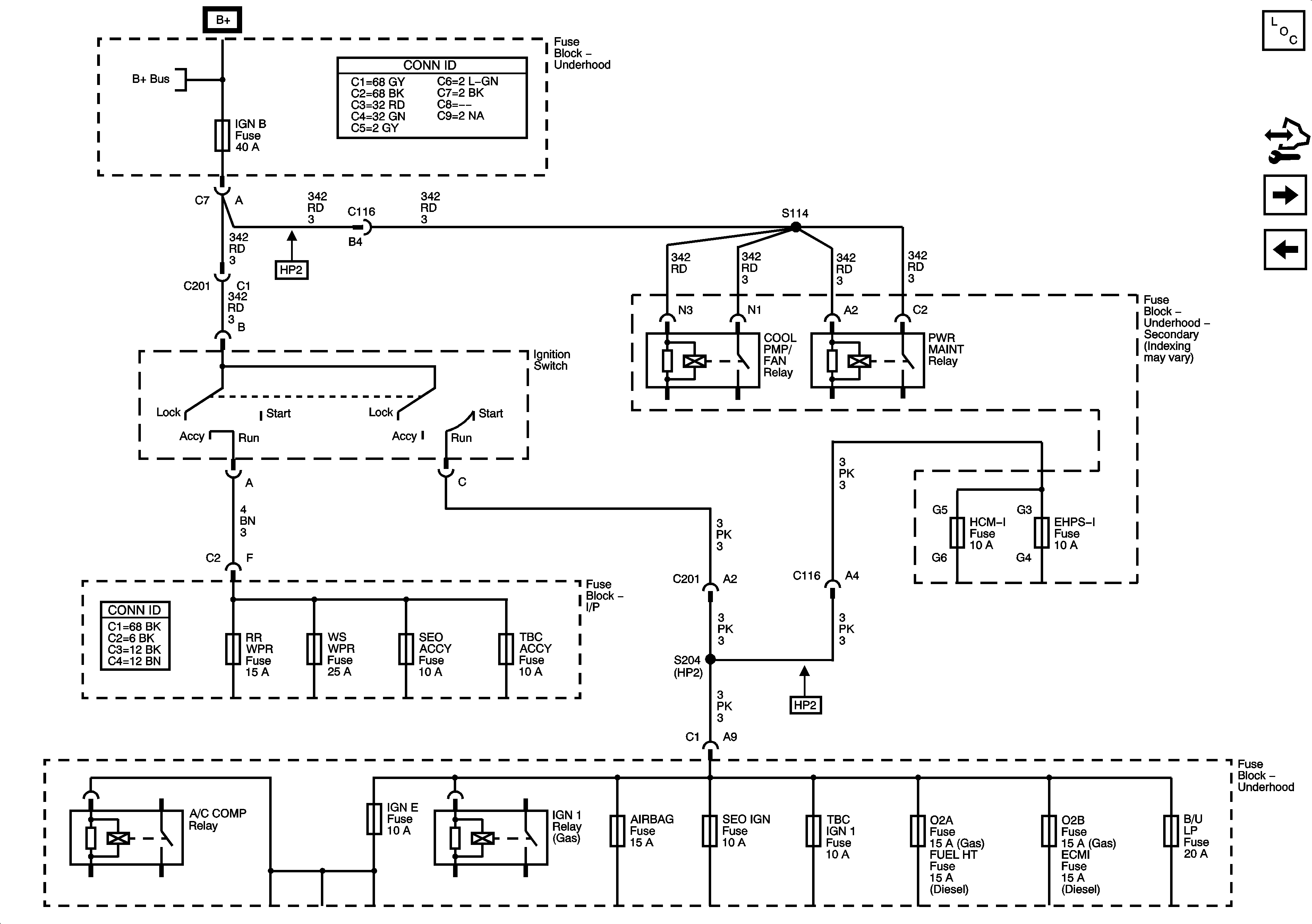
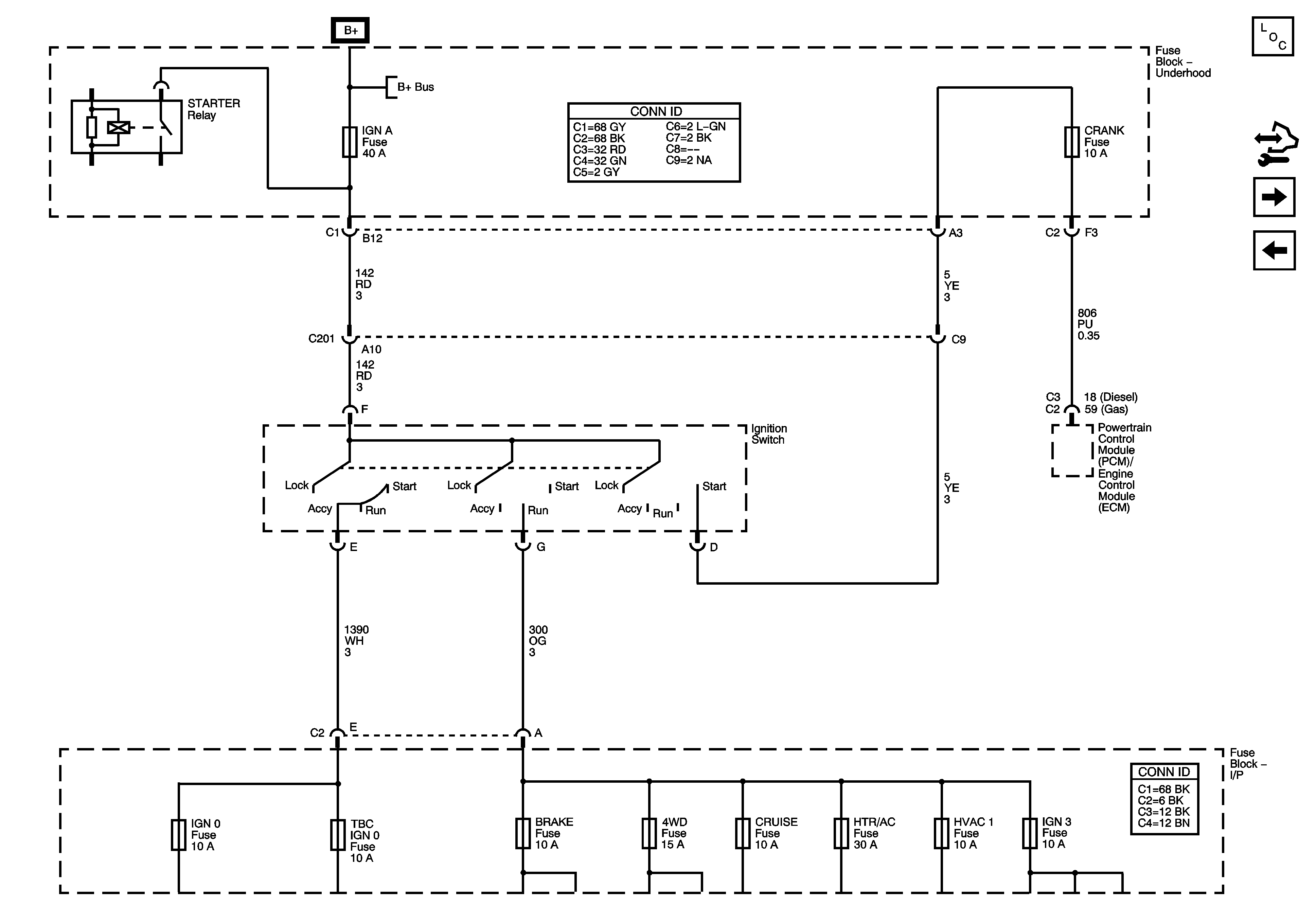
Ignition Switch - START, RUN, and ACC/RUN/START Bus Bars and IGN A and CRANK Fuses
RADIO, RADIOAMP, and S/ROOF Fuses
B+ Bar Bus
Figure 11:

Ignition Switch - START, RUN, and ACC/RUN/START Bus Bars, IGN A and CRANK Fuses


Object Number: 1487389  Size: FS
Master Electrical Component List
Control Module References
Ignition Switch - ACC/RUN and RUN/START Bus Bars and IGN B Fuse
AUX PWR, AUX PWR 2, DDM, ECC, LBEC 2, LOCKS, PCM B, and PDM Fuses
B+ Bar Bus
Figure 12:

Ignition Switch - ACC/RUN and RUN/START Bus Bars, and IGN B Fuse


Object Number: 1487430  Size: FS
Master Electrical Component List
Control Module References
4WD, BRAKE, CRUISE, HTR/AC, HVAC 1, and IGN 3 Fuses
Ignition Switch - START, RUN, and ACC/RUN/START Bus Bars and IGN A and CRANK Fuses
B+ Bar Bus
Figure 13:

4WD, BRAKE, CRUISE, HTR/AC, HVAC 1, and IGN 3 Fuses


Object Number: 1487431  Size: FS
Master Electrical Component List
Control Module References
B/U LP, BTSI, O2A, O2B, SEO IGN, TBC IGN 1, and TRL B/U Fuses
Ignition Switch - ACC/RUN and RUN/START Bus Bars and IGN B Fuse
Figure 14:

B/U LP, BTSI, O2A, O2B, SEO IGN, TBC IGN 1, and TRL B/U Fuses


Object Number: 1487435  Size: FS
Master Electrical Component List
Control Module References
IGN E and AIRBAG Fuses
4WD, BRAKE, CRUISE, HTR/AC, HVAC 1, and IGN 3 Fuses
Ignition Switch - ACC/RUN and RUN/START Bus Bars and IGN B Fuse
Figure 15:

IGN E and AIRBAG Fuses


Object Number: 1487437  Size: FS
Master Electrical Component List
Control Module References
ECM-I, EHPS-I, FUEL HT, and HCM-I Fuses
B/U LP, BTSI, O2A, O2B, SEO IGN, TBC IGN 1, and TRL B/U Fuses
Ignition Switch - ACC/RUN and RUN/START Bus Bars and IGN B Fuse
Figure 16:

ECM I, EHPS-I, FUEL HT, and HCM-I Fuses


Object Number: 1499368  Size: FS
Master Electrical Component List
Control Module References
IGN 0, RR WPR, SEO ACCY, TBC ACCY, TBC IGN 0, and WS WPR Fuses
IGN E and AIRBAG Fuses
Ignition Switch - ACC/RUN and RUN/START Bus Bars and IGN B Fuse
Figure 17:

COOL PMP, HYBRID 02A, HYBRID O2B, IGN B, and PWR MAINT Fuses


Object Number: 1487566  Size: FS
Master Electrical Component List
Control Module References
LT TRLR ST/TRN, LT TRN, RT TRLR ST/TRN, and RT TRN Fuses
IGN 0, RR WPR, SEO ACCY, TBC ACCY, TBC IGN 0, and WS WPR Fuses
B+ Bar Bus
Ignition Switch - ACC/RUN and RUN/START Bus Bars and IGN B Fuse
ETC/ECM, INJ 1, INJ 2, PCM 1, and SBA Fuses - Gas
Figure 18:

LT TRLR ST/TRN, LT TRN, RT TRLR ST/TRN, and RT TRN Fuses


Object Number: 1487305  Size: FS
Master Electrical Component List
Control Module References
ETC/ECM, INJ 1, INJ 2, PCM 1, and SBA Fuses - Gas
COOL PMP, HYBRID 02A, HYBRID O2B, IGN B and PWR MAINT Fuses
Figure 19:

ETC/ECM, INJ 1, INJ 2, PCM 1, and SBA Fuses - Gas


Object Number: 1487441  Size: FS
Master Electrical Component List
Control Module References
INJ 1 and INJ 2 Fuses - 8.1L
LT TRLR ST/TRN, LT TRN, RT TRLR ST/TRN, and RT TRN Fuses
B+ Bar Bus
INJ 1 and INJ 2 Fuses - 8.1L
COOL PMP, HYBRID 02A, HYBRID O2B, IGN B and PWR MAINT Fuses
Figure 20:

IGN 0, RR WPR, SEO ACCY, TBC ACCY, TBC IGN 0, and WS WPR Fuses


Object Number: 1487559  Size: FS
Master Electrical Component List
Control Module References
COOL PMP, HYBRID 02A, HYBRID O2B, IGN B and PWR MAINT Fuses
ECM-I, EHPS-I, FUEL HT, and HCM-I Fuses
Figure 21:

INJ 1 and INJ 2 Fuses - 8.1L


Object Number: 1487485  Size: FS
Master Electrical Component List
Control Module References
LR PARK and RR PARK Fuses
ETC/ECM, INJ 1, INJ 2, PCM 1, and SBA Fuses - Gas
ETC/ECM, INJ 1, INJ 2, PCM 1, and SBA Fuses - Gas
Figure 22:

LR PARK and RR PARK Fuses


Object Number: 1487564  Size: FS
Master Electrical Component List
Control Module References
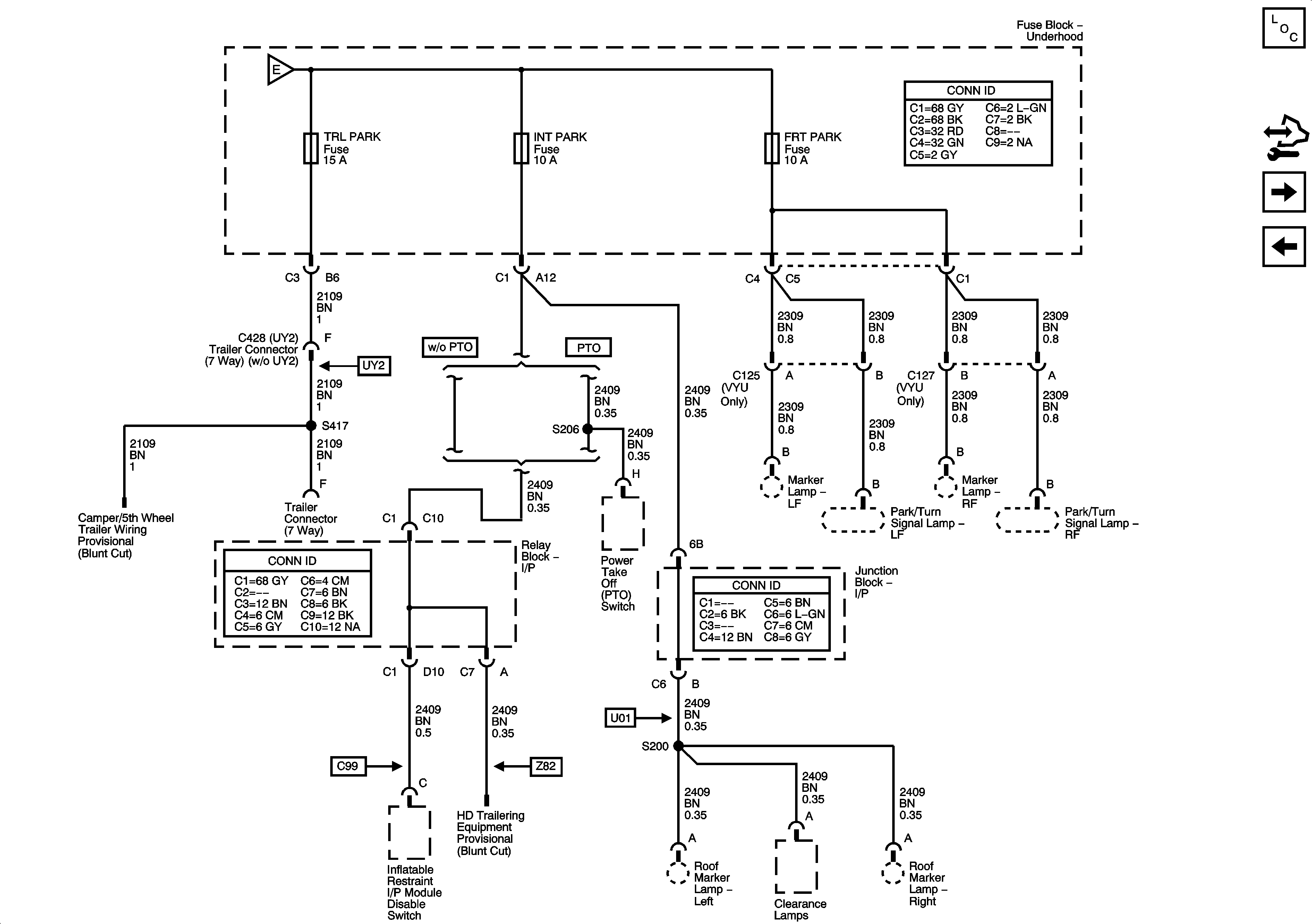
FRT PARK, INT PARK, and TRL PARK Fuses
INJ 1 and INJ 2 Fuses - 8.1L
B+ Bar Bus
FRT PARK, INT PARK, and TRL PARK Fuses
Figure 23:

FRT PARK, INT PARK, and TRL PARK Fuses


Object Number: 1487565  Size: FS
Master Electrical Component List
Control Module References
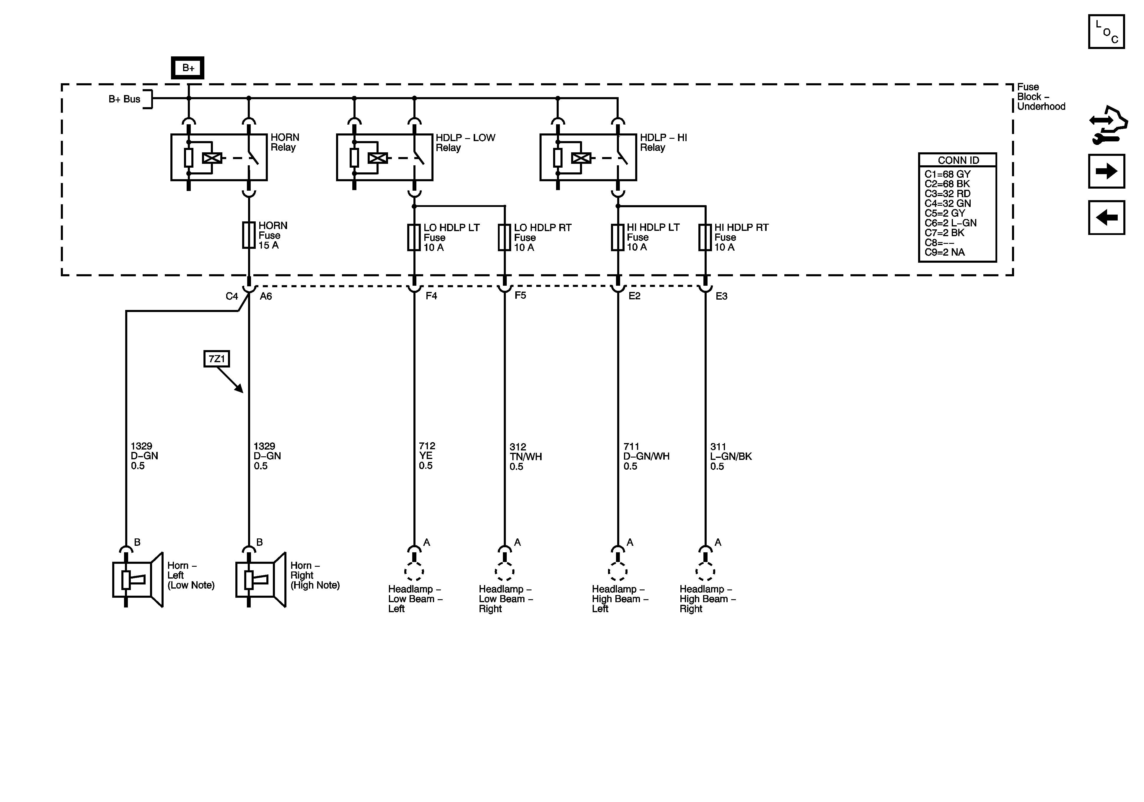
HI HDLP LT, HI HDLP RT, HORN, LO HDLP LT, and LO HDLP RT Fuses
LR PARK and RR PARK Fuses
LR PARK and RR PARK Fuses
Figure 24:

HI HDLP LT, HI HDLP RT, HORN, LO HDLP LT, and LO HDLP RT Fuses


Object Number: 1487563  Size: FS
Master Electrical Component List
Control Module References
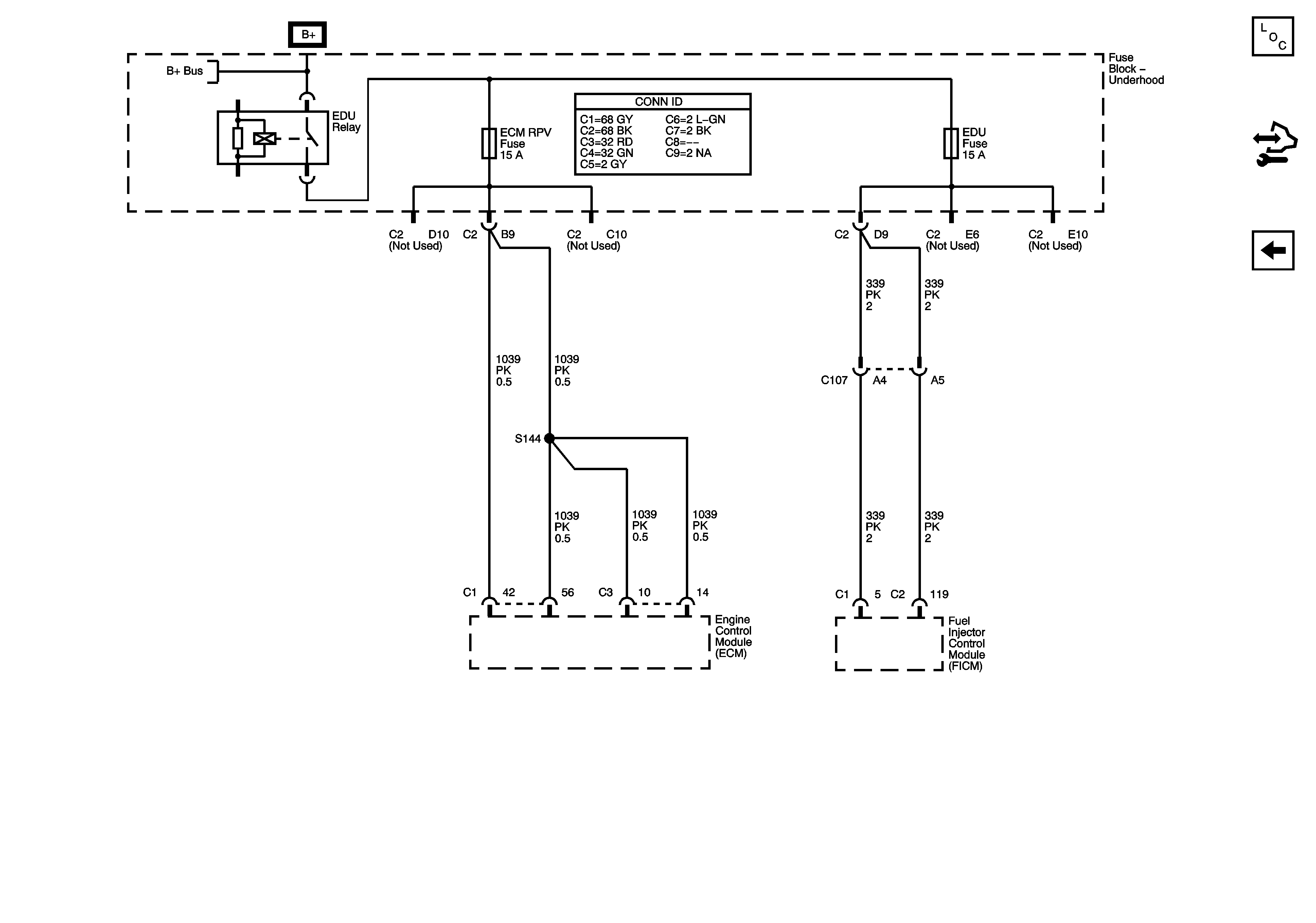
ECM RPV and EDU Fuses - Diesel
FRT PARK, INT PARK, and TRL PARK Fuses
B+ Bar Bus
Figure 25:

ECM RPV and EDU Fuses - Diesel


Object Number: 1487487  Size: FS
Master Electrical Component List
Control Module References
HI HDLP LT, HI HDLP RT, HORN, LO HDLP LT, and LO HDLP RT Fuses
B+ Bar Bus
Figure 1:

12V/24V


Object Number: 1704597  Size: FS
Master Electrical Component List
24V - Trailer Fuse
Figure 2:

24V - Trailer Fuse


Object Number: 1704600  Size: FS
Master Electrical Component List
Relay Block
12V/24V
Figure 3:

Relay Block


Object Number: 1704602  Size: FS
Master Electrical Component List
G100M, G101M, G102M
24V - Trailer Fuse