GM Service Manual Online
For 1990-2009 cars only
Makes
🢒
Chevrolet
🢒
1999
🢒
Chevy P12 Chassis
🢒
Brakes
🢒
Antilock Brake System
🢒 Antilock Brake System Schematics
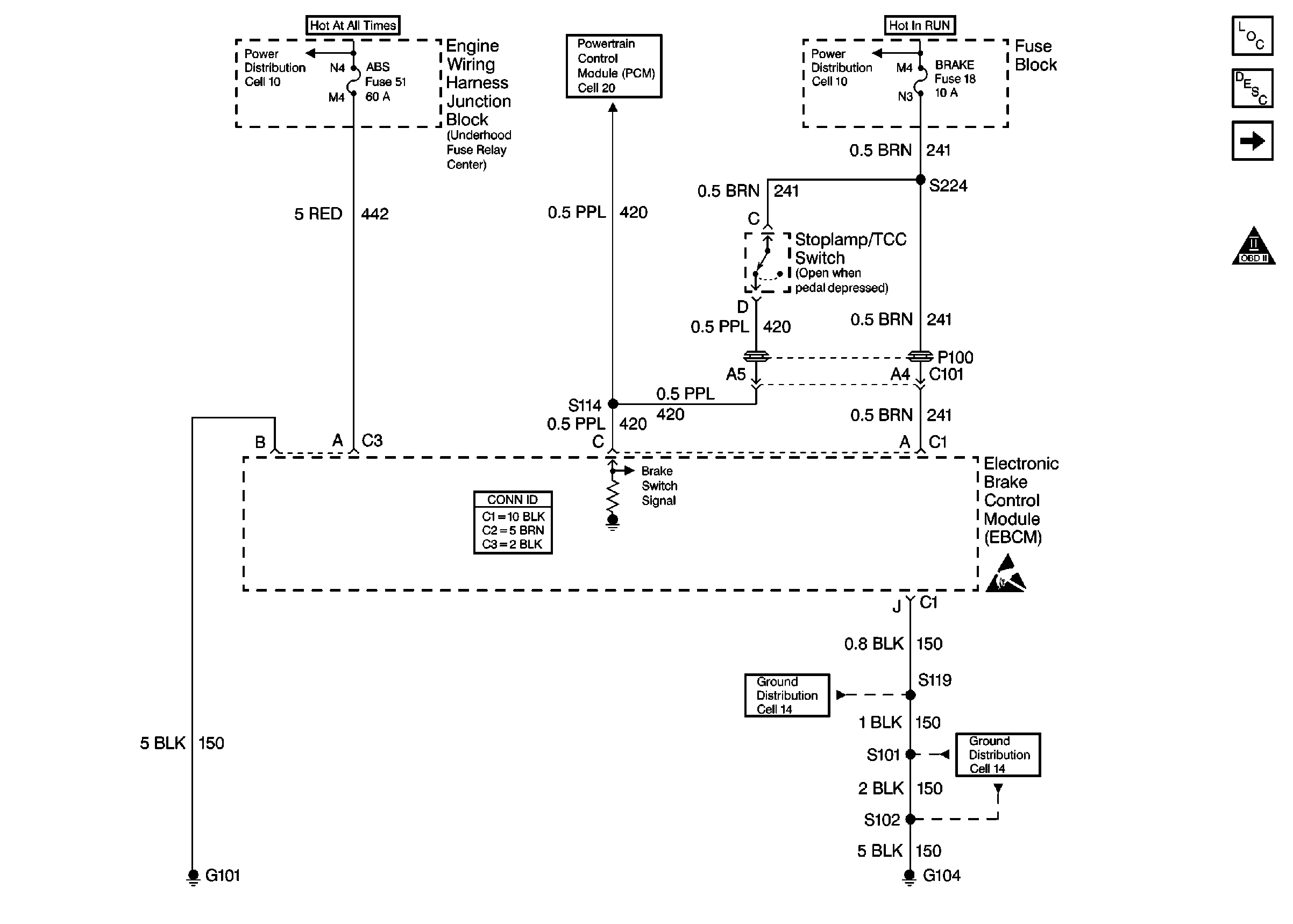
Figure
1:
Cell 44: EBCM Power and Grounding
ABS Components
ABS Description
Cell 44: ABS Inputs and Outputs
Cell 10: Battery, Starter, Junction Block
Cell 20: A/C, ABS, and Starter Relay Interfaces
Cell 10: Ignition Switch, Fuse Block
Handling ESD Sensitive Parts Notice
Cell 14: G104
Cell 14: G101, G109, and G110
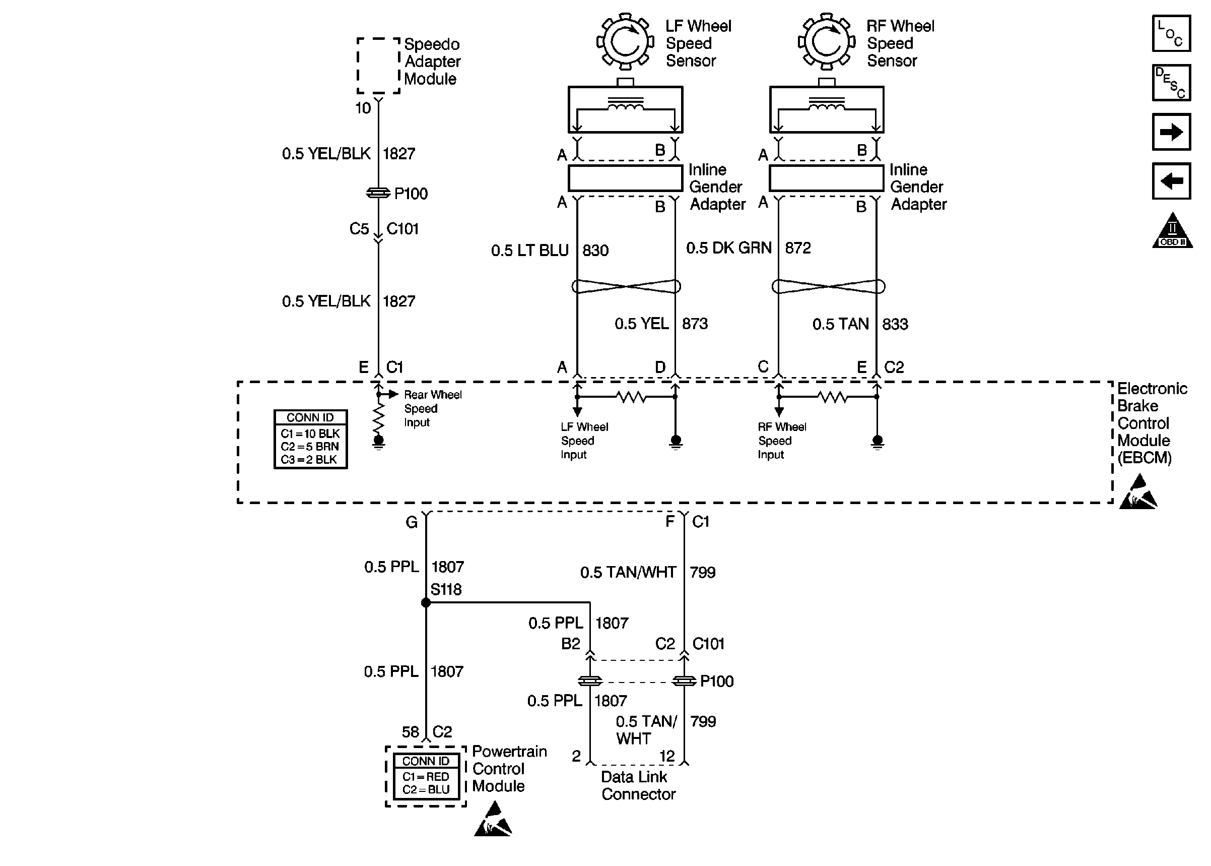
Figure
2:
Cell 44: ABS Inputs and Outputs
ABS Components
ABS Description
Cell 44: Antilock Brake Warning Circuit
Cell 44: EBCM Power and Grounding
Handling ESD Sensitive Parts Notice
Handling ESD Sensitive Parts Notice
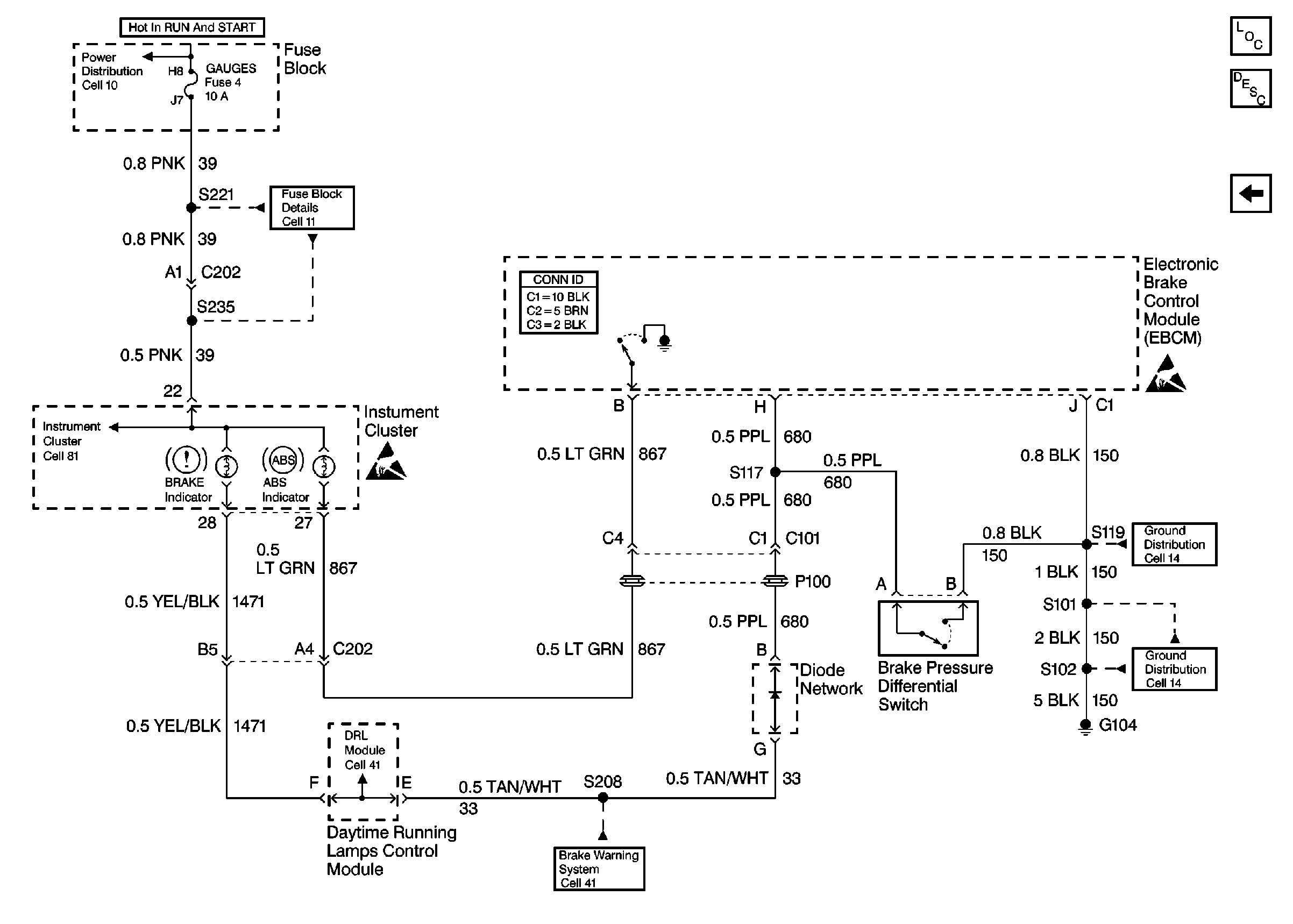
Figure
3:
Cell 44: Antilock Brake Warning Circuit
ABS Components
ABS Description
Cell 44: ABS Inputs and Outputs
Cell 10: Junction Block
Cell 11: GAUGES, TURN/BU, and TAC fuses
Handling ESD Sensitive Parts Notice
Cell 14: G101, G109, and G110
Cell 14: G104
Cell 41: Brake Warning Circuit
Handling ESD Sensitive Parts Notice
Cell 81: Indicators