GM Service Manual Online
For 1990-2009 cars only
Makes
🢒
Chevrolet
🢒
1999
🢒
Chevy P12 Chassis
🢒 Cell 81: Gauges
Cell 81: Gauges
Cell 81: Gauges
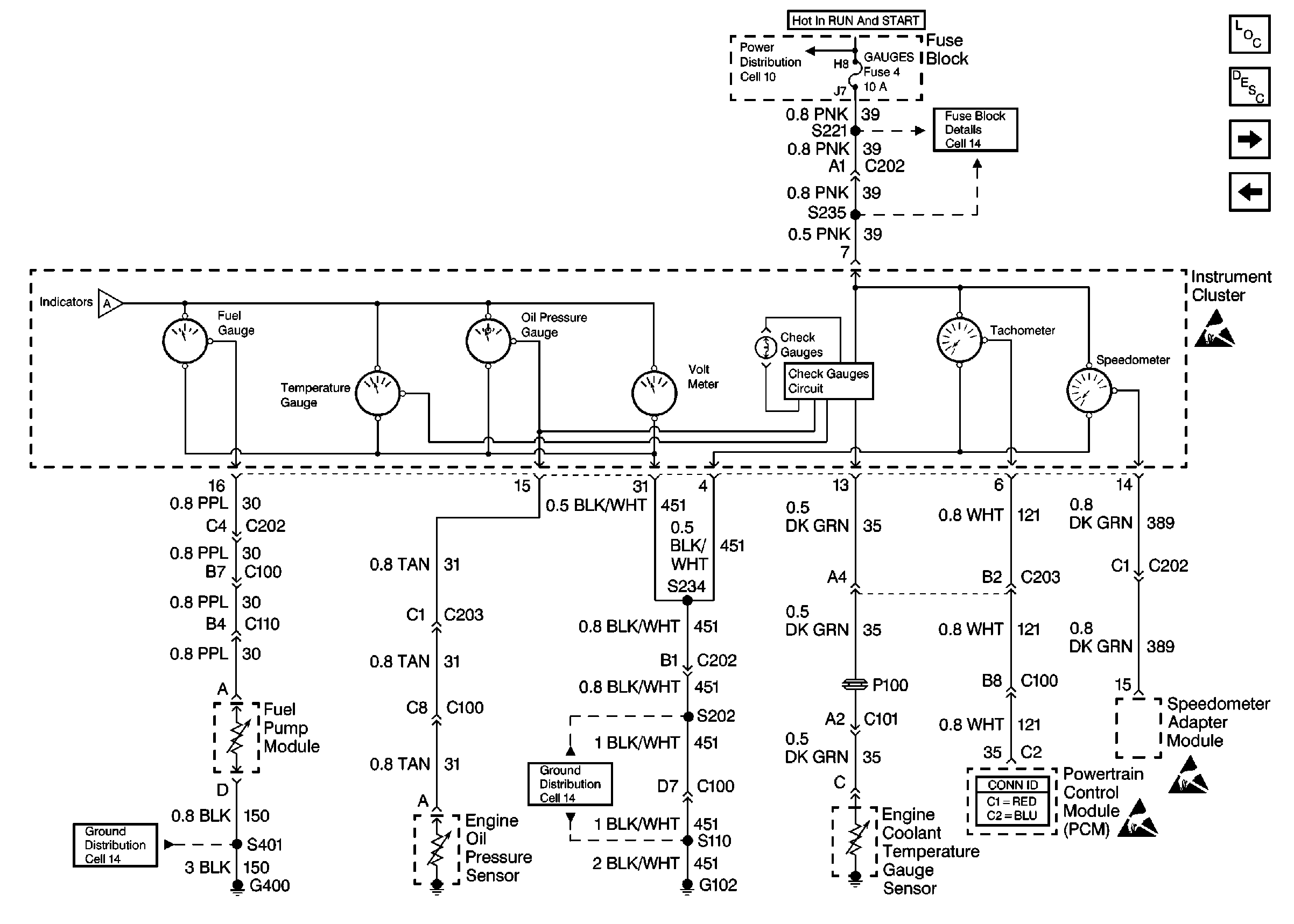
Instrument Cluster Components
Instrument Cluster Circuit Description
Cell 81: Indicators and Illumination Lamps
Cell 81: Indicators
Cell 10: Junction Block
Cell 11: GAUGES, TURN/BU, and TAC fuses
Cell 81: Indicators
Handling ESD Sensitive Parts Notice
Cell 14: G300 and G400
Cell 14: G102
Handling ESD Sensitive Parts Notice
Handling ESD Sensitive Parts Notice