GM Service Manual Online
For 1990-2009 cars only

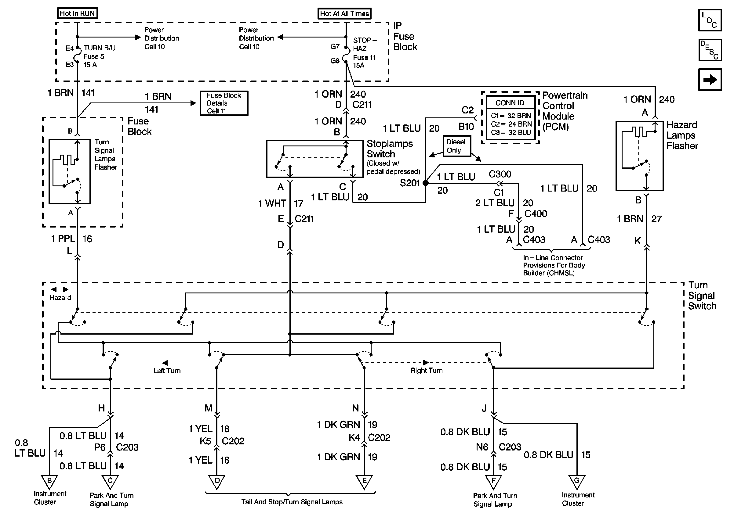
Exterior Lights Schematics P32

Figure 1:

Cell 110: Turn Signal Switch


Object Number: 463625  Size: FS
Lighting Systems Components P32
Exterior Lights Circuit Description P32
Cell 110: Headlamps Switch and IP Cluster
Cell 10: Ignition Switch and Fuse Block
Cell 10: Fuse Block
Cell 112
Cell 34: L29
Cell 34: L65
Cell 110: Headlamps Switch and IP Cluster
Cell 110: Forward Lamps
Cell 110: Rear Lamps
Cell 110: Rear Lamps
Cell 110: Forward Lamps
Cell 110: Headlamps Switch and IP Cluster
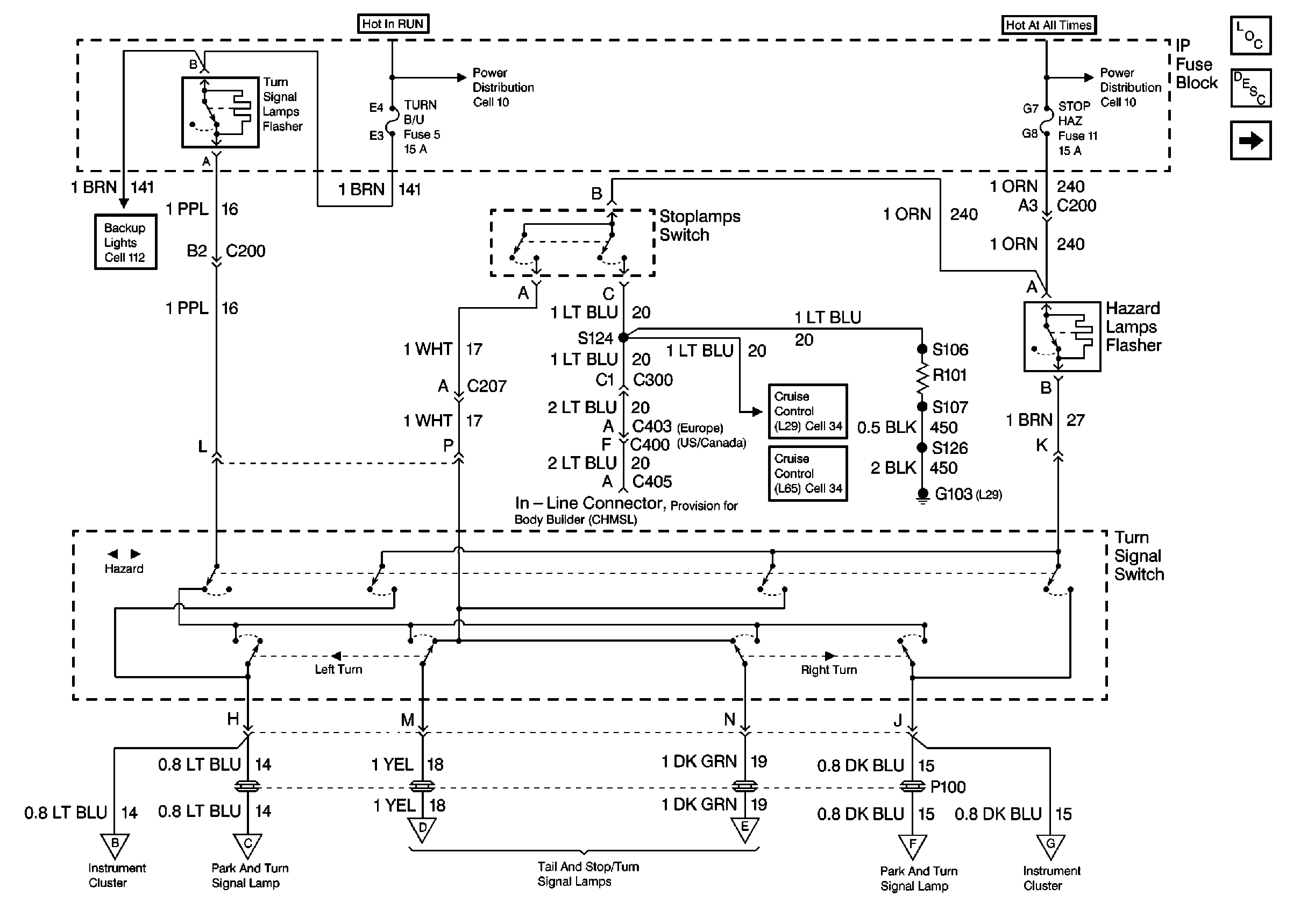
Figure 2:

Cell 110: Headlamps Switch and IP Cluster


Object Number: 463633  Size: FS
Lighting Systems Components P32
Exterior Lights Circuit Description P32
Cell 110: Forward Lamps
Cell 110: Turn Signal Switch
Cell 10: Fuse Block
Cell 110: Turn Signal Switch
Cell 110: Turn Signal Switch
Cell 117
Cell 110: Forward Lamps
Cell 110: Rear Lamps
Handling ESD Sensitive Parts Notice
Cell 14: G108 [L57]
Cell 14: G108 [L65]
Figure 3:

Cell 110: Forward Lamps


Object Number: 463644  Size: FS
Lighting Systems Components P32
Exterior Lights Circuit Description P32
Cell 110: Rear Lamps
Cell 110: Headlamps Switch and IP Cluster
Cell 110: Turn Signal Switch
Cell 110: Turn Signal Switch
Cell 110: Headlamps Switch and IP Cluster
Cell 110: License Lamps [Export Only]
Figure 4:

Cell 110: Rear Lamps


Object Number: 463651  Size: FS
Lighting Systems Components P32
Exterior Lights Circuit Description P32
Cell 110: Rear Lamps [Export Only]
Cell 110: Forward Lamps
Cell 110: Turn Signal Switch
Cell 110: Headlamps Switch and IP Cluster
Cell 110: Turn Signal Switch
Cell 14: G350, G400, G401, and G402
Figure 5:

Cell 110: Rear Lamps [Export Only]


Object Number: 463659  Size: FS
Lighting Systems Components P32
Exterior Lights Circuit Description P32
Cell 110: License Lamps [Export Only]
Cell 110: Rear Lamps
Cell 110: Turn Signal Switch
Cell 110: Turn Signal Switch
Cell 14: G350, G400, G401, and G402
Cell 110: License Lamps [Export Only]
Figure 6:

Cell 110: License Lamps [Export Only]


Object Number: 463666  Size: FS
Lighting Systems Components P32
Exterior Lights Circuit Description P32
Cell 110: Rear Lamps [Export Only]
Cell 110: Rear Lamps [Export Only]
Cell 110: Forward Lamps

Exterior Lights Schematics P42

Figure 1:

Cell 110: Turn Signal Switch


Object Number: 463674  Size: FS
Lighting Systems Components P42
Exterior Lights Circuit Description P42
Cell 110: Headlamps Switch and Turn Signal Indicators
Cell 10: Ignition Switch and Fuse Block
Cell 10: Ignition Switch
Cell 11: I-3, TURN-B/U, and HTR fuses, AUX CKT BRKR 13
Cell 110: Headlamps Switch and Turn Signal Indicators
Cell 110: Forward Lamps
Cell 110: Rear Lamps
Cell 110: Rear Lamps
Cell 110: Forward Lamps
Cell 110: Headlamps Switch and Turn Signal Indicators
Figure 2:

Cell 110: Headlamps Switch and Turn Signal Indicators


Object Number: 463680  Size: FS
Lighting Systems Components P42
Exterior Lights Circuit Description P42
Cell 110: Forward Lamps
Cell 110: Turn Signal Switch
Cell 10: Ignition Switch
Cell 110: Turn Signal Switch
Cell 110: Turn Signal Switch
Handling ESD Sensitive Parts Notice
Cell 117
Cell 110: Forward Lamps
Cell 110: Rear Lamps
Cell 14: G104 [L65]
Cell 14: G108 [L29]
Figure 3:

Cell 110: Forward Lamps


Object Number: 463685  Size: FS
Lighting Systems Components P42
Exterior Lights Circuit Description P42
Cell 110: Rear Lamps
Cell 110: Headlamps Switch and Turn Signal Indicators
Cell 110: Turn Signal Switch
Cell 110: Turn Signal Switch
Cell 14: G101, G102, and G107 [Single Headlamps]
Cell 14: G101, G102, and G107 [Dual Headlamps]
Cell 14: G101, G102, and G107 [Single Headlamps]
Cell 14: G101, G102, and G107 [Dual Headlamps]
Cell 110: Headlamps Switch and Turn Signal Indicators
Figure 4:

Cell 110: Rear Lamps


Object Number: 463693  Size: FS
Lighting Systems Components P42
Exterior Lights Circuit Description P42
Cell 110: Forward Lamps
Cell 110: Turn Signal Switch
Cell 110: Headlamps Switch and Turn Signal Indicators
Cell 110: Turn Signal Switch
Cell 14: G104 [L29]