GM Service Manual Online
For 1990-2009 cars only
Makes
🢒
Chevrolet
🢒
1999
🢒
Chevy P42 Commercial Chassis
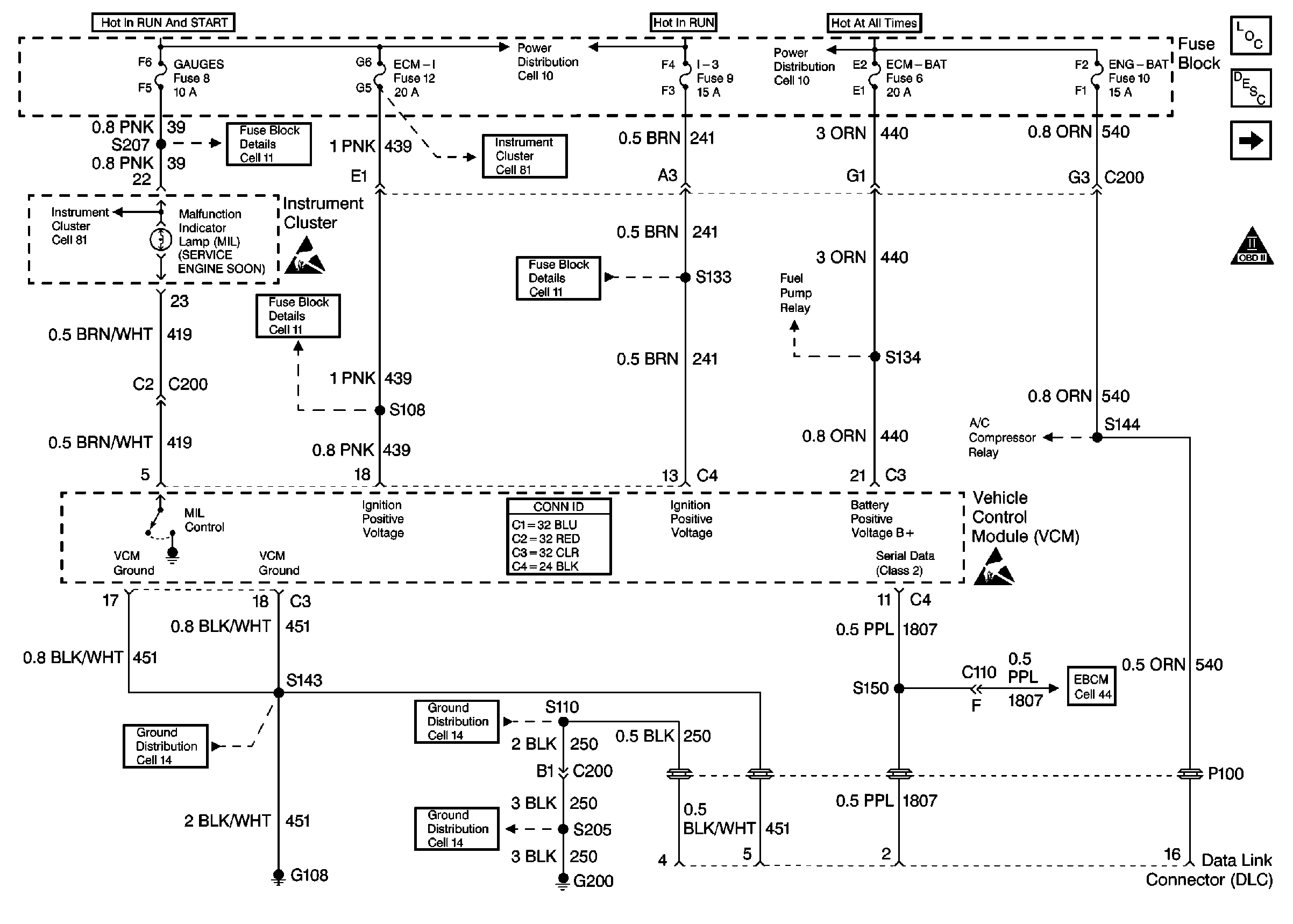
🢒 Cell 21: Power and Grounding
Cell 21: Power and Grounding
Cell 21: Power and Grounding
Engine Controls Components
Vehicle Control Module Description
Cell 21: Ignition System
OBD II Symbol Description Notice
Cell 11: Gauges fuse
Handling ESD Sensitive Parts Notice
Cell 11: ECM-I fuse [L35]
Cell 81: Gauges [L57]
Cell 21: A/T Controls - Solenoids and TCC Stoplamp Switch
Cell 10: Ignition Switch and Fuse Block
Cell 10: Fuse Block and Headlamp Switch
Cell 21: Fuel Controls - Pump Control
Cell 21: A/C Controls
Handling ESD Sensitive Parts Notice
Cell 44: Gas, ABS Power and Grounding, DLC Output
Cell 50
Cell 14: G200
Cell 14: S110 [L31/L35]
Cell 14: G108 [L31/L35]