GM Service Manual Online
For 1990-2009 cars only
Makes
🢒
Chevrolet
🢒
1999
🢒
Chevy Suburban 4WD - RHD
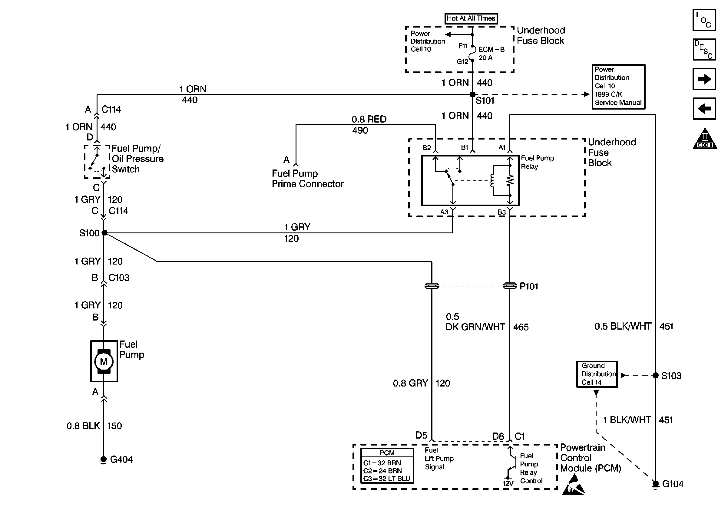
🢒 Cell 21: Fuel Pump
Cell 21: Fuel Pump
Cell 21: Fuel Pump
Powertrain Control Module Connector End Views
Handling ESD Sensitive Parts Notice
Cell 14: G104, Diesel
Engine Controls Components
Cell 21: Fuel Controls
Cell 21: Glow Plug Controls
OBD II Symbol Description Notice